中心議題:
- 增強型電壓模式PWM控制器NCP1294
- 動態MPPT工作原理
- 前饋電壓模式控制
- NCP1294太陽能充電控制器應用設計流程
眾所周知,太陽能電池板有一個IV曲線,它表示該太陽能電池板的輸出性能,分別代表著電流電壓數值。兩條線的交叉點表示的電壓電流就是這塊太陽能電池板的功率。不利的是,IV曲線會隨輻照度、溫度和使用年限而變化。輻照度是給定表面輻射事件的密度,一般以每平方厘米或每平方米的瓦特數表示。如果太陽能電池板沒有機械式陽光追蹤能力,一年中輻照度會隨著太陽的移動變化約±23度。此外,每天從地平線到地平線太陽移動的輻照度變化,可導致輸出功率在一整天的變化。為此,安森美半導體開發了一款太陽能電池控制器NCP1294,用來實現太陽能電池板的最大峰值功率點跟蹤(MPPT),以最高能效為蓄電池充電。本文將介紹該器件的一些主要功能和應用時需要注意的問題。
增強型電壓模式PWM控制器
NCP1294是一款固定頻率電壓模式PWM前饋控制器,包含電壓模式運作所需的所有基本功能。作為支持降壓、升壓、降壓-升壓及反激等不同拓撲結構的充電控制器,NCP1294針對高頻初級端控制操作進行了優化,具有逐脈沖限流及雙向同步功能,支持功率最高達140 W的太陽能板。這款器件提供的MPPT功能能夠定位最大功率點,并實時根據環境條件來調節,使控制器保持接近最大功率點,從而從太陽能板析取最大的電量,提供最佳的能效。
此外,NCP1294還具有軟啟動、精確控制占空比限制、低于50 μA的啟動電流、過壓和欠壓保護等功能。在太陽能應用中,NCP1294可以作為一種靈活的解決方案,用在模塊級電源管理(MLPM)解決方案。基于NCP1294的參考設計最大功率點追蹤誤差小于5%,可以為串聯或并聯的四個電池充電。圖1是NCP1294 120 W太陽能控制器框圖。

圖1:安森美半導體的NCP1294 120 W太陽能控制器框圖
如圖1所示,該系統的核心是功率段,它必須承受12 V至60 V的輸入電壓,并產生12 V至36 V的輸出。由于輸入電壓范圍覆蓋了所需的輸出電壓,必須有一個降壓-升壓拓撲結構來支持應用。設計人員可以選擇多種拓撲結構:SEPIC、非反相降壓-升壓。反激式、單開關正激、雙開關正激、半橋、全橋或其他拓撲結構。
設計工作包括根據功率需求的增加隔離拓撲結構。電池充電狀態的管理是由適當的充電算法完成的。太陽能電池板安裝技師可以選擇輸出電壓和電池充電速率。由于控制器要連接到太陽能電池板,它必須具有最大功率點跟蹤,為最終客戶提供高價值。控制器有兩個正使能(Enable)電路,一個電路檢測黑夜時間,另一個檢測電池的充電狀態,使外部電路不會使電池對損壞點放電。由于控制器將由不同程度經驗的現場技術人員和新手安裝,因此重要的是輸入和輸出必須有反向極性保護。另外,控制器和電池可能安裝在過熱或過冷的位置,控制器必須采用電池充電溫度補償。設計還應包括安全功能,如電池過壓檢測和太陽能電池板欠壓檢測。
[page]
動態MPPT工作原理
為了從功率可變的電源(即太陽能電池板)析取出最大的功率,太陽能控制器必須采用MPPT。MPPT必須首先找到最大功率點并及時調整環境條件,以保持控制器接近最大功率點。動態MPPT用在系統發生改變的情況下。由于每個開關周期都在發生變化,太陽能電池板汲取的功率也會在每個周期有明顯的改變。動態MPPT利用太陽能電池板的電壓驟降乘以每個開關周期增加的電流,以確定將要產生的誤差信號來調節占空比。動態響應可檢測IV曲線的斜率,從而建立一個功率斜坡,從誤差信號相交點建立一個代表占空比的功率。當斜坡變化斜率從正到負時該周期結束,如圖2所示。

圖2:PWM穩壓轉換器的電壓和電流
前饋電壓模式控制
在傳統電壓模式控制中,斜坡信號有一個固定的上升和下降斜率。反饋信號僅來自輸出電壓。因此,電壓模式控制線路穩壓效果較差,且具有音頻易感性。前饋電壓模式控制源于斜坡信號輸入線路。因此,斜坡的斜率隨輸入電壓而變化。前饋功能也可以提供一個伏秒鉗位,這就限制了輸入電壓和導通時間的最大乘積值。電路中的鉗位電路,如正激和反激式轉換器可用來防止變壓器飽和。
NCP1294太陽能充電控制器應用設計流程
當選擇太陽能控制器拓撲結構時,重要的是要了解轉換器的基本操作及其局限性。選擇的拓撲結構是非反相四開關非同步降壓-升壓拓撲結構。轉換器利用來自NCP1294的控制信號運行,Q1和Q2同時導通為L1充電。四開關降壓-升壓拓撲結構如圖3所示,其中的電感器用來控制電壓和電流。

圖3:四開關降壓-升壓拓撲結構
四開關非反相降壓-升壓有兩種操作模式,即降壓模式和降壓-升壓模式。在降壓模式下,轉換器產生輸入電壓脈沖,它經過LC濾波來產生一個較低的直流輸出電壓。輸出電壓可以通過修改相對于開關周期或開關頻率的導通時間來改變。
如果輸出電壓可能達到1%至89%,太陽能控制器即運行在降壓模式。如果由于占空比的限制而無法達到該輸出電壓,它會切換到降壓-升壓模式,此時即可達到該輸出電壓。從89%到較低占空比的變化,如圖4所示。

圖4:多個電池降壓和升壓模式之間的傳遞比[page]
需要注意的是,當轉換器模式從降壓到降壓-升壓切換時,誤差信號將需要一段時間來改變占空比。模式的瞬時變化將使降壓-升壓轉換器試圖在89%占空比進行切換,并試圖轉換至47%;這會導致轉換器試圖在失衡區(trade over region)輸出130 V的結果。NCP1294通過脈沖電流限制器提供了一個脈沖,可以阻止轉換器能量達到危險的程度,在占空比條件下實現緩和過渡。
補償網絡
要創建一個穩定的電源,誤差放大器周圍的補償網絡必須配合PWM發生器和功率級使用。由于功率級設計的標準是根據應用設置的,補償網絡必須有正確的整體輸出,以確保穩定性。NCP1294是一個電壓模式電壓前饋器件,因此需要一個采用輸入電壓修改斜坡的電壓環路。功率級的輸出電感和電容可形成一個雙極點,環路必須為此進行補償。
系統開啟和電池電流消耗
正在創建的系統連接了兩個有限源,將在一天的不同時間為負載供電,如果是在同一時間將不會供電,除了短暫時間。該系統并不完整,沒有安裝電池和太陽能電池板,因此,有利于電池負載和太陽能電池板源存在與否的檢測。例如,如果沒有連接電池,在提供電池電壓時,它不會消耗太陽能電池板的能量。如果連接了太陽能電池板,為了尋找要連接的太陽能電池板,電池將被耗盡。檢查太陽能電池板連接和電池連接的一個簡單解決方案是使用低電流消耗比較器。
在白天時間系統對電池充電,而在夜間電池放電照亮定義的空間。雖然輸入能量不能保證,但輸出能量可在相當長的時間保持不變。如果一個系統的大小不合適,電池可能因放電而損壞。要防止電池損壞,必須用LED電路抑制操作,防止電池耗盡。
輸入和輸出電流的平衡
當構建一個理想的太陽能控制器時,控制器應保護電池或負載,同時從太陽能電池板提取最大的能量。不幸的是,在現實世界中顧客或安裝人員可能會購買一個大型太陽能電池板和一個小電池。如果太陽能控制器是在峰值功率下充電,電池充電速度過快,會縮短電池壽命或可能發生爆炸。控制器應該做的是管理電池需求,根據太陽能電池板提供的峰值功率來平衡充電速度。因此,最大電池充電速率的設定和選擇方案是需要確定如何限制系統的輸出電流。電流的設定是通過NCP1294所提供3.3V基準和電阻分壓器網絡完成的。短接一個或多個轉接口(header)將實現不同的電流限制值。
反極性保護
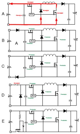
除了正常的太陽能電池板瞬態,還有四種不同的輸入輸出連接可能性。第一種情況,輸入和輸出連接正確,無需保護。第二種情況,輸入電壓反向連接。如果在這種情況下允許電流流過,那么所有輸出二極管都可能損壞。
不過,在圖5所示B或C的輸入端串聯一個二極管就可以保護所有器件。串聯二極管的一個缺點是,它會連續耗散系統功率。如果反向極性保護二極管放在高電流系統中,損耗可能會很大。實施反極性保護的另一種方法是放置一個二極管,例如,當施加反向電壓時它會使保險絲開路,如圖5 D所示。選擇的保險絲可以是一個用戶可更換或波利熱熔斷器。保險絲可以提供必要的保護,但可能導致不太好的用戶體驗。實現二極管反向極性保護的低損耗方式是使用MOSFET,當施加的電壓極性正確時MOSFET導通,而在電壓極性不正確時關閉。圖5 E所示。

圖5:反極性的輸入端連接[page]
在第三種情況下,輸出是反極性連接,輸入是正確連接,功率元件可能會損壞。由于源假定為鉛酸電池,保護至關重要,因為損壞的元件可能消耗大量的能量。圖5 B顯示了防止反向輸出電壓的方法之一。
最后一種情況是輸入和輸出的連接都不正確。在這種情況下,如果設計人員實施了第二和第三種保護,輸入和輸出都將受到保護。設計人員不應忽略電壓抑制器,它安裝在瞬態電壓的輸入端,其極性可能正確或不正確。因此,重要的是要有雙向瞬態抑制器,能夠承受正常反極性電壓而不會損壞。
電池充電
鉛酸電池充電有三個階段:恒流充電或大電流充電、吸收或恒壓模式,以及浮充電。在大電流充電期間,電流保持恒定,這是由NCP1294脈沖電流限制和電流設置電路的脈沖完成的。除非最大功率點低于這個水平,電流都將保持在設計人員或用戶設定的充電速率,此時將充電到最大功率點調整率。
OOV比較器
NCP1294配備了一個OOV比較器,可以監測輸出電池電壓,以確定是否反饋機制已損壞,或遠程檢測受到超過電池溫度補償的電池電壓的影響。當斷開OOV時系統關閉。比較器可用在系統輸入或系統輸出,但推薦用作輸出的故障安全機制。當使用單電池系統時,可以使用18V的觸發點(trip point)或基于充電狀態設置觸發點。如果使用浮動電壓狀態,需要設置15 V為觸發電壓。
OUV功能
NCP1294的欠壓鎖定功能(OUV)功能可監測轉換器的輸入電壓,以確定是否輸入電壓水平會導致熱問題。OUV可以獨立監測輸入電壓,以確保輸入電壓在理想水平,從而提供最大輸出功率。
OTP功能
由于太陽能控制器可能以不恰當的方式使用,建議對降壓主開關的溫度進行監測,以確定它是否超過了最高溫度水平。如果主MOSFET的溫度已超過了適當的水平,過溫保護(OTP)可以抑制電流以減少系統功耗。
熱管理
NCP1294是一個低功耗器件。一旦確定了IC功耗,設計人員可以計算出所需的熱阻抗,以保持最差環境溫度下指定的結溫。太陽能控制器的熱性能受PCB布局影響很大。在設計過程中應格外小心,以確保IC和電源開關在建議的環境條件下工作。任何電源設計都應進行適當的實驗室測試,以確保在最差工作條件下設計所需的功耗。在測試過程中考慮的變量應包括最高環境溫度、最小氣流、最大輸入電壓、最大負載和元件變化(即最差情況下MOSFET的RDSON)。
太陽能電池板
NCP1294評估板支持的太陽能電池板在5 W和120 W之間。這里考慮的是行業標準類型的太陽能電池板。最常見類型的太陽能電池是晶體硅,它有兩種主要類型:單晶硅和多晶硅。單晶硅能效最高,但生產也比較昂貴,通常僅限于商業和住宅應用。非晶太陽能電池板由涂覆在不銹鋼或類似材料上的熔融硅薄膜構成。晶體結構非常脆弱,通常夾在兩片玻璃之間,以利于保護。單晶硅的效率為18%,多晶硅為15%,非晶態為10%。

圖6:太陽能控制器電路板
利用這個功能豐富而靈活的解決方案,工程師可以根據不同太陽能電池板的要求開發出適用的產品,讓最終用戶享用到先進半導體技術帶來的便利和更好的使用體驗。


