- 看LED協同電路如何解決LED過流過熱問題
- 配備故障安全備用過電流保護裝置
- 給第二類功率源增加設計彈性
- 保護輸入/輸出
發光二極管(LED)技術已經取得了快速的進展,而芯片設計和材料的改進促進了更亮、更耐用光源的開發,使光源應用范圍日益擴大。節能意識不斷的增強也加速了LED照明技術的普及。如今LED燈正憑借許多優勢迅速取代傳統照明方式,首先新型LED燈泡擁有從0.83~7.3瓦的低功耗以及可使用5萬小時的壽命;而LED燈泡耐熱、抗震,即開即用的特性,適合需要頻繁開關操作的場合,有助于滿足安全和綠色倡議;LED不含汞,燈泡摸上去不燙手,并可充分調光;且燈泡不會變色,而白熾燈在調光時會發黃;最后是采用不會干擾到無線電和電視訊號的電源安定器。雖然這項技術正在不斷普及,但LED照明廠商仍須繼續克服LED光源熱敏感性強的難題。熱量過多或應用不當都會使LED光源的性能大打折扣。
散熱管理決定LED壽命
使用一個60瓦白熾燈泡的燈具大約產生900流明照度,必須通過傳導耗散3瓦熱量。使用典型直流LED作為光源達到相同的900流明照度只需要十二個LED。假設順向電壓(VF)為3.2伏特,電流為350毫安,該燈具的輸入功率可按下列公式1計算:
功率=12x3.2伏特x350毫安=13.4瓦………公式1
在此情況下,約20%輸入功率轉換為光,80%則轉換為熱。這取決于多種因素,發熱可能與底層不規則以及聲子發射、密封、材料等有關。在LED產生的總熱量中,有90%透過傳導傳輸。表1為耗散來自LED接面的熱量,傳導是導熱的主要通道,因為對流和輻射僅占全部熱傳輸約10%。比如一個LED可能轉換近10.72瓦熱量(13.4瓦×0.8)。其中,9.648瓦(10.72瓦×0.9)透過傳導從LED接面傳輸或遷移。顯然,LED光源需要精確的功率和熱管理系統,因為與其他光源相比,提供給LED的電能大部分轉換為熱量。如果沒有適當的熱管理,這種熱量會影響LED壽命和色彩輸出。同時由于LED驅動裝置屬于硅組件,很快就會失效,因此必須配備故障安全備用過電流保護裝置。


圖1 順向電壓隨接面溫度升高而下降
[page]輸入/輸出保護防止負載異常
LED是透過定電流驅動的,其順向電壓介于2~4.5伏特之間,與顏色和電流有關。舊式設計依靠簡單電阻器限制LED驅動電流,但是基于廠家規定的典型順向壓降設計LED電路會導致LED驅動裝置過熱。當經過LED的順向壓降下降到遠低于典型規定值的水平時,可能會出現這種情況。在這類事件中,經過LED驅動裝置的電壓升高可能導致來自驅動裝置封裝的總功率耗散更高,因此對性能或壽命產生不利影響。
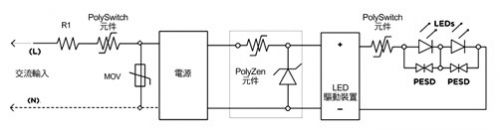
目前,多數LED應用利用功率轉換和控制組件連接各種功率源,如交流電線、太陽能電池板或電池,來控制LED驅動裝置的功率耗散。對這些接口加以保護,防止它們因過流和過溫而受損,常常用到具有可復位能力的聚合物正溫度系數(PPTC)組件(圖2)。可以與功率輸入串聯一個PolySwitch LVR組件,防止因電氣短路、電路超載或用戶誤操作而受損。此外,放在輸入端上的金屬氧化物變阻(MOV)也有助于LED模塊內的過壓保護。

圖2 開關模式電源的典型電路保護設計
PolySwitch LVR也可以放置在MOV之后。許多設備廠商選擇能保護電路與具備上游故障安全保護的可重設定PolySwitch組件組合。在本例中,R1是與保護電路組合使用的鎮流電阻,LED驅動裝置容易因直流電壓和極性錯誤而受損,輸出也會因有害短路而受損或毀壞,帶電埠也容易因過壓瞬態受損,包括靜電放電(ESD)脈沖。圖3表示針對LED驅動裝置和燈泡數組的典型電路保護設計,驅動裝置輸入上的PolyZen組件既為設計人員提供了傳統鉗位二極管的簡單性,同時又避免了對大量散熱片的需求。該組件有助于單個、小型封裝內的瞬態抑制、反向偏壓保護和過流保護。

圖3 LED驅動裝置輸入和輸出的協同保護方案
驅動輸出上的PolySwitch組件有助于防止因有害短路或其他負載異常而受損,為了充分發揮PolySwitch組件的作用,可以與金屬芯電路板或LED散熱片熱接,此外,與LED并置的PESD組件也可以對靜電放電加以保護。
第二類功率源增加設計彈性
在照明系統中采用第二類功率源可成為降低成本、提高彈性的重要因素之一。固有的有限功率源,如變壓器、電源供應器或電池等,可以包含保護組件,只要不依靠它們限制第二類功率源的輸出即可。非固有型的有限功率源,按照定義,具有一個分立保護組件,當電流和能量輸出達到預定值時它會自動中斷輸出,各種電路保護組件都有助于提供LED照明應用第二類功率源的安全操作。圖4表示了一種協同保護策略的工作原理,它在交流輸入上采用了一個MOV,在輸出電路分支上采用了一個PolySwitch組件,可以幫助廠商滿足UL 1310第35.1小節針對開關和控制裝置的過載試驗要求。

圖4 第二類功率源的協同保護方案
可重設PPTC組件可以防止因LED照明應用中過流和過溫故障造成的損害,MOV過壓保護組件有助于廠家滿足各種安全機構的要求,可提供大電流輸送和能量吸收能力,并快速響應過壓瞬態。與多數ESD保護組件相比,PESD組件電容極低,約0.25皮法,并且具有電子行業最普遍的形狀系數。
PolyZen組件既為設計人員提供了傳統鉗位二極管的簡單性,同時又避免了對大量散熱片的需求。這種單元件方案可以對因電源使用不當導致的受損提供保護,并具有瞬態抑制、反向偏壓保護能力,也可防止因過流事件而受損。在協同保護方案中使用這些組件可以讓設計人員減少組件數量,提供安全可靠的產品,滿足監管機構的要求,并減少保固和維修成本。



