- 學習自適應單純太陽能路燈控制器的設計
- 自適應單純太陽能供電路燈控制器設計特點及功能
- 采用PWM充電控制功能
- 采用合理的蓄電池充放電策略
大陽能路燈以其無需鋪設電纜,不消耗常規能源等優點得到了廣泛認可。然而太陽能路燈還存在一些問題造成其成本偏高,可靠性不穩定,、比如電池往往不到一年就需要更換,不僅提高了后期維護的費用,而且增加了客戶的消費成本,也造成了資源浪費。其次是太陽能屬于不穩定能源,而且能量分布不均,夏天能量充足,但路燈使用時間短,冬天有效光照時間短,但路燈使用時間長,大大降低了運行的可靠性,其原因主要受到太陽能路燈控制器性能的影響。太陽能控制器是太陽能光伏系統中的核心部分,主要完成對蓄電池的充、放電、調光和路燈的開、美控制,以及在過充、過放電、過載等情況發生時對系統進行及時和有效地保護,保證照明時間,確保可靠性,有效延長電池壽命,降低成本。
1 太陽能路燈控制器的主要設計要求和發展階段
太陽能路燈控制器的技術和質量的主要要求有:
1)供電系統,根據太陽能路燈蓄電池板特性,要設計成恒流輸出:
2)過充,過放保護;
3)具有系統功率調節功能;
4)建立網絡控制系統;
5)根據市場要求,產品模塊化。
太陽能路燈控制器的發展到日前為止已經經歷了3個階段:第一代功能比較簡陋,開關燈控制需要外接光敏感應器,定時時間不可設置,沒有電池保護電路,系統壽命非常短暫,很快就被市場淘汰:第二代在第一代的基礎上,設置了電池保護電路,通過太陽能路燈蓄電池組件搜集光敏數據,通過開關或程序設置定時,技術上有了階躍式的發展,逐漸被市場接受:第三代路燈控制器在于多數商家采用了PWM充電控制功能,對蓄電池進行涓流充電,有效延長了電池壽命,降低了使用成本,從而進一步擴大市場占有率。
一個好的控制器可以彌補甚至解決純太陽能路燈的諸多問題,提高其呵靠性。白適應太陽能供電路燈需要開發第四代控制器,它的特點是具有白適應燈的功率調節功能,電量檢測和剩余電量計算是必備的:同時具有組網功能,這樣可以保持整條街的路燈亮度一致,并可以進行通訊。
2 自適應單純太陽能供電路燈控制器的設計
日前各種現代控制理論,如白適應控制、自學習控制、模糊邏輯控制、神經網絡控制等先進控制理論和算法也大量應用在光伏發電系統中。其中自適應控制太陽能供電路燈控制器設計是值得推進的技術。
2.1設計目標
白適應單純太陽能供電路燈的設計目標:主要針對支路和供行人和非機動車通行的居住區道路和人行道路燈,對于南風能供電或風光互補的路燈系統本設計同樣適合:由于太陽能的不可靠性以及主干道的照明設計標準的嚴格性,單純太陽能供電比市電供電的路燈控制器的設計更為復雜,如系統控制需要太陽能和市電切換,則在本設計的基礎上進行精簡就好了。目標地點位于北京市內。
[page]
2.2 自適應單純太陽能供電路燈控制器設計特點及功能
白適應單純太陽能供電路燈控制器設計方案的宗旨:通過精確控制,達到降低成本,提高可靠性的日的。主要具有以下幾個特點及功能(以太陽能路燈儲能器件為鉛酸電池為例):
1)MPPT電路
根據太陽能路燈蓄電池板的特性,如將太陽能路燈蓄電池陣列的輸出電壓控制在某個恒定電壓值附近,則太陽電池在整個工作過程中近似日標在最大功率點處,太陽能電池組件的能量轉換效率最高。利用PWM技術并通過對負載穩壓來實現對LED的恒流,從而保證了LED的可靠使用141.采用意法半導體公司的MPPT專用芯片SPV1020.跟蹤效率可達98%,能量轉換效率為95%.理論上,使用MPPT技術會比傳統方法效率提高50%,實際測試中,由于周圍環境影響與各神能量損失,最終的效率也可以提高20%-30%.
2)過充過放保護
采用充電限壓,電池溫升檢測策略,如蓄電池電36 V,充電截止電壓42.5-43 V,充電截止溫度80℃,充電截止溫升30℃。不過絕大部分時間蓄電池基本處于欠充狀態。同時通過對電池電壓的數據實時采集,利用軟件控制對電池采取限壓保護:通過實時計算電池電量進行防過充過放保護,電量為100%時停止充電,電量為20%時停止放電,為延長其壽命,做了第二道防線。圖1 為蓄電池過充保護流程圖。

圖1 蓄電池過充保護流程圖
3)智控開關,實時監測,預警功能
進行太陽能路燈電池板電流檢測,蓄電池電壓檢測,蓄電池電量監測,以及環境溫度的檢測,采用光開時關,并實時上傳工作環境及狀態數據,預警故障,保證系統的可靠性。圖2為太陽能路燈的開、關控制流程網。

圖2 路燈的開、關控制流程圖
[page]4)亮度的自適應調節
通常太陽能路燈廠家為了保證連續陰雨天的正常工作,只一味地加大蓄電池容量,一般蓄電池的容量可達電池板容量的5倍,其實這樣做并不能解決問題。因為陰雨天工作的可靠性并不取決于電池的容量,而是由很多因素平衡而定的。根據當前地理位置,季節,時間,氣象條件,光的輻射量,浮塵濃度,工作環境以及剩余電量,自適應調節燈的亮度,合理分配能量。由于設計為純太陽能供電,不考慮雙電源情況,所以要想提高系統可靠性,唯一的方案就是犧牲燈的亮度。
根據當天用電前的剩余電量和當天的充電量來進行白適應調節,在保證正常照明的同時,使電池的工作點長期保持在高電位,并且使充放電深度在30%以下,根據電池循環壽命曲線,可以延長電池壽命4-5倍,有效降低太陽能路燈的成本,提高可靠性。以下將分別闡述剩余電量和充電量的計算過程。
2.2.1 電池電量檢測
1)電量檢測的算法
大量的實驗數據表明,電池老化時蓄電池的內阻與電荷之間有較高的相關性(0.88左右),蓄電池完全充電和完全放電時的內阻相差2-4倍,所以通過測量電池內阻可較準確地檢測電池電量。
2)建立內阻一電量一循環周期的關系曲線
為了得到實時剩余電量值,要建立一個電量和內阻之間關系的數據庫。
以時間為標準,就可以建立起內阻一電量一循環周期的關系曲線,然后通過Matlab的曲線擬合功能得出內阻,電量以及循環周期的關系式。蓄電池內阻與剩余電量關系曲線如
圖3所示,剩余電量隨著內阻的增大而成指數趨勢減小。

圖3 蓄電池內阻與剩余電量關系曲線
3)在線檢測電量
在太陽能路燈工作開始之前檢測出剩余電量,采用交流壓降內阻測量法測得內阻值,通過查做好的數據表,并進行數據校正,得到對應的電量值。
給電池施加一個固定頻率和固定電流(日前一般使用l kHz頻率、50 mA小電沆),然后對其電壓進行采樣,經過整流、濾波等一系列處理后通過運放電路計算出該電池的內阻值。圖4為在線測量剩余電量硬件框圖。

圖4 在線測量剩余電量硬件框圖
2.2.2充電量計算
充電量是通過太陽能電池板接收輻射強度和電池板面積計算得到的。太陽能電池板接收輻射強度為單日輻射強度與sin a的乘積,其中a為正午太陽輻射與電池板的平均夾角。電池板面積可參考配置計算部分的內容,并且經過優化得到的。
2.2.3剩余電量計算
通過計算電流在時域上的積分,可得出電量變化值,在路燈工作前檢測到的電池電量作為初始電量,則剩余電量為初始電量減去電量變化值。同時通過對MPPT電路的輸出電流做積分,作為電量變化的校正值,從而得到較準確的剩余電量值。圖5為剩余電量計算流程圖。

圖5 剩余電量計算流程圖
[page]1)Zighee無線通訊系統連網
保證整條路的路燈的開,關時間一致,馬路亮度均勻,保證駕駛安全,避免駕駛員視覺疲勞;實時傳送數據,進行遠程監測和控制:在線軟件升級,降低維護及調試成本:待機睡眠,降低系統功耗。將Zigbee無線傳感器網絡技術應用于蓄電池牛產過程中的充放電參數檢測中,將極大地提高產品測試的靈活性和可靠性,對提高蓄電池牛產質量和效率具有重要意義問。
2)模塊化可擴展性
設計的控制器的供電系統可以是模塊化的,設計采用恒流充電方式,所以電池板可擴展,LED模組可根據系統功率進行并聯擴展。
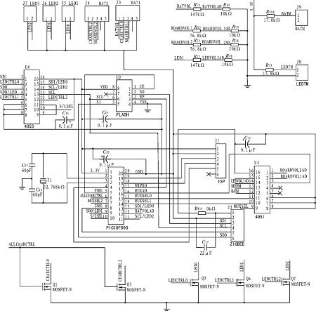
根據如上計算,具體設計框圖如圖6所示,為太陽能路燈控制系統硬件框架。圖7為太陽能路燈控制系統電路原理圖。

圖6 太陽能路燈控制系統硬件框架

圖7 太陽能路燈控制系統電路原理圖
3 自適應單純太陽能供電路燈控制器設計方案模擬
開關燈的時間根據天安門升降旗時間而定,如表1所示,全年最長點燈時長茌12月為14.52小時,最短為9.13小時。照明時間分為3個時段,第一個時段從當天天安門降旗時刻開始,為5個小時,第二個時段到早上5點,第三個時段從5點到滅安門升旗時刻,燈光亮度各時段權重比為5:2:3,如果以100 W光源為設計標準,則光源功耗最大為1.068 5 kW-h。

表1 照明策略基準參數
圖8顯示根據表1中的數據得m的各月太陽能電池板面積排列柱形罔,從而可以選定電池板的面積為柱形途中的拐點處2月的畫積值,太陽電池板面積為2.2 IT12.蓄電池為115 Ah.這樣選擇的原因是這樣可以保證全年85%的照明時間,剩下的15%為過放,不過要給白適應調節留下一個調節余量,所以選擇以2月數據計算fn的太陽能面積的值,即2.216 2 m2,過放的情況為3個月,過放比率為25%,從而有100/e的調節空間。

圖8 各月太陽能電池板對應面積排列柱形圖
4 結 論
白適應單純太陽能供電路燈控制器的設計,實現了以MPPT電路為控制核心的智能太陽能路燈控制器,具有外圍電路簡單,可靠性高的特點,實現了太陽能電池的最大功率點跟蹤,采用了合理的蓄電池充放電策略,實現算法簡單,既提高了太陽能電池板的使用效率,又延長了蓄電池的使用壽命,對于個別過分欠充、過充燈根據問題加大、減小電池板面積,更換電池或燈珠,根據每盞路燈的實際情況靈活調整其配置,可使每盞燈都工作在最佳狀態,不但保證了正常照明,而且避免了資源浪費,也降低了產品造價,具有一定的參考和推廣應用價值。




