中心議題:
- 智能高頻開關電源的整流模塊的設計方案
- 系統總體結構介紹
- 整流模塊的介紹
解決方案:
- 利用無源PFC 和DC/ DC 變換器的原理
- 采用雙管正激式DC/ DC 變換器
引 言
隨著我國科技生產水平的不斷提高,各行各業對供電質量的要求越來越高,而智能高頻開關電源作為一種繼電保護裝置和控制回路裝置,為生活和生產中的供電的可靠性提供了有力的保障。當市電供電中斷時還可以作為后備電源,所以說智能高頻開關電源是對供電質量保證的重要組成部分之一。它具有高度靈活組合、自主監控的特點,另外可靠性強、穩定性好且具有體積小、噪聲低、節能高效、維護方便等也是它的一大優點。
可以說智能高頻開關電源是一種集計算機技術、控制技術、通信技術于一體的高科技產品,可實現系統的自動診斷、自動測試和自動控制。本文主要闡述的是智能高頻開關電源的整流模塊的設計方案。
1 系統總體結構介紹
智能高頻開關電源系統的總體結構主要由主監控單元、配電模塊、交流配電單元、整流模塊等組成, 系統總體的結構圖如圖1 所示。系統中的各個監控單元受主監控單元的管理和控制,通過通信線將各個監控單元采集的信息送給主監控統一管理。主監控顯示直流系統各種信息,用戶也可以觸摸顯示屏查詢信息及操作,系統信息還可以接入到遠程監控系統中。系統除了交流監控、直流監控、開關量監控等基礎單位外,還配置了絕緣監測、降壓裝置、電池巡檢等功能單元,以達到對直流系統進行全面監控的目的。

圖1 系統控制原理圖
工作時兩路市電(交流) 經過交流切換裝置輸入一路交流, 給各個整流模塊供電。整流模塊將輸入三相交流電轉換為直流電,給備用電源(蓄電池) 充電, 同時也給合閘母線負載供電,另外合閘母線通過降壓裝置給控制母線供電。所以說本文設計的整流模塊是將整流和充電兩項功能結合于一體的一種新型的整流模塊。
2 整流模塊的設計
整流模塊是智能高頻開關電源系統中的一個重要部分,關系到系統的直流電壓輸出和工作時電壓輸出的穩定狀況。本文的設計主要是對模塊整流原理的改進和完善, 利用無源PFC 和DC/ DC 變換器的原理, 使得改進后的模塊能夠有效完成整流作用。
本文設計的整流模塊的工作原理框圖如圖2 所示,工作時, 模塊首先通過過防雷處理和濾波對輸入的三相交流進行處理,這樣才能保證模塊后級電路的安全; 經過處理后的三相交流經過整流和無源PFC 后轉換成高壓直流時,這時轉換的高壓直流要經過DC/DC變換器再次轉換成可變的直流電壓輸出; 另外模塊控制部分還有負責過壓、過流以及短路保護等作用,這樣才能保證輸出電壓的穩定, 也同時能對模塊各部件進行保護。模塊還在遠程監控中提供了 四遙 (遙控、遙調、遙測、遙信) 接口。[page]

圖2 整流模塊的的工作原理圖
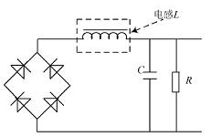
即功率因數校正( Pow er Factor Correct ion, PFC)是指有效功率與總耗電量( 視在功率) 之間的關系,也就是有效功率除以總耗電量( 視在功率) 的比值。無源PFC 是指不使用晶體管等一些有源器件組成的校正電路,一般情況下由二極管、電阻、電容和電感等無源器材組成。本文的PFC 主要是在整流橋堆和濾波電容之間加1 個電感, 具體原理如圖3 所示,利用電感上的電流不能突變的特性來平滑電容充電強脈沖的波動,改善電路中電流的畸變,并且利用電感上的電壓超前于電流這一特性來補償濾波電容電流超前電壓的特性, 使功率因數和電磁干擾都得以改善。
這種方式只是一種簡單的補償措施, 只能做到抑制電流瞬時突變的目的, 但電流畸變的校正及功率因數的補償能力都很差 。
DC/ DC 變換器將一個固定的直流電壓變換為可變的直流電壓,這種控制具有加速平穩、快速響應的性能,同時可以收到節約電能的效果。用直流斬波器代替變阻器可節約20% ~ 30%的電能。直流斬波器不僅能起到調壓作用, 還能起到有效抑制電網側諧波電流噪聲的作用。

圖3 無源PFC原理圖
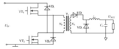
本文的DC/ DC 變換器采用雙管正激式DC/ DC 變換器, 它的原理如圖4 所示, 變壓器T 1 起隔離和變壓的作用,在輸出端要加一個電感器L o ( 續流電感) 起能量的儲存及傳遞作用, 變壓器初級無再有復位繞組, 因為VD1 , VD2 的導通限制了兩個調整管關斷時所承受的電壓。輸出回路需有一個整流二極管VD3 和一個續流二極管VD4 ( VD3 , VD4 最好均選用恢復時間快的整流管) 。輸出濾波電容CO 應選擇低、大容量的電容, 這樣有利于降低紋波電壓。雙管正激式DC/ DC 變換器的工作特點如下:
(1) 在任何工作條件下, 為使兩個開關管所承受的電壓不會超過UIN , Ud ( UIN 為輸入電壓; Ud 為VD1 ,VD2 的正向壓降) , VD1 , VD2 必須是快恢復管, 其在實際設計和調試中恢復時間越短越好。
(2) 與單端正激式DC/ DC 變換器相比, 它無須復位電路, 這有利于簡化電路和變壓器的設計; 它的功率器件可選擇較低的耐壓值;它功率等級也會很大。
(3) 兩個開關管的工作狀態一致, 會同時處于通態或斷態。所以使用在智能高頻開關電源這樣大功率等級電源中比較適合。

圖4 雙管正激式DC/DC變換器的電路圖
平滑濾波原理: 整流電路將交流電變為脈動直流電, 但其中含有大量的交流成分( 稱為紋波電壓) 。為了獲得平滑的直流電壓,應在整流電路的后面加接濾波電路, 以濾去交流部分。此時在橋式整流電路輸出端與負載之間并聯一個大電容,采用電容濾波后使二極管得到的時間縮短, 由于電容CO 充電的瞬時電流較大, 形成了浪涌電流, 容易損壞二極管, 故在選擇二極管時,必須留有足夠的電流裕量, 以免燒壞。[page]
3 整流模塊的功能介紹
整流模塊除了能將輸入的交流(380 V、50 Hz) 變換成額定的直流輸出(5A/ 230 V) 之外, 還具有保護功能和設置功能,現將模塊的保護功能和設置功能介紹如下:
3. 1 保護功能介紹
(1) 輸出過壓保護。輸出電壓過高會對用電設備造成重大事故, 為杜絕此類事故的發生, 在模塊內部設有過壓保護電路,當出現過壓后模塊自動鎖定, 同時模塊的故障指示燈亮, 模塊自動退出工作狀態, 從而不會影響到整個系統的正常運行。
(2) 輸出限流保護。因為每個整流模塊的輸出功率受到限制, 輸出的電流不能過大。因此,對每個模塊的輸出電流最大限制為額定輸出電流的1. 2 倍, 如果超出負載, 模塊自動調低輸出電壓以達到保護模塊的功能。
(3) 短路保護。整流模塊的輸出特性如圖5 所示,輸出短路時模塊在瞬間把輸出電壓拉低到零, 限制短路電流在限流點之下,此時模塊輸出功率很小, 以達到保護模塊的目的, 這樣模塊長期可以長期工作在短路狀態而不至于損壞,同時當故障排除后模塊可以自動恢復工作。

圖5 整流模塊輸出特性
(4) 模塊并聯保護。每個模塊內部均有并聯保護電路, 可以保證模塊發生故障時自動退出系統,從而不影響其他正常模塊的工作。模塊并聯輸出示意圖如圖6所示。

圖6 模塊并聯輸出示意圖
(5) 過溫保護。模塊的過溫保護主要是保護大功率變流器件, 這些器件的結溫和電流過載能力均有安全極限值, 正常工作的情況下,系統設計留有足夠余量, 但在一些特殊條件下, 如環境溫度過高、風機停轉燈情況下, 模塊檢測散熱器溫度超過一定值時, 就會自動關機保護,當溫度降低到能夠正常工作的溫度值時模塊才自動啟動。
(6) 過流保護。過流保護主要是保護大功率變流器件, 在變流的每一個周期, 如果通過的電流超過器件承受的電流, 模塊就會關閉功率器件,以達到保護功率器件的目的。
3. 2 調節功能介紹
(1) 電壓調節功能。模塊的電壓調節主要是指輸出電壓的調節, 在模塊的輸出端設有電壓調節電位器,當模塊和監控單元相連接時,輸出電壓也可以由監控系統設定, 這時電位器調節無效。
(2) 測量功能。模塊的測量功能主要是測量模塊的輸出電壓和電流以及模塊的工作狀態, 并通過LCD 顯示,可以使用戶直觀方便的了解模塊和系統的工作狀態。
(3) 遙控功能。遙控: 控制模塊的開/ 關機狀態, 以及備用電源( 蓄電池) 的均/ 浮充狀態; 遙調:對輸出電壓和輸出電流的調節控制; 遙測: 可以在模塊工作時測量輸出電流和輸出電壓的值; 遙信: 通過遠程監控監測模塊的工作狀態。
4 結 語
本文主要對智能高頻開關電源系統中的整流模塊進行的設計與研究, 利用無源PFC 電路的原理, 改善電路中電流的畸變, 外加DC/ DC 變換器抑制電網側諧波電流噪聲, 體現了智能高頻開關電源系統中整流模塊的優點,適用于鐵路、礦山等變電場所。該系統雖然能夠準確的進行交流變換, 但是在對備用電源充電時的均勻性方面都比較弱, 同時成本也比較高,同時在防雷濾波方面的改進也不是很完善, 所以還要在這些方面進一步的改善和提高。




