- 一種新型無源無損軟開關Boost變換器
- Boost變換器的工作原理
- 元器件都是采用無源元器件
- 有源和無源軟開關技術
1前言
開關電源目前存在五個挑戰性的問題,能否更加小型化就是其中之一。使開關電源小型化的重要途徑是提高開關頻率。高頻化能使變壓器和電感等磁性元件以及電容體積和重量大為減少,從而提高變換器的功率密度。但是提高開關頻率的同時也增加了開關損耗,并使電磁干擾更加嚴重。采用軟開關技術可以降低開關損耗,使開關電源可以在低損耗情況下實現高頻運行。其實現方法可分為有源和無源軟開關技術。有源軟開關技術在原有電路上附加有源器件(如開關),價格比較昂貴,工作時還要增加控制電路以對附加開關進行控制,電路復雜,可靠性比較差。相比之下,無源軟開關電路簡單,可靠性高,價格便宜。這些優點使得無源軟開關近幾年倍受青睞。對于PWM變換器,無源軟開關通過降低有源開關的di/dt和dv/dt來實現零電流導通和/或零電壓關斷,以減少開關損耗。文獻[1]對無源軟開關技術進行了總結,并提出了無源無損軟開關PWM變換器合成方法。根據這種方法,可以合成多種性能良好的軟開關PWM變換器。本文對其中的一種合成新型軟開關Boost變換器的工作原理及參數選擇進行了分析,給出理論波形和仿真波形,并對其進行分析。
2工作原理
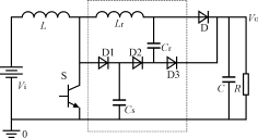
這種新型無源軟開關變換器在Boost基本拓撲基礎上附加了一個子電路,如圖1虛框中所示。

圖1新型無源無損軟開關Boost變換器
子電路包括一個電感Lr,兩個電容Cs、Cr,三個二極管D1、D2和D3。Lr提供主開關零電流開通條件,限制二極管D的反向恢復電流。電容Cs提供開關零電壓關斷條件。電容Cr為電感Lr能量恢復提供能量。這種變換器有七種運行模態。假設各種元器件為理想元器件,且Cs<Cr。下面對其進行分析。
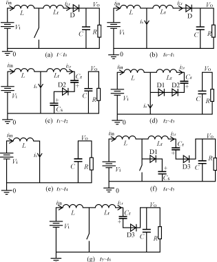
(1)t<t0
開關S處于關斷狀態,此時vcs=VO,vcr=0,iLr=iin。簡化電路如圖2(a)所示,波形圖如圖3所示。
(2)t0~t1
從t0開始,開關S導通,電流iLr線性下降,簡化電路如圖2(b)所示。t=t1時,電流iLr減少到零,二極管D關斷,波形圖如圖3所示。這段時間為:t0-1=t1-t0=(1)
(3)t1~t2
從t1開始,Cs開始經D2,Cr、Lr和開關S放電,vcr從零上升,電流iLr從零反方向增加,簡化電路如圖2(c)所示,波形圖如圖3所示。在此過程中,電流iLr、電容電壓vcs和電容電壓vcr由下面公式決定。iLr=-sin(ωt)(2)vcr=〔1-cos(ωt)〕(3)vcs=VO+〔cos(ωt)-1〕(4)
t=t2時,Cs放電過程結束,vcs=0,波形圖如圖3。電容電壓vcs從最大值降到零的時間ts由式(5)決定。ts=arccos(5)
(4)t2~t3
從t2開始,由于vcs=0,D1導通,電感Lr和電容Cr發生諧振,電感電流iL流經D1和D2,向Cr充電。電容電壓vcr繼續上升,簡化電路如圖2(d)所示。t=t3時,vcr達到最大值VCrmax,電感電流iLr降到零,波形圖如圖3所示。這段時間為:
t2-3=t3-t2=Tr(6)式中:Tr=2π為諧振周期。
(5)t3~t4
從t3開始,由于iLr=0,D1和D2關斷,vcr保持在最大值VCrmax。變換器工作在PWM狀態,且iL=is,簡化電路如圖2(e)所示,波形圖如圖3所示。t=t4時,開關S關斷。
(6)t4~t5
從t4開始,由于開關S關斷,電源Vi一路經L,D1向Cs充電,vcs從零開始上升;另一路則經L,Lr,Cr,D3向負載供電,同時電容Cr放電,vcr下降,iLr上升,簡化電路如圖2(f)所示。t=t5時,vcs達到VO。波形圖如圖3所示。
[page]
(7)t5~t6
從t5開始,vcs被鉗在VO,即VCsmax=VO;電源繼續經L,Lr,Cr,D3向負載供電,電容Cr繼續放電。t=t6時,電容電壓vcr降到零,同時電感電流iLr上升到Iin,iLr=Iin,簡化電路如圖2(g)所示,波形圖如圖3所示。

圖2新型無源無損軟開關Boost變換器的工作模態

圖3 Boost變換器各電流和電壓波形圖
(8)t6~t7
從t6開始,變換器重新工作在PWM狀態,簡化電路如圖2(a)所示。t=t7時,開關S導通,開始下一個周期的工作。
由上面各工作模態分析可知:當開關S導通時,由于iLr=Iin,電感電流不能突變,使得電流is從零開始上升;當開關S關斷時,由于vcs=0,電容電壓不能突變,把開關電壓vds鉗在零,當電源Vi對Cs充電時,開關電壓vds才開始上升,從而實現零電流開通和零電壓關斷,并且最大開關電壓Vdsmax被鉗在VO。也就是說,這種新型無源無損軟開關Boost交換器在沒有增加開關應力的基礎上實現了零電流開通和零電壓關斷。
3參數計算
附加子電路只給開關提供軟開關條件,因而其參數的設置條件是:保證附加子電路提供軟開關條件,但不影響原電路的工作。一般情況下,Cs的值小于10nF,而Cr的值是Cs的20倍以上。t1-2(也即ts,為Cs放電,vcs從VO降到零的時間)不宜太小,因為這段時間太小,開關電流上升的時間就短,di/dt將變大,使得EMI增大,也即電感Lr不宜太小。但是Lr也不宜過大,過大將使子電路的工作時間較長,增加了工作損耗,影響原電路的工作,并且也影響了電路零電流開通的條件。
[page]
4仿真結果
利用以上的電路原理,對一個帶有這種附加電路的Boost變換器進行仿真。參數如下:Cr=400nF,Cs=10nF,L=200μH,C=40μF,R=50Ω,Vi=15V。在其他參數確定的情況下,可用Pspice中的參數掃描分析功能確定Lr的值。分析結果取Lr=50μH。仿真結果如圖4所示。

(a)開關S電壓和電流的波形

(b)附加電感Lr電流與開關控制信號的波形

(c)附加電容Cr電壓與開關控制信號的波形
圖4 Boost變換器各電流及電壓仿真波形
由圖4可知,當開關導通時,開關電壓V(M1:d)(Vds)下降,由于電感Lr的作用,電流不能突變,使得開關電流is在開關電壓V(M1:d)(Vds)降到零后,才從零開始上升,實現了開關的零電流導通。當開關關斷時,由于電容Cs的鉗壓作用,開關電壓從低電壓上升,基本實現零電壓關斷。而電感電流iLr和電壓vcr波形與理論分析的是一致的。
5結論
而本文分析的電路附加電感Lr插在二極管D支路,電感在開關關斷時充電。由以上分析可知,兩個附加電路功能一樣,但在各個工作模態中對電路的作用卻不一樣。這種變換器外加元器件都是無源元器件,價格比較便宜,可靠性較強,損耗低,只需用一個控制電路對主開關進行控制,并且在不增加開關應力的情況下實現零電流開通和零電壓關斷。




