【導讀】隨著電力電子技術的發展,很多場合需要大功率大電流的直流電源。本文基于IGBT器件,利用DC/DC電源并聯技術設計大功率直流電源。該電源可用作EAST托卡馬克裝置中的大功率垂直位移快速控制直流電源。對該電源裝置進行了仿真和實驗,獲得了較為滿意的動靜態性能。
EAST的磁約束核聚變裝置使用的直流快控電源即是一種大功率直流電源,其技術要求為:電壓響應時間1ms峰值電壓50V;最大電流20kA,能實現4個象限的運行。針對此要求,不可避免地需采用電源并聯技術,即功率管并聯或電源裝置的并聯。對于20kA直流電源,若采用功率管IGBT并聯,每個橋臂則至少需15只功率管并聯,這不但給驅動帶來很大困難,而且,在一般情況下,電流容量較大的功率管的電壓容量也較大,在實際電壓只有50V 的情況下,對功率管的電壓容量而言,這是極大的浪費。因此,提出采用多米諾結構的DC/DC電源裝置并聯技術思路。
對電源并聯系統的基本要求為:
1)在電網擾動或負載擾動下保持輸出電壓穩定;
2)各模塊調制頻率一致。若不一致,則產生低頻脈動信號,增大輸出電流和電壓的紋波成分;
3)控制各模塊電流,使其均分負載電流。
大功率直流電源的拓撲結構
DC/DC電源并聯有兩種拓撲結構,一種是采用輸入直流母線結構,其系統結構框圖如圖1a所示,主要包括整流變壓器和不可控二極管整流電路,N 路DC/DC變換器,泵升電壓抑制電路等;另一種是采用獨立的AC-DC/DC電源并聯,系統結構圖如圖1b所示。

圖1:DC/DC電源模塊并聯的系統結構框圖(a-基于直流母線的DC/DC電源并聯;b-獨立AC-DC/DC電源并聯)
采用圖1a所示的拓撲結構,系統需大容量不可調直流電源,一般可采用整流變壓器降壓,二極管整流并經電容濾波得到。這種結構雖可保證并聯的每條支路有共同的直流電壓輸入,避免并聯支路因直流側輸入電壓不同而帶來的不均衡,但該直流電源的容量大,電流達20KA,直流母線承受的負荷過重,前級AC-DC設備要求較高,不易實現。另外,輸入端共用母線不利于實現完全意義上的獨立電源模塊的并聯。因此,采用如圖1b所示的AC-DC/DC直流電源并聯的拓撲結構。
圖1b所示的拓撲結構可保證每個AC-DC/DC電源模塊的獨立性,即可實現直流電源裝置的并聯,能夠根據實際的電壓,電流及功率的要求自由地增減模塊的個數!在實際應用中有很大的空間,有一定的研究價值。但這種拓撲結構也有它不利的一面!即若變壓器輸出電壓略有差別,則每個整流模塊的輸出電壓將不同,從而造成各整流模塊輸出電流嚴重不平衡。
不過,這種不平衡可采取如下相應措施進行抑制:首先,在采用獨立的AC-DC/DC電源并聯時,應盡量做到每個模塊的AC-DC/DC輸出直流電壓接近相等;其次,針對由于變壓器輸出電壓不同造成的各整流模塊輸出電流的不平衡,可在DC/DC環節設置均流措施。DC/DC模塊采用的是受限單極型脈寬調制方式(PDW),通過調節各DC/DC模塊的占空比使各回路的負載趨于平衡。當電源模塊給定電流正負切換時,可實現不同象限的運行,滿足系統4象限運行的要求。
大功率直流電源的控制方案
在托卡馬克快控電源的應用中,要求電源輸出電流實時跟蹤給定電流曲線。因此,該電源系統是電流隨動系統,系統的快速性將是一較重要的性能指標。而控制方式的選擇將影響整個系統的靜態與動態性能指標。
[member]
[page]
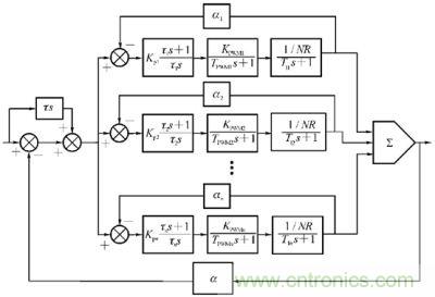
為更好提高系統穩態和動態性能指標的精度,實現電流跟隨性,采用兩級電流控制(圖2),即總電流環和模塊電流環相互配合,不僅可提高性能指標,且可實現各模塊電流的均衡。

圖2:并聯系統控制框圖
外環的主要功能是實現電流的實時跟蹤,采用反饋加前饋的復合控制方式。復合控制中的前饋控制不影響原系統的穩定性。但卻可在不增大開環增益的情況下大幅提高系統的穩態精度和動態性能。為達到控制效果。又不使前饋通道的結構變得復雜。前饋控制采用的是輸入信號的一階導數,且加到信號的輸入端。內環模塊電流環的主要功能如下。
1)改造控制對象的傳遞函數。
2)限制電流最大輸出,同時又實現各電源模塊的均流。
數據傳輸拓撲結構
EAST等離子體垂直位移快控電源的均流是裝置并聯的一重要問題。監控計算機和電源模塊的CPU數據傳輸采用主從方式(圖3),即由每一電源模塊的CPU 負載實現各自的電流控制,并向監控計算機發送該電源模塊狀態信息,監控計算機的作用是實現對各電源模塊的統一管理,包括向每個電源模塊發送啟動和停止指令。發送電流給定信號,采集直流輸出總電流,總電壓,交流輸入電壓及各電源模塊的交流電壓電流,直流輸出電流,溫度,熔絲斷,門禁等物理量等。同時與上一級EAST總控計算機及系統各電源模塊進行通訊,完成各種數據信息的自動上報,下報。模塊的自動切除與投入等任務。監控計算機給每個電源模塊傳輸相同的給定電流!在電源模塊電流環的調節控制作用下,通過單片機的軟件編程,實現輸出相同的負載電流!獲得較好的均流效果。

圖3:電源的數據傳輸拓撲結構
結語
對于類似托卡馬克快控電源這樣的大容量且對其,象限運行和電流跟蹤有較高要求的電源系統,可采用多個獨立的中小容量的電源模塊通過并聯來滿足電源總容量的需求。多電源的并聯面臨的一個關鍵問題是各組成模塊之間的均流。利用電源模塊的智能化和自動控制系統理論,使電源的各個組成模塊成為具有電流跟蹤能力的閉環系統!由控制規律而非硬件來實現各模塊之間的均流。如此形成的系統也將能夠滿足快控電源的快速電流跟蹤要求。這種設計方案所以能夠得到實現。關鍵在于具備了以下條件:
1)單片機在電源模塊和并聯系統中的嵌入式應用實現了裝置的智能化,大大提高了模塊調制頻率的一致性。有利于減小輸出電壓,電流的低頻紋波!克服了傳統方法難以實現各模塊調制頻率一致性的缺點;
2)采用PWM技術DC/DC環節具有快速響應能力;
3)基于控制理論的電流跟蹤技術能以硬件均流不同的思路實現模塊之間的均流,通過監控計算機的控制,向各模塊CPU 傳送相同的電流給定。實現電源模塊的靜態均流。
在需要大功率輸出的場合。此系統具有良好的應用前景。符合電源系統數字化控制的發展趨勢。






