【導讀】開關電源研制的系統主電路包括單相輸入整流、半橋逆變、高頻交流輸出、輸出整流幾部分。控制電路部分包括主電路開關管控制脈沖的產生和單片機智能化控制兩個部分。
單片機智能化控制系統包括模數轉換、數據處理、液晶顯示、微型打印機、串行通訊、時鐘芯片等幾部分。單片機控制系統實現的液晶顯示、微型打印機的各種打印功能使得整個系統的工作更加直觀、方便。
系統的整體設計結構:

圖1:整體結構框圖
主電路設計
開關電源的拓撲結構很多,考慮到我們要做的電源功率不是很大,且考慮成本問題,選用主電路拓撲結構為半橋式逆變電路。而且,由于電容的隔直流作用,半橋式電路對由于兩個開關管導通時間不對稱造成的變壓器一次電壓的直流分量有自動平衡作用,因此不容易發生變壓器的偏磁和直流磁飽和。
目前,雖然軟開關技術成為研究的熱點,但是基于現階段的實際情況及實驗室現有試驗條件,還是選擇硬開關電路比較合理。
該論文所研制開關電源的主電路結構設計如下:

圖2:主電路整體結構圖
如圖所示,電網220V交流電輸入以后,經過整流橋全橋整流,然后經過濾波電容濾波后供給半橋式的逆變電路進行逆變,得到高頻的交流脈沖電壓,然后經過高頻變壓器輸出(通過變壓器抽頭變化,實現兩檔輸出),再經過橋式整流電路整流、LC濾波電路濾波,最后輸出到負載。
控制電路
整個控制電路板的組成包括工作電源的提供、EXB841驅動芯片及外圍電路、SG3525集成PWM控制器及外圍電路、AVR單片機及外圍電路、和主電路接口、液晶顯示模塊接口、打印機接口幾個部分。
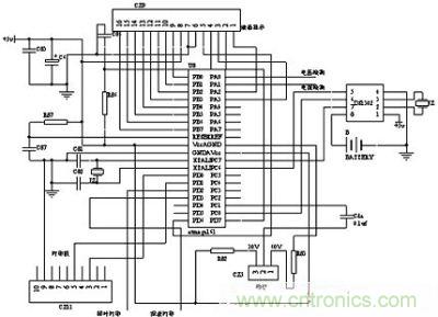
設計控制板結構框圖如下:

圖3:檢測、控制板框圖
控制板的整個工作過程:
220v交流電經過電源變壓器輸入到控制板上,經過整流穩壓輸出,提供板子上各部分的工作電源,包括EXB841工作用20v電源、單片機工作用5v電源、電流檢測用正負15v電源。這是提供工作電源部分完成的工作。
EXB841及其外圍電路部分,是將SG3525產生的PWM脈沖轉換為直接驅動IGBT的控制脈沖。EXB841是開關器件IGBT專用的驅動芯片。
SG3525及其外圍電路部分是根據電壓反饋完成PWM脈沖的產生。它是電壓型PWM集成控制芯片。SG3525內部集成有一個欠壓封鎖單元、一個參考電源穩壓器、一個振蕩器OSC、一個觸發器、一個比較器、一個PWM鎖存器、一個誤差放大器、兩個功率開關管、兩個或非門、兩個互補輸出功率放大MOSFET,共10部分電路。主要設計特點為:采用CMOS工藝制作,低功耗;極低的工作電源電流;逐脈沖封鎖功能;內含獨立雙推挽輸出通道;可單端輸出,亦可雙通道輸出工作;參考電壓精度高達1%;具有三態同步引腳,特別適用于并聯工作;具有欠電壓滯后關斷功能;可外接電容,實現軟啟動;脈沖上升下降響應時間僅為50ns;封鎖延遲僅為140ns;內部集成有低壓輸入保護環節。
和主電路接口指的是電壓檢測和電流檢測部分以及EXB841的輸出脈沖和逆變電路的連接。我們在實驗過程中采用霍爾元件進行電流檢測、用分壓電阻進行電壓直接檢測,并將檢測到的數值直接作為單片機模數轉換的輸入。
AVR單片機及其外圍電路,完成整個系統的檢測、顯示、打印功能,使得設計的開關電源實現人機對話智能化。整個系統采用液晶顯示模塊來隨時顯示電路的工作狀態,用微型打印機實現上電打印、即時打印、故障打印及報表打印等功能。
單片機控制系統
1)單片機控制系統的硬件設計
單片機系統完成對整個電源的工作參數的檢測、顯示、打印,故障報警,并對主回路進行自動控制。
檢測部分包括兩路模擬轉換,實現對實際電源正常工作電壓電流的檢測。采用單片機內部的模數轉換實現。電流檢測通過霍爾元件、電壓檢測通過分壓電阻將電路的實際工作狀態的電流電壓值作為AVR單片機模數轉換的輸入。
顯示部分采用EDM12232液晶顯示模塊。實現電壓電流數值的顯示,以及電壓電流超出時的報警。液晶顯示模塊和單片機之間是并行通訊。
打印部分選用了TP UP-AN系列的智能微型打印機,在單片機的控制下,實現報表打印、即時打印、故障打印、上電打印四種動作。采用時鐘芯片DS1302生成實時時鐘、日歷。
打印機和單片機之間采用串行通訊,占用AVR本身的URAT串行口。時鐘芯片DS1302則用普通IO口作為串行口和單片機之間實現串行通訊。
單片機外圍電路設計如下:

圖4:單片機外圍電路
2)單片機控制系統的軟件設計
單片機控制系統的軟件程序設計包括“模數轉換”“液顯初始化”“上電打印”“時間日期”“液晶顯示”“電壓超出”“電流超出”“即時打印”“故障打印”“報表打印”幾個子程序。其中上電后先調用“液顯初始化”“時間日期”“上電打印”三個子程序。“即時打印”“報表打印”是外部中斷執行。“電壓超出”“電流超出”“故障打印”是故障發生時自動打印。
“模數轉換”完成兩路模擬信號即電壓電流的轉換,“液顯初始化”可以顯示
“電壓: . v
電流: . A”。
“上電打印”完成微型打印機打印出“××年××月××日××時××分××秒 上電”
“時間日期”完成讀取當前的時間日期,為上電打印作準備,并把上電工作的起始時間存放。
“液晶顯示”完成“電壓:**.** V
電流:**.** A”
“電壓超出”完成液晶模塊顯示“電壓超出!!”
“電流超出”完成液晶模塊顯示“電流超出!!”
“即時打印”完成微型打印機打印“××年××月××日××時××分××秒
電壓:××.××V 電流:××.××A”
“報表打印”完成微型打印機打印
時間 電壓(單位:v) 電流(單位: a)
××× ××.×× ××.××
××× ××.×× ××.××
.... ..... ......
“故障打印v”完成微型打印機打印“××年××月××日××時××分××秒 電壓超出”
“故障打印a”完成微型打印機打印“××年××月××日××時××分××秒 電流超出”
主程序按照上面思路編寫的,這里省略了主程序流程圖。
該論文所有實驗,包括電路和程序都已經調試完畢,實現了如下技術指標:
1)給定電壓范圍0-4V連續可調
2)輸出功率:當輸出電壓為0-60V時,輸出電流為0-30A;當輸出電壓為0-30V時,輸出電流為0-60A。兩種工作狀態可以通過變換變壓器抽頭來互相轉換。
3)當儀器上電后,微型打印機可以上電打印其工作起始時間、即時打印工作情況。另外通過按鈕可以實現故障打印及報表打印;液晶顯示可以正常顯示工作情況,包括正常電壓電流值 以及報警顯示。
4)工作環境溫度:-10℃±40℃、自然空氣冷卻
5)儀器工作電壓:交流50HZ、單相220V±10%




