【導讀】電磁爐是一種利用電磁感應原理將電能轉換為熱能的廚房電器。那么家用電磁爐到底是怎么工作的呢?本文將為大家詳解家用電磁爐的工作原理,同時分享大家其工作原理電路圖。

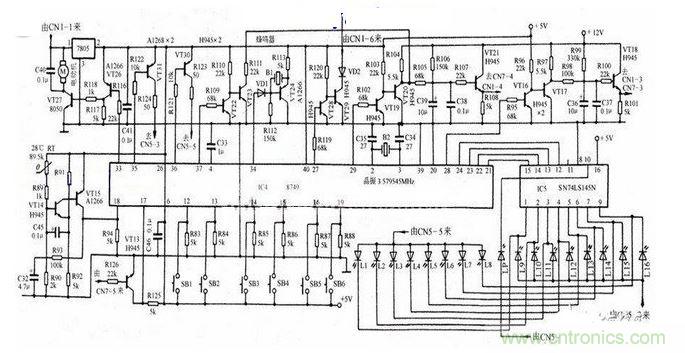
電磁爐是一種利用電磁感應原理將電能轉換為熱能的廚房電器。在電磁灶內部,由整流電路將50/60Hz的交流電壓變成直流電壓,再經過控制電路將直流電壓轉換成頻率為20-40KHz的高頻電壓,高速變化的電流流過線圈會產生高速變化的磁場,當磁場內的磁力線通過金屬器皿(導磁又導電材料)底部金屬體內產生無數的小渦流,使器皿本身自行高速發熱,然后再加熱器皿內的東西。如下圖所示,為家用電磁爐的原理電路圖。





