【導讀】UPS供電系統是電力、通信、銀行等行業的必備電源。本文所設計的UPS智能監控系統具備以下環節和功能:能在各種復雜的電網環境下運行;在運行中不會對市電產生附加的干擾;輸出電性能指標應該是全面的、高質量的,能滿足負載的各項要求。
引言
UPS供電系統是電力、通信、銀行等行業的必備電源,從產生到現在已有幾十年的發展歷程,在技術不斷發展和改進的過程中,其保護功能也在不斷地發生變化。UPS根據主機內逆變器的工作狀態可分為:后備式、在線式及在線互動式。他們的作用是對市電進行濾波、穩壓調整,以便向負載提供更為穩定的電壓,同時,通過充電器把電能轉變為化學能儲存在蓄電池內,一旦電力中斷、電網電壓或電網頻率超出UPS的輸入范圍,可在極短的時間內開啟自身的儲備電源,向負載供電。
本文所設計的UPS智能監控系統具備以下環節和功能:能在各種復雜的電網環境下運行;在運行中不會對市電產生附加的干擾;輸出電性能指標應該是全面的、高質量的,能滿足負載的各項要求;UPS本身應具有很高的效率,有接近實際市電的輸出能力;是一臺智能化程度很高的設備,有高度智能化的自檢功能,自動顯示、報警、狀態記憶功能以及通訊功能。
1 總體設計
該設計由主監控單元、交流檢測單元、電池檢測與巡檢單元、饋線檢測及調壓單元、絕緣監察及接地選線單元等單元模塊組成。這些模塊之間通過內部RS485進行通信,實現對電源柜的交流配電、蓄電池充放電過程、電池狀態、調壓狀態、母線對地電阻、饋出線開關狀態的實時監測、控制和報警處理。整個系統通過RS232和上位機進行通信以進行歷史數據的查詢和統計。
2 各單元介紹
2.1 主監控單元
主監控單元調度整個系統的運行。主監控單元由主監控板、320x240點陣液晶顯示屏、鍵盤及指示燈等組成,完成蓄電池充放電管理,運行及控制參數的設定和顯示,告警記錄的存儲、查詢,通過RS232和上位機通信,通過RS485控制內部各單元。

2.2 交流檢測單元
該單元主要完成三相交流電壓、電流及頻率的采集;同時具有交流失電、缺相、過壓、欠壓等告警功能;告警時繼電器告警接點閉合。通過調節板上電位器可校正三相交流電壓顯示值。
2.3 電池檢測與巡檢單元
該單元由電池檢測板和電池巡檢板組成(可選),主要完成電池組電壓(合母電壓)、充/放電電流、環境溫度及單體電池電壓的采集;電池熔絲狀態檢測;可通過輸出模擬電壓、電流給定來控制其他廠家的模塊或相控電源三相觸發板的電壓或電流給定(具體情況與廠家協商),提高了系統的兼容性;按時計量;同時完成合母過欠壓、電池過充、電池饋電及單體電池失效告警等功能;通過調節電池檢測板和電池巡檢板上的電位器可分別校正合母電壓和單體電池電壓顯示值。如圖2中所示。
2.4 饋線檢測及硅鏈調壓單元
由饋線檢測CPU板、開關量輸入板組成,實時檢測合母和控母的饋線開關狀態。通過開關量擴展口,可以檢測24路饋線。當出現開關變位或控母電壓越限時告警并通過硅鏈自動調節控母電壓(最多7節硅鏈凋壓)。通過調節饋線檢測板上電位器可校整控母電壓顯示值。
2.5 絕緣監察及接地選線單元
由絕緣監察檢測板和接地選線擴展板組成,主要功能是實時監測母線對地電阻,自定位接地支路。當母線對地電阻低于告警設定值時,告警繼電器閉合;通過接地選線擴展口連接接地選線,最多支持24路選線。
[page]
3 關鍵電路單元設計
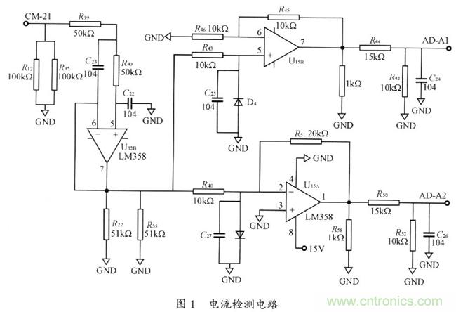
3.1 電流檢測電路
電池充放電電流的大小尤為關鍵。電路圖如圖1所示,因為是既檢測充電電流也檢測放電電流,故在小電阻上的電壓又是兩個方向,在電路檢測中用兩個通道分別檢測,這樣也便于分別進行信號的調理,同時也便于用A/D轉換器的一個輸入通道來測量。
3.2 合母電壓的監測
合母電壓監測電路如圖2所示。合母電壓流過電阻R16、R17、R54,在電阻R17上取樣,故而電阻R17應選用高精度電阻。R16和R54因為要比電阻R17大得多,又是出現在分母上,故而不必選用高精度電阻。LL的作用是抑制共模干擾。可以通過調節電位器Rp的大小來使所要監測電壓的大小符合A/D轉換器輸入電壓要求。
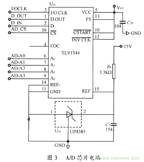
3.3 A/D轉換
A/D轉換芯片采用TLV1544。TLVl544的主要特點是:寬范圍的單電源供電,VCC可為2.7~5.5V;芯片內部有著較高的轉換速率,轉換時間小于10μs;芯片提供4路外部輸入通道,通過編程給芯片不同的狀態字設置可以任意選擇4個輸入通道之一;芯片有4個端口作為同步串行接口,通過SPI總線的形式與微處理器連接;11位A/D轉換,足以滿足系統的要求。如圖3所示。

控制對從選定的通道中輸入的模擬信號的采樣開始。由高變低開始模擬輸入信號的采樣;由低變高使采樣和保持功能處于保持狀態,并開始模/數轉換。獨立于輸入/輸出時鐘信號,當為高時,開始工作。為低的持續時間控制開關電容陣列采樣周期的持續時間。當不用時,接高電平。引腳(E0C)在A/D轉換結束時變為高電平來表明轉換完成。本單元通過查詢EOC電平來判斷是否轉換完成從而進行數據的讀取。
3.4 通信電路設計
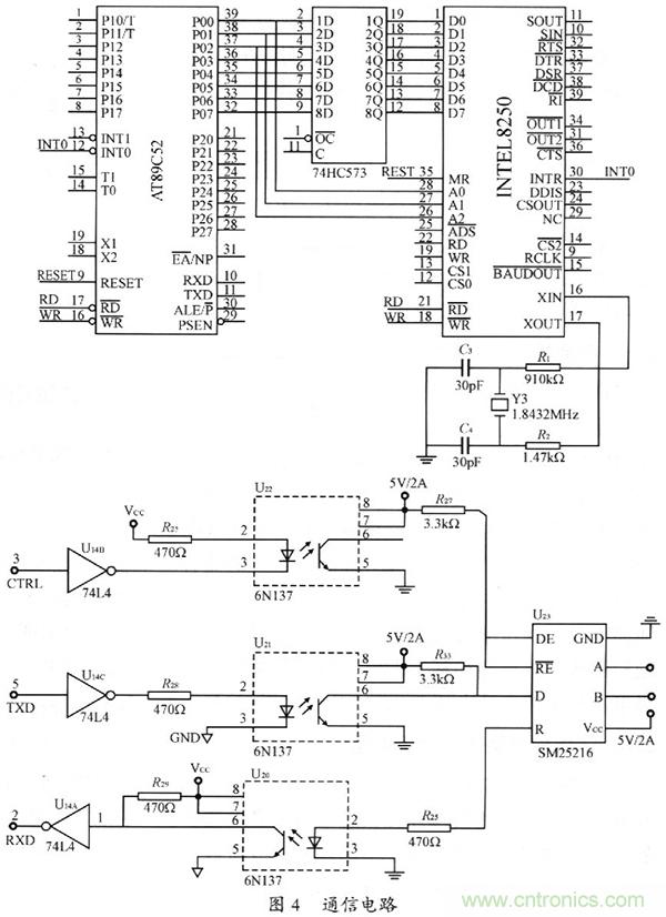
整個系統內部通過RS485進行通信。具體電路如圖4所示。因為控制芯片都采用AT89C52,作為主監控單元CPU只有一個串口,而其并口也沒有充分利用起來,故通過可編程串行接口芯片8250擴展串口,用并口來模擬串口。

3.5 X5045電路設計
X5045電路的設計如圖5所示。本器件將四種功能合于一體:上電復位控制、看門狗定時器、降壓管理以及具有塊保護功能的串行EEPROM。它有助于簡化應用系統的設計,減少印制板的占用面積,提高可靠性。將其與CPC以SPI總線方式連接,讀寫簡單,其內部的EEPROM還可以保護一些重要數據。

3.6 系統時鐘設計
采用功能齊全的時鐘芯片DS1306。DS1306的時間、日歷和報警器可以通過寫相應的寄存器位來設置和初始化。通過讀相應寄存器就可獲得日歷和時間。DSl306的電源供給有三種運行方式,本系統采用可充電電池的方式,如圖6所示。

4 結語
(1)本智能電源監控系統根據電池的特點進行智能電池充放電管理,在實際使用中起到了延長電池使用壽命的作用;
(2)各模塊的485通信使得系統具有完善的告警處理及事故追憶功能從而可以全面掌握系統運行狀態。




