【導讀】恒流源是能夠向負載提供恒定電流的電源,因此恒流源的應用范圍非常廣泛,并且在許多情況下是必不可少的。關于恒流源電路設計有很多種,這里將分享給大家5種恒流源電路設計,任你選擇!
恒流源是能夠向負載提供恒定電流的電源,因此恒流源的應用范圍非常廣泛,并且在許多情況下是必不可少的。例如在用通常的充電器對蓄電池充電時,隨著蓄電池端電壓的逐漸升高,充電電流就會相應減少。為了保證恒流充電,必須隨時提高充電器的輸出電壓,但采用恒流源充電后就可以不必調整其輸出電壓,從而使勞動強度降低,生產效率得到了提高。恒流源還被廣泛用于測量電路中,例如電阻器阻值的測量和分級,電纜電阻的測量等,且電流越穩定,測量就越準確。
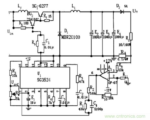
采用開關電源的開關恒流源
采用開關電源的開關恒流源電路構成如圖2.3.2所示。BG1為開關管,BG2為驅動管, RL為負載電阻, RS為取樣電 阻, SG35 24為脈寬調制控制器, L1、E2、E3、E4為儲能元件, RW提供基準電壓Uref。 圖采用開關電源的開關恒流源工作原理:減小開關器件的導通損耗和開關損耗是提高電路效率的關鍵。為此,器件選擇飽和壓降小、頻率特性好的開關三極管和肖特基續流二極管。

扼流圈L1的磁芯上再繞一個附加線圈,利用電磁反饋降低開關三極管的飽和壓降,并采用合理的結構設計,使電路的分布參數得到有效的控制。當電源電壓降低或負載電阻RL 降低時,則取樣電阻RS 上的電壓也將減少,則SG3524的12、13管腳輸出方波的占空比增大,從而使BG1導通時間變長,使電壓U0回升到原來的穩定值。BG1關斷后,儲能元件L1、E2、E3、E4保證負載上的電壓不變。當輸入電源電壓增大或負載電阻值增大引起U0增大時,原理與前類同,電路通過閉環反饋系統使U0下降到原來的穩定值,從而達到穩定負載電流IL 的目的。
[page]
集成運放構成的線性恒流源

采用集成運放構成的線性恒流源 電路構成如圖所示,兩個運放(一片324)構成比較放大環節, BG1、BG2三極管構成調整環節, RL 為負載電阻, RS為取樣電阻, RW為電路提供基準電壓。工作原理:如果由于電源波動使Uin降低,從而使負載電流減小時,則取樣電壓US必然減小,從而使取樣電壓與基準電壓的差值(US- Uref)必然減小。由于UIA為反相放大器,因此其輸出電壓Ub=(R5/R4)×Ua必然升高,從而通過調整環節使US升高恢復到原來的穩定值,保證了US的電壓穩定,從而使電流穩定。當Uin升高時,原理與前類同,電路通過閉環反饋系統使US下降到原來的穩定值,從而使電流恒定。調整RW,則改變Uref,可使電流值在0~4A之間連續可調。
[page]
壓控恒流源電路設計
壓控恒流源電路設計 壓控恒流源是系統的重要組成部分,它的功能是用電壓來控制電流的變化,由于系統對輸出電流大小和精度的要求比較高,所以選好壓控恒流源電路顯得特別重要。采用如下電路: 電路原理圖如圖2.4.3所示。該恒流源電路由運算放大器、大功率場效應管Q1、采樣電阻R2、負載電阻RL等組成1、硬件設計。

電路中調整管采用大功率場效應管IRF640。采用場效應管,更易于實現電壓線性控制電流,既能滿足輸出電流最大達到2A的要求,也能較好地實現電壓近似線性地控制電流。因為當場效應管工作于飽和區時,漏電流Id近似為電壓Ugs控制的電流。即當Ud為常數時,滿足:Id=f(Ugs),只要Ugs不變,Id就不變。在此電路中,R2為取樣電阻,采用康銅絲繞制(阻值隨溫度的變化較?。柚禐?.35歐。運放采用OP-07作為電壓跟隨器, UI=Up=Un,場效應管Id=Is(柵極電流相對很小,可忽略不計) 所以Io=Is= Un/R2= UI/R2。正因為Io=UI/R2,電路輸入電壓UI控制電流Io,即Io不隨RL的變化而變化, 從而實現壓控恒流。 同時,由設計要求可知:由于輸出電壓變化的范圍U〈=10V,Iomax=2A,可以得出負載電阻RLmax=5歐。
[page]
電源電路設計
本系統對電源有較高的要求。設計電源時既要保證電源的高穩定度,也要保證電源能輸出大于2A的電流,故本系統采用三級管1264來擴流而且在使用電源時必須充分考慮電源的效率。電源電路如圖所示,此電源電路采用了LM317和LM337,其輸出電壓是連續可調的,輸出電壓調到為+15V和-15V來供給硬件電路使用,其中-15V的電源是供運放使用的,不需要擴流;而+15V的電源的負載電流要求不低于2A,所以采用三級1264來擴流。另外用LM7805產生+5V的電壓供凌陽SPCE061A單片機使用。

線性恒流源、開關恒流源,可靠性高,調整方便,在科研中已得到了應用。其中線性恒流源適用于蓄電池的恒流放電,開關恒流源適用于蓄電池的恒流充電,集成穩壓器構成的恒流源適用于電阻測量等。SPCE061A單片機作為中央控制器,本系統有功能強、性能可靠、體積小、電路簡單的特點。本系統最小可步進1mA ,精度也比較高。輸出電流范圍較寬。,硬件部分中采樣電阻的熱穩定性要較好,硬件中的核心模塊為壓控恒流源,其核心元件采用場效應管其性能和穩定性均高于三極管。
[page]
采用集成穩壓器構成的開關恒流源
采用集成穩壓器構成的開關恒流源 電路構成如圖所示。MC7805為三端固定式集成穩壓器,RL 為負載電阻,RW為可調電阻器。 工作原理:固定式集成穩壓器工作在懸浮狀態,在輸出端2和公共端3之間接入一電位器RW,從而形成一固定恒流源。調節RW,可以改變電流的大小,其輸出電流為:IL=( Uout/RW) +Iq式中Iq 為MC7805的靜態電流,小于10m A。當RW較小即輸出電流較大時,可以忽略Iq。當負載電阻RL 變化時,MC7 8 05用改變自身壓差來維持通過負載的電流不變。

RW 的確定:RW 的值可由RW=Uout/IL 確定。因Uout=5 V,IL=0.5~2A,因此確定的取值范圍為2.5~10Ω。 輸出電壓和負載變化范圍的確定:根據設計要求,本例的輸出電壓U0=10V。由于恒流源的輸出電流可調范圍為0.5~2A,因此相應的負載變化范圍為5~20Ω。 以上幾種恒流源結構簡單,可靠性高,調整方便,在科研中已得到了應用。其中線性恒流源適用于蓄電池的恒流放電,開關恒流源適用于蓄電池的恒流充電,集成穩壓器構成的恒流源適用于電阻測量等。



