【導讀】本篇文章主要介紹了UC3842輸入電路的原理以及一些常見電路,通過對原理圖的講解,來幫助大家深入了解UC3842這款優秀的電源控制芯片。希望大家在閱讀過本篇文章之后能夠對UC842的輸入電路有進一步的了解。
UC3842是一款經典且常見的電源控制管理芯片,由于其功耗低的同時外圍電路的簡單性,收到了設計者和廣大初學者的喜愛。網絡上對UC3842的相關資料介紹也非常多,本篇文章將主要對UC3842的輸入電路進行整合性的介紹,并對其中的常見電路進行介紹。
AC 輸入整流濾波電路原理

圖1輸入濾波、整流回路原理圖
防雷電路
當有雷擊,產生高壓經電網導入電源時,由MOV1、MOV2、MOV3:F1、F2、F3、FDG1組成的電路進行保護。當加在壓敏電阻兩端的電壓超過其工作電壓時,其阻值降低,使高壓能量消耗在壓敏電阻上,若電流過大,F1、F2、F3會燒毀保護后級電路。
輸入濾波電路
C1、L1、C2、C3組成的雙π型濾波網絡主要是對輸入電源的電磁噪聲及雜波信號進行抑制,防止對電源干擾,同時也防止電源本身產生的高頻雜波對電網干擾。當電源開啟瞬間,要對C5充電,由于瞬間電流大,加RT1(熱敏電阻)就能有效的防止浪涌電流。因瞬時能量全消耗在RT1電阻上,一定時間后溫度升高后RT1阻值減小(RT1是負溫系數元件),這時它消耗的能量非常小,后級電路可正常工作。
整流濾波電路
交流電壓經BRG1整流后,經C5濾波后得到較為純凈的直流電壓。若C5容量變小,輸出的交流紋波將增大。
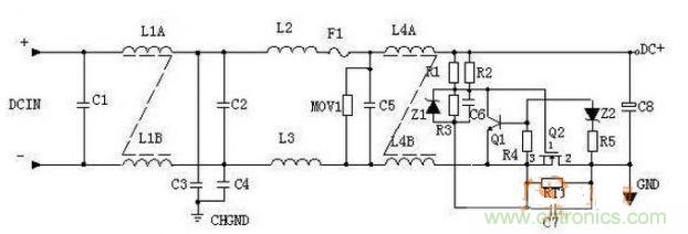
DC 輸入濾波電路原理

圖2 DC輸入濾波電路原理
輸入濾波電路:C1、L1、C2組成的雙π型濾波網絡主要是對輸入電源的電磁噪聲及雜波信號進行抑制,防止對電源干擾,同時也防止電源本身產生的高頻雜波對電網干擾。C3、C4為安規電容,L2、L3為差模電感。
R1、R2、R3、Z1、C6、Q1、Z2、R4、R5、Q2、RT1、C7組成抗浪涌電路。在起機的瞬間,
由于C6的存在Q2不導通,電流經RT1構成回路。當C6上的電壓充至Z1的穩壓值時Q2導通。如果C8漏電或后級電路短路現象,在起機的瞬間電流在RT1上產生的壓降增大,Q1導通使Q2沒有柵極電壓不導通,RT1將會在很短的時間燒毀,以保護后級電路。



