【導讀】在工業系統中,將多個大功率的模塊電源通過并聯方式實現均流可以有效保證輸出電壓的穩定,也能夠維系整個系統的正常工作運行。那么,工程師在面對DC-DC變換電路的設計時,應該如何保證這種多個電源模塊并聯電路的設計是最有效的呢?
下面我們將會通過一個案例,來進行具體的分析。
相信很多工程師都非常了解DC-DC變換電路,這種電路是將一組電參數的直流電能轉換為另一組電參數的直流電能的電路。根據工業系統正常的60%以上輸出功率的要求,模塊須采用DC-DC降壓變換電路(Buck電路)以此實現8V直流輸出電壓。Buck電路的實現可以由分離原件與專用集成芯片組成。下面我們將會對三種不同的設計思路進行綜合比對。
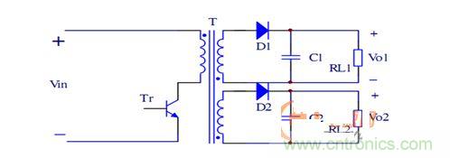
首先我們來看第一種設計方案,該方案通過采用PWM控制的高頻開關變壓器的方式來實現變換電路的設計。如下圖所示,反激式DC-DC變換器開關管(Tr)導通時,變壓積能量,截止時輸出能量。反激式優點是:結構簡單、外圍元件少,要扼流圈和續流二極管。輸出電壓公式為:

當多個電源模塊進行并聯時,由于在該系統中是由一個PWM控制器同時控兩路,兩路的開關管在高頻下始終是導通和關斷的,所以電容上始終保持同時充電和放電,因此并聯時兩路電流始終保持相等。缺點是:變壓器存在漏感,將在原邊形成很大電壓尖峰,可能擊穿開關器件,且負載調整率差、電源效率低。同時,由于在整個系統中電源能量均由變壓器T儲存,體積較大,而且需要開氣隙。

圖為反激式DC/DC電路
接下來我們來看第二種設計思路。第二個DC-DC電源模塊并聯電路的設計中,采用了TI公司的PWM控制芯片TL494,驅動P溝道MOS管IRF9630。TL494內部集成兩個誤差放大器,通過反饋能對PWM信號的占空比進行調節,內部自帶5V基準,這種方式能夠對輸出電壓實現精確控制。
除了上面提及的兩種設計思路之外,還有第三種DC-DC電源模塊并聯電路的設計方案,那就是采用開關電壓調節芯片LM2596-ADJ實現多個電源模塊的并聯和均流輸出。LM2596能夠輸出3A的驅動電流,同時具有很好的線性和負載調節特性。可調版本可以輸出小于37V的各種電壓。該器件內部集成頻率補償和固定頻率發生器,開關頻率為150KHz,與低頻開關調節器相比較,可以使用更小規格的濾波元件。由于該器件只需外接少量元件,使用方便。
在詳細的對以上三種方案進行介紹和分析之后,我們可以比較清楚的發現,雖然三種設計方法都能滿足電源效率不低于為60%,但是方案二需要使用PWM控制芯片TL494,所接外部器件比較多,而且需要自制高頻開關變壓器,性能無法得到保證。因此,在綜合比較之后,第三種采用LM2596芯片作為DC-DC模塊的主器件,具有可靠,穩定的性能,改變外部電阻可以較好的控制,比較適合目前國內的工業控制系統需求。




