【導讀】本文首先介紹了關于EMI 常規知識以及在開關電源中使用的各種緩沖吸引電路。然后介紹了在EMI中和傳導相關的共模及差模電流產生的原理,靜點動點的概念,并詳細的說明了在變壓器的結構中使用補償設計的方法。最后介紹了EMI 的發射產生的機理和頻率抖動及共模電感的設計。
目前,Y 電容廣泛的應用在開關電源中,但Y 電容的存在使輸入和輸出線間產生漏電流。具有Y 電容的金屬殼手機充電器會讓使用者有觸電的危險,因此一些手機制造商目前開始采用無Y 電容的充電器。然而摘除Y 電容對EMI 的設計帶來了困難。具有頻抖和頻率調制的脈寬調制器可以改善EMI 的性能,但不能絕對的保證充電器通過EMI 的測試,必須在電路和變壓器結構上進行改進,才能使充電器滿足EMI 的標準。
1 EMI 常識
在開關電源中,功率器件高頻開通關斷的操作導致電流和電壓的快速的變化是產生EMI的主要原因。
在電路中的電感及寄生電感中快速的電流變化產生磁場從而產生較高的電壓尖峰:
在電路中的電容及寄生電容中快速的電壓變化產生電場從而產生較高的電流尖峰:

磁場和電場的噪聲與變化的電壓和電流及耦合通道如寄生的電感和電容直接相關。直觀的理解, 減小電壓率du/dt和電流變化率di/dt及減小相應的雜散電感和電容值可以減小由于上述磁場和電場產生的噪聲,從而減小EMI干擾。
1.1 減小電壓率du/dt和電流變化率di/dt
減小電壓率du/dt和電流變化率di/dt可以通過以下的方法來實現:改變柵極的電阻值和增加緩沖吸引電路,如圖2和圖3所示。增加柵極的電阻值可以降低開通時功率器件的電壓變化率。

圖3中,基本的RCD箝位電路用于抑止由于變壓器的初級漏感在開關管關斷過程中產生的電壓尖峰。L1,L2 和L3可以降低高頻的電流的變化率。L1和L2只對特定的頻帶起作用。L3對于工作于CCM模式才有效。 R1C1,R2C2,R3C3,R4C4 和 C5可以降低相應的功率器件兩端的高頻電壓的變化率。
所有的這些緩沖吸引電路都需要消耗一定功率,產生附加的功率損耗,降低系統的效率;同時也增加元件的數日和PCB的尺寸及系統的成本,因此要根據實際的需要選擇使用。

1.2 減小寄生的電感和電容值
開關器件是噪聲源之一,其內部引線的雜散電感及寄生電容也是噪聲耦合的通道,但是由于這些參數是器件固有的特性,電子設計和應用工程師無法對它們進行優化。寄生電容包括漏源極電容和柵漏極的Miller電容。
變壓器是另外一個噪聲源,而初級次級的漏感及初級的層間電容、次級的層間電容、初級和次級之間的耦合電容則是噪聲的通道。初級或次級的層間電容可以通過減小繞組的層數來降低,增大變壓器骨架窗口的寬度可在減小繞組的層數。分離的繞組如初級采用三明治繞法可以減小初級的漏感,但由于增大了初級和次級的接觸面積,因而增大了初級和次級的耦合電容。采用銅皮的Faraday屏蔽可以減小初級與次級間的耦合電容。Faraday屏蔽層繞在初級與次級之間,并且要接到初級或次級的靜點如初級地和次級地。Faraday屏蔽層使初級和次級的耦合系數降低,從而增加了漏感。
2 傳導干擾
2.1 LISN
EMI測試由傳導干擾CE和輻射干擾RE組成,這兩種噪聲分開的檢測和評價。對于不同的應用,不同的地區和國家都有相應的標準,這些標準對于頻段的寬度和限制值都作了十分明確的定義。例如對于手機充電器屬于FCC15/EN55022 CLASS B,傳導干擾測量的頻率范圍為0.15MHz 到30MHz , 輻射干擾測量的頻率范圍為30MHz 到1GHz 。具體的內容可以參考相關的標準FCC,CIRPR和EN等。
傳導干擾指在輸入和輸出線上流過的干擾噪聲,測試的方法見圖4所示。待測試的設備EUT通過阻抗匹配網絡LISN(或人工電源網絡)連接到干凈的交流電源上。

LISN的作用如下:
1) 隔離待測試的設備EUT和交流輸入電源,濾除由輸入電源線引入的噪聲及干擾。
2) EUT產生的干擾噪聲依次通過LISN內部的高通濾波器和50 Ω電阻,在50 Ω電阻上得到相應的信號值送到接收機進行分析。
由圖4可見:EUT放置在絕緣的測試臺上,測試臺下部裝有接地良好的鐵板,測試臺及鐵板的尺寸和安裝都在特定的規定。
傳導干擾來源于差模電流噪聲和共模電流噪聲,這兩種類型的噪聲干擾見圖5所示。Y電容直接和傳導干擾相關。

差模電流在兩根輸入電源線間反方向流動,兩者相互構成電流回路,即一根作為差模電流的源線,一根作為差模電流的回線。共模電流在兩根輸入電源線上同方向流動,它們分別與大地構成電流回路,即同時作為共模電流的源線或回線。
2.2 變壓器模型
變壓器所包含的寄生電容的模型見圖6中所示。
① Cp: 初級繞組的層間電容。
② Coe: 輸出線到大地的電容。
③ Cme: 磁芯到大地的電容。
④ Ca: 最外層繞組到磁芯的電容。
⑤ Ct: 輔助繞組到次級繞組的電容。
⑥Cs: 初級繞組到次級繞組的電容.
⑦ Cm: 最內層初級繞組到磁芯的電容。

2.3 差模電流
差模電流噪聲主要由功率開關器件的高頻開關電流產生。
① 功率器件開通
在功率器件開通瞬間存在電流的尖峰,圖7所示。

開通電流尖峰由三部分組成:
(1) 變壓器初級繞組的層間電容充電電流。
(2) MOSFET漏源極電容的放電電流。
(3) 工作在CCM模式的輸出二極管的反向恢復電流。
開通電流尖峰不能通過輸入濾波的直流電解電容旁路,因為輸入濾波的直流電解電容有等效的串聯電感ESL和電阻ESR,這樣就產生的差模電流在電源的兩根輸入線間流動。注意:MOSFET漏源極的電容的放電電流對差模電流噪聲無影響,但會產生輻射干擾。

功率器件開通瞬間形成的差模電流為IDM 為:
對于變壓器而言,初級繞組兩端所加的電壓高,初級繞組的層數少,層間的電容越少,然而在很多應用中由于骨架窗口寬度的限制并為了保證合適的飽和電流,初級繞組通常用多層結構。本設計針對四層的初級繞組結構進行討論。

對于常規的四層初級繞組結構,在開關管開通和關斷的過程中,層間的電流向同一個方向流動。在圖9中,在開關管開通時,源極接到初級的地,B點電壓為0,A點電壓為Vin,基于電壓的變化方向,初級繞組層間電容中電流流動方向向下,累積形成的差模電流值大。
② 功率器件關斷
在功率器件關斷瞬間,MOSFET漏源極電容的充電,變壓器初級繞組的層間電容放電,這兩部分電流也會形成差模電流,如圖10所示。

功率器件關斷瞬間形成的差模電流為IDM 為:


同樣,基于電壓的變化方向,初級繞組層間電容中的電流流動方向向上,累積形成的差模電流值大。
③功率開關工作于開關狀態,開關電流(開關頻率)的高次諧波也會因為輸入濾波的直流電解電容的ESL和ESR形成差模電流。

差模電流可以通過差模濾波器濾除,差模濾波器為由電感和電容組成的二階低通濾波器。從PCB設計而言,盡量減小高的di/dt的環路并采用寬的布線有利于減小差模干擾。
由于濾波器的電感有雜散的電容,對于高頻的干擾噪聲可以由雜散電容旁路,使濾波器不能起到有效的作用。用幾個電解電容并聯可以減小ESL和 ESR,在小功率的充電器中由于成本的壓力不會用X電容,因此在交流整流后要加一級LC濾波器,圖13所示。

如果對變壓器的結構進行改進,如圖14和15所示,通過補償的方式可以減小差模電流。注意:初級繞組的熱點應該埋在變壓器的最內層,外層的繞組起到屏蔽的作用。
同樣的基于電壓的變化方向,可以得到初級繞組層間電容的電流流動的方向,由圖14 和15 所示可以看到,部分的層間電流由于方向相反可以相互的抵消,從而得到補償。


2.4 共模電流
共模電流在輸入及輸出線與大地間流動,其產生主要是功率器件高頻工作時產生的電壓的瞬態的變化。共模電流的產生主要有下面幾部分:
① 通過MOSFET源級到大地的電容Cde。如果改進IC的設計,如對于單芯片電源芯片,將MOSFET源極連接到芯片基體用于散熱,而不是用漏極進行散熱,這樣可以減小漏極對大地的寄生電容。PCB布線時減小漏極區銅皮的面積可減小漏極對大地的寄生電容,但要注意保證芯片的溫度滿足設計的要求。
②通過Cm 和Cme產生共模電流。
③ 通過Ca 和 Cme產生共模電流。
④ 通過Ct 和Coe產生共模電流。
⑤ 通過Cs 和Coe產生共模電流,這部分在共模電流中占主導作用。減小漏極電壓的變化幅值及變化率可減小共模電流,如降低反射電壓,加大漏源極電容,但這樣會使MOSFET承受大的電流應力,其溫度將增加,同時加大漏源極電容產生更大的磁場發射。


電壓如果系統加了Y電容,由圖17所示, 通過Cs的大部分的共模電流被Y 電容旁路,返回到初級的地,因為Y電容的值大于Coe。Y電容必須直接并用盡量短的直線連接到初級和次級的冷點。作為一個規則,如果開通葉MOSFET的dV/dt大于關斷時的值,Y電容連接到初級的地。反之連接到Vin。
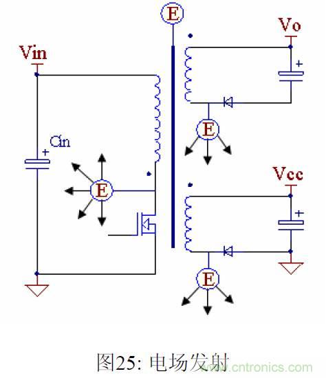
強調:電壓沒有變化的點稱為靜點或冷點,電壓變化的點稱為動點或熱點。初級的地和Vin都是冷點,對于輔助繞組和輸出繞組,冷點可以通過二極管的位置進行調整。圖18中,A,B和Vin為冷點,F,D,B和C為熱點;而圖19中,A,Vcc,Vin和Vo為冷點,D,F和G為熱點。


去除Y電容無法有效的旁路共模電流,導到共模電流噪聲過大,無法通過測試標準,設計的方法是改進變壓器的結構。一般的法加利屏蔽方法不能使設備在無Y電容的情況下通過EMI的測試。由于MOSFET的漏極端的電壓變化幅值大,主要針對這個部位進行設計。永遠注意:電壓的變化是產生差模及共模電流的主要原因,寄生電容是其流動的通道。
前面提到Cm和Cme及Cme和Ca也會產生共模電流,初級層間電容的電流一部分形成差模電流,有一部分也會形成共模電流,這也表明差模和共模電流可以相互的轉換。
如果按圖20結構安排冷點(藍色點)和繞組,在沒有Y電容時,基于電壓改變的方向可以得到初級繞組與次級繞組及輔助繞組和次級繞組層間電容的電流的流動方向,初級繞組和輔助繞組的電流都流入次級繞組中。


調整冷點后如圖21 所示,可以看到,初級繞組與次級繞組及輔助繞組和次級繞組層間電容的電流的流動方向相同,可以相互抵消一部分流入次級繞組的共模電流,從而減小總體的共模電流的大小。
輔助繞組和次級繞組的整流二極管放置在下端,從而改變電壓變化的方向,同時注意冷點要盡量的靠近,這樣因為兩者間沒有電壓的變化,所以不會產生共模電流。
進一步,如果在內層及初級繞組和次級繞組間放置銅皮,銅皮的寬度小于或等于初級繞組的寬度,銅皮的中點由導線引線到冷點,如圖22 所示,由于銅皮為冷點,與其接觸的繞組和銅皮間電壓的擺率降低,從而減小共模電流,同時將共模電流由銅皮旁路引入到冷點。注意銅皮的搭接處不能短路,用絕緣膠帶隔開,內外層銅皮的方向要一致。

輔助繞組和次級繞組的共模電流可以由以下方法補償:
① 加輔助屏蔽繞組
輔助屏蔽繞組繞制方向與次級繞組繞制方向保持一致,輔助屏蔽繞組與次級繞組的同名端連接到一起并連接到冷點,輔助屏蔽繞組的另一端浮空。由于它們的電壓變化的方向相同,所以兩者間沒有電流流動。
②加外層的輔助屏蔽銅皮
輔助屏蔽銅皮的中點連接到到輔助繞組的中點。同樣,基于電壓的變化方向分析電流的流動方向,可以看到,兩者之間的電流形成環流,相互補償抵消,從而降低共模電流。

3 EMI 輻射干擾
3.1 電場和磁場發射
輻射干擾的測試在專門的屏蔽室中進行,待測試的設備放在轉臺上,天線分別放在水平和垂直的位置上下移動掃描,檢測到信號送到接收機進行分析。

輻射干擾的測試包括電場發射和磁場發射,電場發射由du/dt產生,磁場發射由di/dt產生。注意:空間電容是電場發射的通道,共模電流可以產生相當大的電場發射。.

初級繞組電壓變化的幅值大,對于電場發射起主導作用。磁芯也是一個電場發射源。在系統的PCB底層鋪銅皮或額處加一塊銅皮或單面板,可以有效的減小電場發射和共模電流。

高di/dt 的環路通過環路的寄生電感產生磁場發射,次級側的電流變化幅值大,對于磁場發射的起主導作用。磁場發射形成的方向見圖27所示,方向符合右手定則。
高di/dt環路的寄生電感隨環路面積增大而增大,因此磁場發射對于PCB的設計非常關鍵。次級側的電流環面積要盡量的小,布線要盡量的短粗。

變壓器的雜散磁場也是一個磁場發射源,其主要由變壓器的氣隙產生。E型磁芯在兩側開氣隙時雜散磁場大,在中心柱開氣隙時雜散的磁場小。在變壓器的最外面包裹銅皮,銅皮兩端短接,用導線連接到冷點,可以減小雜散的磁場。因為雜散磁場在銅皮中產生渦流,渦流反過來產生磁場阻礙變壓器雜散磁通的外泄。輸出棒狀及鼓狀的差模電感如同一個天線產生大的磁場發射。使用前述的相關的緩沖吸引電路可以減小相應的磁場發射。

注意:手機充電器要帶長的輸出線(1.8m)進行測試,長的輸出導線也如同一個天線,并將共模電流放大,從而形成較大的共模電場輻射,這種輻射只有通過上面變壓器的結構進行抑止,在沒有頻率拌動或頻率調制的系統中,還得加輸出共模電感。才能有效的減小在30~50M間的電場發射。
需要說明的是:傳導和輻射及差模和共模電流間可以相互轉換,具體的理論相當復雜,遠遠超出作者的知識范圍,特表歉意。
3.2 共模電感設計
共模電感的兩個繞組分別與輸出的二根線串聯,注意到當輸出電流在每個繞組流過時,它們在磁芯中形成的磁通方向是相反的,可以相互的抵消,平衡的條件下磁芯中的磁通為0,因此共模電感不會因為輸出的負載電流產生飽和。當同方向的共模電流在兩個繞組中流過時,其在磁芯中形成的磁通方向是相同,阻抗增加,從而衰減共模電流信號。

設計過程:
① 選擇磁芯材料
鐵氧體是一個較好的具有成本優勢的材料。
② 設定電感的阻抗
對于一個給定的要求衰減的頻率,定義此頻率下共模電感的感抗為50~100Ω,即至少50%的衰減,因此有:Z =ωL
③ 選擇磁芯的形狀的和尺寸
成本低漏感小的環形磁芯非常適合于共模電感,但是這種形狀不容易實現機械化繞制,一般用手工繞制。磁環尺寸的大小選取有一定的隨意性,通?;赑CB的尺寸選取合適的磁芯。為了減小共模電感的寄生電容,共模電感通常只用單層的線圈。若單層繞制時磁芯無法容納所有的線圈,則選用大一號尺寸的磁環。當然也可以基于磁芯的數據手冊由LI的乘積選取。
④ 計算線圈的匝數
由磁芯的電感系數AL計算共模電感的圈數:
⑤ 計算導線的線徑
導線允許通過的電流密度選取為:400~800A/cm²,由此可以得到要求的線徑。
3.3 頻率抖動或調制
事實上,噪聲是基于特定的頻帶和步長(傳導是9KHz)來檢測的,當開關頻率固定時,基于開關頻率的電流變化和電壓變化的高頻高次諧波如2次,3次,4次,…… 會在一個特定的頻率點處疊加,這樣以此頻率點為中心的一個窄帶內噪聲的值就較高。芯片有頻率抖動或調制時,開關的頻率不是固定的,而是在一定的范圍內變化,頻率變化的范圍通常以名義的開關頻率為中心上下變化不大于4KHz,以免影響到系統的正常工作。如基頻即工作頻率變化范圍為±4KHz,則2次諧波頻率變化的范圍為±8KHz,3次諧波頻率變化的范圍為±12KHz ……,這樣對于一個特定的頻率點噪聲在更寬的頻帶內分布,因此噪聲的值降低。頻率越高,特定的頻率點頻帶分布越大,噪聲值也就越低。頻率抖動或調制的原理見圖28所示。
從圖29至圖32可以看到:沒有頻率抖動或調制時諧波分布窄,噪聲值在諧波頻率點處較高。有頻率抖動或調制時,諧波值平滑而且較小,從圖29至圖32還可以看出:頻率抖動或調制對準峰值降低不大,而對平均值降低十分時顯。在測試RE時,由于頻率抖動或調制的作用,即使從波形看某一頻點似乎沒有余量,但接收機在讀點時很難抓取到幅值最大點,因此讀點時讀取值仍有范圍內有一定余量。





3.4 浮空電壓波形
測量變壓器初級和次級靜點的電壓波形及變壓器磁芯的電壓波形可以為EMI的傳導測試提供一些參考。
常規結構的變壓器的初級和次級靜點電壓波形的幅值為10V并且可以明顯的看到基于開關頻率的開關波形。新的結構的變壓器的初級和次級靜點電壓波形的幅值為5V,基于開關頻率的開關波形不是很明顯。
常規結構的變壓器的磁芯電壓波形的幅值為18V并且可以明顯的看到基于開關頻率的開關波形。新的結構的變壓器的磁芯電壓波形的幅值為5V,基于開關頻率的開關波形不是很明顯。


附:PI 無Y 電容的變壓器結構
(1)芯片有頻抖功能,芯片可以不需要輔助繞組供電。
(2)變壓器最外面裹銅皮,銅皮兩端短接并引線到初級的地。

其中:實心黑點圈為繞制時的起點,空心點為骨架換方向后繞制時的起點。具體的各繞組的在骨架內的分布如圖36所示。

以上內容轉載自電源研發精英圈微信公眾號。
推薦閱讀:





