【導讀】在小功率設計中,一般很少用到整流橋的并聯,但在某些大功率輸出的情況下,不想增添新的器件單個整流橋電流又不滿足輸入功率要求,就需要用到整流橋的并聯了,整流橋的并聯不能采用兩個整流橋各自整流后直流并聯的方式,也就是不能采用圖1的方式,因為整流橋沒有配對,單純靠自身的V-I特性,一般是無法均流的,這樣就會造成兩個整流橋發熱不一致。
1、整流橋并聯
在小功率設計中,一般很少用到整流橋的并聯,但在某些大功率輸出的情況下,不想增添新的器件單個整流橋電流又不滿足輸入功率要求,就需要用到整流橋的并聯了,整流橋的并聯不能采用兩個整流橋各自整流后直流并聯的方式,也就是不能采用圖1的方式,因為整流橋沒有配對,單純靠自身的V-I特性,一般是無法均流的,這樣就會造成兩個整流橋發熱不一致。而采用圖2的方式,通常認為在一個封裝內的兩個二極管是非常匹配的,是可以均分電流的,所以采用圖2的方式就可以實現整流橋的并聯了。
2、浮地驅動
在驅動電路設計中,經常會提到MOS管需要浮地驅動,那么什么是浮地驅動呢?簡單的說就是MOS管的S極與控制IC的地不是直接相連的,也就是說不是共地的。以我們常用的BUCK電路為例,如下圖:控制IC的地一般是與輸入電源的地共地的,而MOS管的S極與輸入電源的地之間還有一個二極管,所以控制IC的驅動信號不能直接接到MOS管的柵極,而需要額外的驅動電路或驅動IC,比如變壓器隔離驅動或類似IR2110這樣的帶自舉電路的驅動芯片。
當然還有另外的方式,那就是采用別的方式給控制IC供電,然后將控制IC的地連接到MOS管的S端,這樣就不是浮地了,控制IC的輸出就可以直接驅動MOS管。

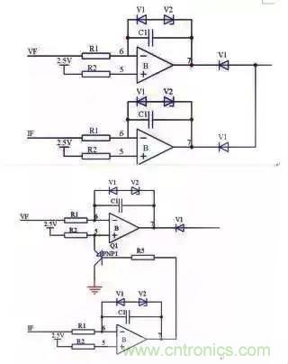
3、滯環比較器
在保護電路中,為了防止保護電路在保護點附近來回震蕩,所以一般都增加一定的滯環。
在下圖中,1M電阻就起到滯環的作用,如果沒有1M電阻,很明顯,VF電壓達到2.5V運放輸出低電平,低于2.5V,運放輸出高電平。增加1M電阻后,在運放輸出低電平時,6腳電平為0.7+(2.5-0.7)*1000/1010=2.48V。當VF低于6腳電平后,7腳輸出高電平(如果運放供電15V,7腳輸出可按照14V計算)可以計算此時6腳電平為2.5+(14-2.5)*10/1010=2.61V,如果這是一個輸入欠壓保護電路,且VF為100:1的取樣,則當輸入電壓高于261V,電路正常工作,當電壓低于248V才會欠壓保護,這樣就增強了保護電路的抗干擾能力。
一般經常用到滯環比較器的地方有:過欠壓保護電路、轉燈電路等。

4、誤差放大器輸出鉗位電路
設計電源中,無論是恒壓源還是恒流源,只要是閉環控制,總少不了誤差放大器,在進入閉環之前,誤差放大器輸出電壓為最高值,正常來說,誤差放大器供電一般在15V左右,則誤差放大器的輸出在開環的時候為14V左右,隨著輸入信號的增加,達到穩壓(穩流)點后,誤差放大器從最高點開始降低直到閉環需要的值,在誤差放大器輸出降低過程中,時間越常自然輸出超調越大電路越不容易進入穩定。
增加一個二極管+穩壓管后,可以在一定程度上改善這個問題,如下圖所示,如果穩壓管是5V的,那么在開環的時候,誤差放大器輸出被鉗位在6V左右,這樣當進入閉環的時候,誤差放大器輸出就不是從14V開始下降而是從6V左右,降低到閉環需要的電壓值自然需要的時間就短,電路就越容易進入穩定。
大家可以去看看IC內部的誤差放大器輸出,無論IC供電電壓多少伏,誤差放大器輸出電壓的最大值應該都不會是IC供電電壓,而是6V左右吧,不知道是不是也是基于這個原因。

5、雙環控制系統的切換
在設計電路中,帶有限流功能的恒壓源及帶有限壓功能的恒流源相信大家都不陌生,很多網友在設計電路的時候,有時候會采用下圖所示電路,一個穩壓環一個穩流環,逐漸增加負載,穩流環輸出低電平進入限流,當負載減小退出限流的時候,穩壓環需要一個切換時間,那么就出現了兩環路都不工作的一個空白區,在這時間內,電路相當于開環,對電路來說,總歸不是好事。 但如果第二個電路,就不存在這樣的問題,限流的時候,穩流環拉低穩壓環的基準,在這個過程中,兩個環路都在工作,即使在限流過程中,突然斷開負載,由于穩壓環一直在工作,所以在很短時間內電路就會進入穩定。而不會出現上述電路的空白區。

6、漏感的測量
在電源變壓器設計過程中,相信大家都很清楚變壓器的漏感如何測量,很多網友經常在帖子里提到,我的變壓器電感1mH漏感600uH,如果你也測量到這種情況,那么最好再確認一下,因為我們知道漏感儲存的能量是無法傳遞到副邊的,如果你的變壓器參數如上所說,你想想你的變壓器的效率會有多少?還有的網友會納悶,自己繞的變壓器明明漏感測試的不大,為什么在應用中會出現那么大的尖峰?因為在實際工作中,不僅僅變壓器的漏感在起作用,你的布線電感也在起作用。
正確的測試漏感的方法應該是其余器件先不焊,將變壓器首先焊接在PCB上,然后用粗短線將MOS管,輸出整流二極管短接,將輸出濾波電容短接,從輸入濾波電容測量進去得到的是輸入的漏感。將輸入濾波電容短接,從輸出濾波電容測量進入,得到的是輸出端的漏感,這樣的測試方法考慮了PCB的分布電感,更接近實際的情況。
7、MOS管的驅動
借用一個圖,這個圖是過欠壓、過流保護的電路,分別通過兩個光耦控制驅動信號,正常情況下光耦導通,MOS管導通,出現異常后光耦切斷,MOS管斷開,這個圖至少有兩個明顯的錯誤,大家看看在哪里。(R6R7為1k,R25R26為10k)

8、反饋電路中兩個電阻的選擇依據
以384X電路為例,常用的光藕隔離反饋電路接法有兩種,一種是將2腳接地,光藕4腳接1腳,通過拉低1腳的電平來實現穩壓。
有的人覺得這種方式不合理,會采用下圖的方式,這種方式也是一樣的道理,這里以下圖為例說明電阻R5及R6的選擇。
電路中,R7、R8接成比例放大,放大倍數為1,也就是R7=R8,電容C2主要起濾波作用,我一般選擇的很小100P。如果電流采樣信號在0-1V范圍內,電路都正常工作,對應COMP端電壓,就是就是1V--4.4V(內部二極管壓降認為0.7V,1V為PDF提供的最低工作電壓)那么折算到R6上電壓應該能在0.6V--4V變化。如果光藕傳輸比為β,則可以得到下面的式子 4≤R6*(V0-2.5-1.1)*β/R5
也就是說,當光藕原邊流過最大電流的時候,副邊電流在R6上的壓降應不小于4V。至于R5的選擇,我在另一個帖子提到,一般光偶原邊電流控制在5mA即可,這樣就可以選擇R6的值。

9、小功率反激類電源的調試
小功率反激類輸出電源,對于經常設計的人來說,基本都是空載或輕載直接上電,由于 已經輕車熟路,所以基本不會有什么問題,主要問題在于參數的優化。但對于菜鳥或新手來說,有時候電路原理還不是很明了,想通過動手來加強印象,如果自己做出來的電源直接上電,估計炸機的可能性會超過一半,所以還是循序漸進好一些。首先,單獨給控制IC供電,看看IC工作是否正常,主要看頻率及MOS管的驅動信號,如果單獨供電,IC都工作不正常的話,你如果直接上電后果是什么不用說了吧?IC單獨供電正常后,我一般都是找一個帶限流功能的直流輸出電源給自己設計的電源供電,然后空載上電,看輸出電壓是否正常,由于直流輸出電源帶限流功能,所以即使存在問題也是供電電源限流保護,空載輸出電壓正常再逐漸加載。如果沒有帶限流功能的直流電源,我的意見也不要貿然直接加交流,可以在交流輸入端串聯一個白熾燈做限流功能,然后看空載是否正常,如果正常后再將白熾燈去掉加交流,這樣會安全一些。
10、交叉調整率是如何產生的

上面這個圖,如果沒有R及L,就是一個很普通的反激電路輸出整流的兩個繞組,在這里,R為變壓器及布線部分的直流阻抗,L為變壓器繞組的漏感,N1N2就是理想的變壓器繞組了。對于理想的變壓器繞組,繞組電壓正比于匝比,也即是如果5匝繞組輸出5V,那么10匝繞組輸出就是10V。
如果第一個繞組是穩壓5V輸出的,在空載情況下,繞組基本沒有電流,R1、L1上壓降可以不考慮,二極管壓降為電流是零時候的壓降值。這個時候N1繞組電壓可以認為是輸出電壓5V+二極管壓降0.4V。那么10匝繞組的電壓就是2*(5+0.4)=10.8V,繞組空載的時候,輸出電壓為10.4V,隨著第二個繞組帶載電流增大,電阻R2及L2上壓降增加,二極管V2壓降也增加,那么C2上電壓逐漸開始降低,這個電壓的變化為N2繞組的負載調整率,而不是交叉調整率。
在輔繞組負載不變的情況下,如果主繞組帶載變化,隨著電流的增加,R1、L1及V1的壓降都會增加,從而引起N1繞組電壓的增加(因為要保證C1上電壓不變)。假設主繞組帶載后N1繞組電壓由原來的5.4V變成了6V.那么N2繞組的電壓將變成12V,輸出電容C2上的電壓就會變成11.6V,這個由于主繞組帶載而引起的輔繞組電壓由10.4V變成了11.6V的情況,就是交叉調整率。



