【導讀】以下將介紹12種電源拓撲及輸入輸出電壓關系計算,分別包括:BUCK電路,BOOST電路,BUCK BOOST電路,SEPIC電路,FLYBACK電路等。
1、BUCK電路

輸入輸出電壓關系

開關管電壓
二極管反向電壓
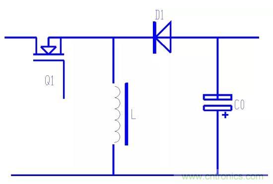
2、BOOST電路

輸入輸出電壓關系

開關管電壓
二極管反向電壓
3、BUCK BOOST電路

輸入輸出電壓關系

開關管電壓
二極管反向電壓
4、SEPIC電路

輸入輸出電壓關系

開關管電壓
二極管反向電壓
5、FLYBACK電路

輸入輸出電壓關系

開關管電壓

二極管反向電壓

6、FORWARD電路

輸入輸出電壓關系

開關管電壓
二極管反向電壓

7、2 SWITCH FORWARD電路

輸入輸出電壓關系

開關管電壓
二極管反向電壓

8、ACTIVE CLAMP FORWARD電路

輸入輸出電壓關系

開關管電壓

二極管反向電壓

9、HALF BRIDGE電路

輸入輸出電壓關系

開關管電壓
二極管反向電壓

10、PUSH PULL電路

輸入輸出電壓關系

開關管電壓
二極管反向電壓

11、FULL BRIDGE電路

輸入輸出電壓關系

開關管電壓
二極管反向電壓

12、PHASE SHIFT ZVT

輸入輸出電壓關系

開關管電壓
二極管反向電壓






