【導讀】隨著工業智能化進程的不斷深入,嵌入式系統對供電的要求越來越高,對輸入電壓范圍也越來越寬,對輸出電流精度要求也日益提高。如何保持寬電壓輸入而供電電流能夠保持穩定?本文將介紹常見的電源恒流電路。
隨著工業智能化進程的不斷深入,嵌入式系統對供電的要求越來越高,對輸入電壓范圍也越來越寬,對輸出電流精度要求也日益提高。如何保持寬電壓輸入而供電電流能夠保持穩定?本文將介紹常見的電源恒流電路。
在科技高速發展的當下,產品快速開發已成常態化。嵌入式系統的強大的處理能力,對電源模塊的要求越來越高,對輸入電壓范圍也越來越寬。寬電壓輸入就會導致供電電流隨輸入電壓變化而變化,為了全電壓輸入范圍的情況下,保證電源模塊啟動能力的一致性,增加一個恒流電路給控制芯片供電。
一、理想的恒流源
理想的恒流源是電流不隨輸入電壓的變化而變化,不受環境溫度的影響,內阻無窮大。但是,實際中的恒流電路跟理想的還是存在差距,所以要根據實際應用選取合適的恒流源電路。
二、幾種簡單的恒流源介紹
由兩個三極管組成的恒流源電路,如電路圖1。

圖1
由兩個同型號的三極管,根據三極管Vbe電壓相對穩定,以及三極管的基極電流相對集電極電流較小的特點,組成一個電流相對恒定的恒流源,電流Io=Vbe/R1;這個恒流源沒有用到特殊器件,兩個三極管和兩個電阻組成,成本低,電流Io可調;缺點是Vbe的大小會隨電流及溫度的變化而變化,電流大Vbe大,溫度低Vbe大,所以不適合用在精度要求高的地方。
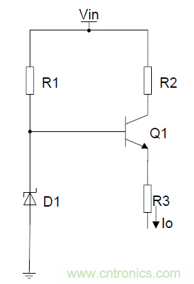
由穩壓管組成的恒流源電路,如電路圖2。

圖2
此恒流電路主要是運用了穩壓二極管上的電壓較穩定特性,以及三極管Vbe的穩定性,組成的恒流電路,Io=(Vd-Vbe)/R3;此電路優點是成本低,電流可調,缺點是溫度特性差,穩流精度不高,適用于對精度要求不高的場合。
由三端穩壓器組成的恒流源,如電路圖3。

圖3
三端穩壓器提供一個恒定電壓Vout,組成一個恒流源,Io=Vout/R1。
以上都是一些比較常見的簡單的恒流源,而且有一個共性,穩壓精度都不高,電流Io也不大。除了以上列舉的幾個,還有其他類似的恒流源,但萬變不離其宗,都是以一個恒壓源為基準組成,在此就不一一列舉。
在應用過程中,如果需要高精度、大電流的恒流源,可以使用一個運放,組成一個高精度、大電流的恒流源,如電路圖4。

圖4
使用運放組成的恒流源,Io=Vref/R1。
三、恒流源在電源模塊中的應用
在模塊電源中,小功率電源的短路保護一般不外接短路保護電路,這種模塊的特點是功率小,體積小,成本低;適合當前競爭激烈的市場;然而它們本身存在一個致命的特點,短路保護功能和啟動能力存在矛盾,啟動能力強,短路保護就會變差;短路保護變強,啟動能力就會變弱。特別是在需要超寬電壓范圍輸入的情況下,啟動能力跟短路能力更不好兼容。
舉個例子,18~72VDC輸入,15W輸出的模塊電源,如果是用電阻加電容組成RC啟動電路如圖5,電阻R1電流會隨輸入電壓的變化,低壓和高壓短路時,打嗝周期會相差很大,短路功率高壓輸入時會較大;調好低壓啟動能力和短路保護后,高壓短路保護就會變差,啟動能力超強,反過來調好高壓啟動和短路能力,低壓的短路保護能力很好,但是,啟動能力很差,會出現啟動不良現象。

圖5
為了解決以上矛盾,把啟動電路改為用一個恒定電流的電路替代,如圖6,輸入電流基本不會隨輸入電壓的變化而變化,在高低壓輸入的情況下,電源模塊輸出短路時的短路周期較近。

圖6
如圖7、8所示,是采用了恒流電路,測試的短路波形圖,用恒流電路替代電阻啟動解決了啟動和短路的矛盾。

圖7

圖8
恒流源的實現可以通過兩種方式:對輸出電流進行處理、對輸入電流進行處理保證輸出能夠實現恒流。對于前者主要作用為使輸出電流保持平穩,可以通過三極管、三端穩壓等器件進行穩流,雖成本較低且電路簡單但整體效果不是很理想;對于后者輸入電流基本不會隨輸入電壓的變化而變化,可以使輸出從而實現恒流。
而也可以使用整體的寬壓輸入穩壓輸出電源模塊,ZLG致遠電子自主研發、生產的隔離電源模塊已有近20年的行業積累,目前產品具有寬輸入電壓范圍,可支持2:1與4:1寬壓輸入,輸出電壓精度可達±3%,封裝形式多樣,兼容國際標準的SIP、DIP等封裝。同時致遠電子為保證電源產品性能建設了行業內一流的測試實驗室,配備最先進、齊全的測試設備,全系列隔離DC-DC電源通過完整的EMC測試,靜電抗擾度高達4KV、浪涌抗擾度高達2KV,可應用于絕大部分復雜惡劣的工業現場,為用戶提供穩定、可靠的電源隔離解決方案。





