【導讀】很多工程師在上學時被老師講的三極管的各種電路接法,和小信號模型分析給繞暈了。而且大學的課本大多數都是在講三極管的放大特性。其實在實際的電路設計中,三極管的很多應用場景只是利用三級管的開關特性,我們往往是運用三極管來實現開關電路,做一些電平轉換的功能。
這是由于兩個原因造成的:由于數字電路的快速發展,模擬電路設計的比重越來越?。涣硗膺\算放大器,越來越便宜,各項特性也比分立器件實現的放大電路相對穩定,易于調試,集成度也高。
其實單獨把三極管的開關特性弄清楚,只花了10%的時間,可能可以解決80%的問題。所以咱們單獨理解一下“利用三極管設計開關電路”。
嚴格說起來,三極管與一般的機械接點式開關在動作上并不完全相同,但是它卻具有一些機械式開關所沒有的特點。圖 1 所示,即為三極管電 子開關的基本電路圖。由圖可知,負載電阻被直接跨接于三極管的集電極與電源之間,而位居三極管主電流的回路上。

輸入電壓 Vin 則控制三極管開關的開啟(open) 與閉合(closed) 動作,當三極管呈開啟狀態時, 負載電流便被阻斷,反之,當三極管呈閉合狀態時,電流便可以流通。詳細的說,當 Vin 為低電壓時,由 于基極沒有電流,因此集電極亦無電流,致使連接于集電極端的負載亦沒有電流,而相當于開關的開啟, 此時三極管乃勝作于截止(cut off)區。同理,當 Vin 為高電壓時,由于有基極電流流動,因此使集電極流過更大的放大電流,因此負載回路便被導通,而相當于開關的閉合,此時三極管乃于飽和區(saturatiON)。
1 三極管開關電路的分析設計
由于對硅三極管而言,其基射極接面之正向偏壓值約為 0.6 V,因此欲使三極管截止,Vin 必須低于 0.6 V,以使三極管的基極電流為零。通常在設計時,為了可以更確定三極管必處于截止狀態起見,往往使 Vin 值低于 0.3V。

黃色圈圈處,本質就是一個二極管。因為二極管模型比較簡單,我們單純看BE間的電壓,理解成為讓二極管導通的原理,就容易理解多了。
如果想讓三極管打開,首先需要讓這個二極管導通,則需要二極管兩端的電壓大于其導通電壓。
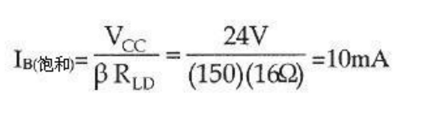
當然輸入電壓愈接近零伏特便愈能保證三極管開關必處于截止狀態。欲將電流傳送到負載上,則三極管的集電極與射極必須短路,就像機械開關的閉合動作一樣。欲如此就必須使 Vin 達到夠高的準位,以驅動三極管使其進入飽和工作區工作,三極管呈飽和狀態時,集電極電流相當大,幾乎使得整個電源電壓 Vcc 均跨在負載電阻上,如此則 Vce 便接近于 0,而使三極管的集電極和射極幾乎呈短路。在理想狀況下,根據奧姆定律三極管呈飽和時,其集電極電流應該為:

我們期望飽和,就需要讓集電極電流達到 Ic這個值。
我們知道三極管是一個流控電流源:


β 和 α 稱為三極管的電流分配系數,其中 β 值大家比較熟悉,都管它叫電流放大系數。三個電流中,有一個電流發生變化,另外兩個電流也會隨著按比例地變化。例如,基極電流的變化量 ΔI b = 10 μA , β = 50 ,根據 ΔI c = βΔI b 的關系式,集電極電流的變化量 ΔI c = 50×10 = 500μA ,實現了電流放大。
因此,要想讓三極管飽和,則Ic需要足夠大,由于在飽和之前,I c = βI b 基極電流最少應為:
式(1)上式表出了 IC 和 IB 之間的基本關系,式中的 β 值代表三極管的直流電流增益,對某些三極管而言, 其交流 β 值和直流 β 值之間,有著甚大的差異。欲使開關閉合,則其 Vin 值必須夠高,以送出超過或等于 (式 1) 式所要求的最低基極電流值。由于基極回路只是一個電阻和基射極接面的串聯電路,故 Vin 可由 下式來求解:

這是Vin至少需要保證大于的值,才能保證三極管進入飽和狀態。當然這個電壓值越高,越能保證飽和的狀態。因為β值有一定的離散型,0.6V也有一定的離散型。
一旦基極電壓超過或等于(式2) 式所求得的數值,三極管便導通,使全部的供應電壓均跨在負載電 阻上,而完成了開關的閉合動作。
總而言之,三極管接成圖 1 的電路之后,它的作用就和一只與負載相串聯的機械式開關一樣,而其啟 閉開關的方式,則可以直接利用輸入電壓方便的控制,而不須采用機械式開關所常用的機械引動 (mechanical actuator)﹑螺管柱塞(solenoid plunger)或電驛電樞(relay armature)等控制方 式。為了避免混淆起見,本文所介紹的三極管開關均采用 NPN 三極管,當然 NPN 三極管亦可以被當作開關來使用,只是比較不常見罷了。
當然很多朋友在剛學習模電的時候也被PNP和NPN繞暈的不行不行的。本文暫時只講NPN三極管。
N型半導體(N為Negative的字頭,由于電子帶負電荷而得此名,負極)
P型半導體(P為Positive的字頭,由于空穴帶正電而得此名,正極)。
記不住想想二極管,叫PN結

再想想,我們剛說的三極管里面有個二極管,那個二極管的方向。這樣你就不會叫錯了。
在圖 2 的開關電路中,欲使開關閉合(三極管飽和) 所須的輸入電壓為多大,并解釋出此時之負載電流與基極電流值解﹕由 2 式可知,在飽和狀態下,所有的供電電壓完全跨降于負載電阻上,因此由方程式(1) 可知:

因此輸入電壓可知道,Vce幾乎為0,則直接歐姆定律求Ic﹕

同樣,基級的串阻利用歐姆定律可以算出其兩端的電壓,再加上基級的導通電壓,就可以算出,我想要讓三極管飽和需要的輸入電壓Vin是多大。

欲利用三極管開關來控制大到 1.5A 的負載電流之啟閉動作,只須要利用甚小的控制電壓和電流即可。此外,三極管雖然流過大電流,卻不須要裝上散熱片,因為當負載電流流過時,三極管呈飽和狀態,其 VCE趨近于零,所以其電流和電壓相乘的功率之非常小,根本不須要散熱片。
但是,如果我們使用單片機來控制這個燈,則需要降低1k那個電阻的阻值。因為根據上面的計算3.3V不足以使得這個三極管飽和。
同時,我們也需要考慮單片機的GPIO驅動能力。
三極管開關與機械式開關的比較
截至目前為止,我們都假設當三極管開關導通時,其基極與射極之間是完全短路的。事實并非如此,沒有任何三極管可以完全短路而使 VCE=0,大多數的小信號硅質三極管在飽和時,VCE(飽和) 值約為0.2 V,縱使是專為開關應用而設計的交換三極管,其 VCE(飽和) 值頂多也只能低到 0.1 V左右,而且負載電流一高,VCE(飽和) 值還會有些許的上升現象,雖然對大多數的分析計算而言,VCE(飽和)值可以不予考慮,但是在測試交換電路時,必須明白 VCE(飽和) 值并非真的是 0。
雖然 VCE(飽和)的電壓很小,本身微不足道,但是若將幾個三極管開關串接起來,其總和的壓降效應就很可觀了,不幸的是機械式的開關經常是采用串接的方式來工作的,如圖 3(a)所示,三極管開關無法模擬機械式開關的等效電路(如圖 3(b)所示)來工作,這是三極管開關的一大缺點。


三極管開關和傳統的機械式開關相較,具有下列四大優點﹕
(1)三極管開關不具有活動接點部份,因此不致有磨損之慮,可以使用無限多次,一般的機械式開關,由于接點磨損,頂多只能使用數百萬 次左右,而且其接點易受污損而影響工作,因此無法在臟亂的環境下運作,三極管開關既無接點又是密封的,因此無此顧慮。
(2)三極管開關的動作速度較一般的開關為快,一般開關的啟閉時間是以毫秒 (ms)來計算的,三極管開關則以微秒(μs)計。
(3)三極管開關沒有躍動(bounce) 現象。一般的機械式開關在導通的瞬間會有快速的連續啟閉動作,然后才能逐漸達到穩定狀態。
(4)利用三極管開關來驅動電感性負載時,在開關開啟的瞬間,不致有火花產生。反之,當機械式開關開啟時,由于瞬間切斷了電感性負載樣 上的電流,因此電感之瞬間感應電壓,將在接點上引起弧光,這種電弧非但會侵蝕接點的表面,亦可能造成干擾或危害。
三極管開關的測試
三極管開關不像機械式開關可以光憑肉眼就判斷出它目前的啟閉狀態,因此必須利用電表來加以測試。
在圖 5 所示的標準三極管開關電路中,當開關導通時,VEC 的讀值應該為 0,反之當開關切斷時,VCE 應對于 VCC。
三極管開關在切斷的狀況下,由于負載上沒有電流流過,因此也沒有壓降,所以全部的供應電壓均跨降在開關的兩端,因此其 VCE 值應等于 VCC,這和機械式開關是完全相同的。如果開關本身應導通而未導通,那就得測試 Vin 的大小了。欲保證三極管導通,其基極的 Vin 電壓值就必須夠高,如果 Vin 值過低,則問題就出自信號源而非三極管本身了。假使在 Vin 的準位夠高,驅動三極管導通絕無問題時,而負載卻仍未導通,那就要測試電源電壓是否正常了。
在導通的狀態下,硅三極管的 VBE 值要根據數據手冊,查看其值的離散型和范圍是否符合器件資料。
一旦 VBE 正常且有基極電流流動時,便必須測試 VCE 值,假使 VCE 趨近于 VCC,就表示三極管的集基接面損壞,必須換掉三極管。假使 VCE 趨近于零伏特,而負載仍未導通,這可能是負載本身有開路現象發生,因此必須檢換負載。

當 Vin 降為低電壓準位,三極管理應截止而切斷負載,如果負載仍舊未被切斷,那可能是三極管的集基極和集射極短路,必須加以置換。
因為一個三極管,雖然能夠實現低壓控制高壓的,但是一個三極管會讓邏輯 反一下。有時我們需要2個三極管來實現正邏輯。

基本三極管開關之改進電路
有時候,我們所設定的低電壓準位未必就能使三極管開關截止,尤其當輸入準位接近 0.6 V的時候更是如此。想要克服這種臨界狀況,就必須采取修正步驟,以保證三極管必能截止。下圖就是針對這種狀況所設計的兩種常見之改良電路。

左邊的電路,在基射極間串接上一只二極管,因此使得可令基極電流導通的輸入電壓值提升了0.6 V,如此即使 Vin 值由于信號源的誤動作而接近 0.6V時,亦不致使三極管導通,因此開關仍可處于截止狀態。
右邊的電路加上了一只輔助-截止(hold-off)電阻 R2,適當的 R1,R2 及 Vin 值設計,可于臨界輸入電壓時確保開關截止。由圖 6(b)可知在基射極接面未導通前(IB0),R1 和 R2 形成一個串聯分壓電路,因此 R1 必跨過固定(隨 Vin 而變) 的分電壓,所以基極電壓必低于 Vin 值,因此即使 Vin接近于臨界值(Vin=0.6 伏特) ,基極電壓仍將受連接于負電源的輔助-截止電阻所拉下,使低于 0.6 V。由于 R1,R2 及 VBB 值的刻意設計,只要 Vin 在高值的范圍內,基極仍將有足夠的電壓值可使三極管導通,不致受到輔助-截止電阻的影響。
加速電容
在要求快速切換動作的應用中,必須加快三極管開關的切換速度。下圖為一種常見的方式,此方法只須在 RB 電阻上并聯一只加速電容器,如此當 Vin 由零電壓往上升并開始送電流至基極時,電容器由于無法瞬間充電,故形同短路,然而此時卻有瞬間的大電流由電容器流向基極,因此也就加快了開關導通的速度。稍后,待充電完畢后,電容就形同開路,而不影響三極管的正常工作。

一旦輸入電壓由高準位降回零電壓準位時,電容器會在極短的時間內即令基射極接面變成反向偏壓,而使三極管開關迅速切斷,這是由于電容器的左端原已充電為正電壓,因此在輸入電壓下降的瞬間,電容器兩端的電壓無法瞬間改變仍將維持于定值,故輸入電壓的下降立即使基極電壓隨之而下降,因此令基射極接面成為反向偏壓,而迅速令三極管截止。適當的選取加速電容值可使三極管開關的切換時間減低至幾十分之微秒以下,大多數的加速電容值約為數百個微微法拉(pF) 。
加速電容構成微分電路,利用電容兩端電壓不能突變的特性讓輸入瞬間的變化量直接引入到三極管基極,用過沖加快三極管的狀態變化。等過渡過程結束后又回歸到兩個電阻的直流分壓,所以電容不影響飽和深度。
電容加速電路也是經常在設計中用到的一種實用電路。如圖所示:

這是在脈沖放大器電路中的一種的應用。其中的三極管VT1是工作在開關狀態下。
開頭提到的所謂加速,就是加快響應速度,加快對輸入信號的響應速度。
從圖1中的三極管VT1來看,就是要求三極管在截止,飽和兩種狀態之間的轉換速度越快越好。
那么圖中的電路是如何起到加速作用呢?
為了做一個比較與便于理解,先簡單分析沒有加入加速電容之前的電路,如下圖所示:

沒有加電容之前
在圖中,當輸入Ui是矩形脈沖信號加到VT1基極時,
若Ui為高,VT1飽和導 通,若Ui為低,VT1截止。
在接入C1后,其可等效成如下圖所示的微分電路:

此時還是加入同樣的輸入信號Ui:
當Ui從低 —>高時,由于微分電路的作用,使加到基極的電壓出現一個尖頂脈沖,使基極的電流很大,從而加快了VT1從截止進入導通的速度,縮短了時間。在t0之后,對C1的充電很快就結束,這時Ui加到基極的電壓較小,維持VT1導 通。
當Ui從高 —>低時,即t1時刻,由于C1上原先的電壓極性為左正右負,
這一電壓加到基極為負頂脈沖,加快了從基區抽出電荷,使VT1以更快的速度從飽和轉換到截止,縮短了VT1的截止時間。

上述的Ui和Uo的波形如圖4所示,直觀反映了電容加速電路的工作原理。
應用三極管開關的典型應用:
1.低邊開關

2.高邊開關

3.基極電阻

4.非門電路

5.與門

6.或門

7.H橋

8.振蕩器

9、帶隔離的三極管開關電路

部分內容整理自:
《8張圖讓你徹底理解晶體管開關電路》——出處不明,來自互聯網
《三極管在電路中的使用》——百度文庫
《提高開關速度 -- 電容加速電路》——博客園 ImProgrammer
推薦閱讀:





