【導讀】在汽車和運輸市場,大型電池組可提供高輸出功率,但不會像汽油動力內燃機那樣產生有害排放物(即一氧化碳和碳氫化合物)。理想情況下,電池組中的每個電池對系統的貢獻相同。但是,當談到電池時,所有電池并不都是同等的。即使電池的化學成分、物理尺寸和形狀都相同,其總容量、內阻、自放電速率等也可能不同。此外,其老化速率可能不同,這又會在電池壽命方程式中增加一個變量。
電池組的性能受電池組中容量最低的電池單元限制;一旦最弱的電池單元耗盡,整個電池組便完全耗盡。電池組中每個電池單元的健康狀況根據其充電狀態 (SoC) 測量結果 (即測量剩余電量與電池容量的比率) 來確定。SoC 利用電池測量 (如電壓、積分充電和放電電流、溫度等) 來確定電池中剩余的電量。精密單芯片和多芯片電池管理系統 (BMS) 將電池監控 (包括 SoC 測量)與被動或主動電池均衡相結合,以提高電池組性能。這些測量產生如下結果:
● 與單電芯容量獨立的健康的電池電量狀態
● 電池單元間的充電狀態不匹配程度最小化
● 電池單元老化影響最小化 (老化導致容量損失)
對電池組而言,被動和主動電芯均衡有不同的優勢,ADI 電池管理產品組合為這兩種方法均提供了解決方案。我們先來看看被動均衡。
被動均衡可讓所有電芯近乎具有相同容量
最初,電池組的電芯可能匹配得相當好。但隨著時間推移,電芯匹配度會因充電/放電循環、高溫和一般老化而降低。弱電芯的充放電速度將快于強 (或較高容量)電池單元,因此前者成為系統運行時間的限制因素。被動均衡會讓電池組每個電芯的容量看起來與最弱電芯相同。它在充電周期中使用相對較低的電流,從高 SoC 電池消耗少量能量,使得所有電池單元充電至其最大 SoC。這是通過與每個電芯并聯的開關和泄放電阻來實現的。

圖 1. 帶泄放電阻的被動電池均衡器
高 SoC 電池放電 (功率消耗在電阻中),因此充電可以繼續,直至所有電芯都充滿電。
被動均衡使得所有電池具有相同的SoC,但它并未改善電池供電系統的運行時間。它提供了一種成本相當低的電池均衡方法,但由于放電電阻的存在,該過程中會浪費能量。被動均衡還能校正不同電池單元間的自放電電流的長期不匹配。
采用被動均衡的多節電池監控器
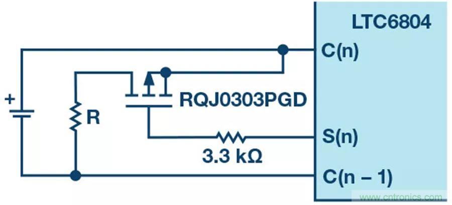
ADI 推出了一系列含有被動電池均衡能力的的多節電池監控器。這些器件采用可堆疊架構,可以監控數百個電芯。每個器件可測量多達 12 個串聯連接的電芯,總測量誤差小于 1.2 mV。每電池單元 0 V 至 5 V 的測量范圍使其適用于大部分電池化學成分。LTC6804 如圖 2 所示。

圖 2. 采用外部被動均衡的 LTC6804 應用電路
LTC6804 具有內部被動均衡功能 (圖3)。如果需要,它還可以配置外部 MOSFET(圖 4)。它還具有可選的可編程被動均衡放電計時器,可為用戶提供更多的系統配置靈活性。

圖 3. 帶內部放電開關的被動均衡

圖 4. 帶外部放電開關的被動均衡
對于希望系統運行時間最大化和充電效率更高的客戶,主動均衡是最佳選擇。在充電和放電期間,主動電池均衡不會浪費能量,而是將能量重新分配給電池組中的其他電池單元。放電時,較強的電池單元會給較弱的電池單元補充能量,從而延長電池單元達到其完全耗盡狀態的時間。
LTC6804-1
● 可測量多達 12 個串聯電池的電壓
● 可堆疊式架構能支持幾百個電池
● 內置 isoSPI™接口:
(1)1Mbps 隔離式串行通信
(2)采用單根雙絞線,長達 100 米
(3)低 EMI 敏感度和輻射
● 1.2mV 最大總測量誤差
● 可在 290μs 內完成系統中所有電池的測量
● 同步的電壓和電流測量
● 具頻率可編程三階噪聲濾波器的 16 位增量累加 (ΔΣ) 型 ADC
● 針對 ISO26262 標準的系統工程設計
● 具可編程定時器的被動電池電荷平衡
● 5 個通用的數字 I/O 或模擬輸入:
(1)溫度或其他傳感器輸入
(2)可配置為一個 I2C 或 SPI 主控器
● 4μA 睡眠模式電源電流
● 48 引腳 SSOP 封裝
推薦閱讀:





