【導讀】固定翼時間域航空電磁法具有探測深度大、測量精度高的技術特點,是我國急需的快速高效的大深度礦產勘查裝備技術。中國地質科學院已成功研制了基于國產Y12IV型專用飛機,具有完全自主知識產權的固定翼時間域航空電磁系統空中樣機。為了匹配飛機電源和大功率發射機,需要研制由大功率穩壓充電電源和大容量儲能器構成的電源系統,為發射機提供滿足要求的電壓和功率。
Y12飛機只能提供5.6kW的輸出,經過簡單計算,要實現600A峰值電流和50萬A·m發射磁矩,飛機電源的瞬時供電能力至少要達到28.8kW。在保持平均功率不變的條件下,提高電源的瞬時放電能力。電容器就是適用的一種功率變換裝置,它既有儲能的作用,也具有快速放電的能力。因此,采用電容器作為飛機電源和發射機之間功率匹配的接口,是解決飛機電源瞬時功率不足的有效方法。
根據計算,這個電容值會達到法拉級,直接掛接飛機電源,會導致瞬間短路。另外,飛機電源和發射機之間還存在阻抗匹配問題,要求的電源電壓超過了飛機電源的28V。因此,必須在飛機電源和儲能電容器之間設計一級具有限流功能、升壓功能、電氣隔離功能的DC-DC變換充電器。
01 系統設計
設計的大功率直流變換電源如圖1所示,主體由16塊平均功率為400W的DC-DC模塊組成,該類型開關電源模塊具有同步脈沖控制接口,可以組成串并聯陣列。每個模塊的輸出電壓為18~36V可調;其中每8塊并聯可實現90A的額定輸出并聯模組;兩個這樣的模組串聯后,可實現36~72V輸出,額定功率達到6.4kW。

圖1 大功率直流變換電源
02 Vicor電源模塊
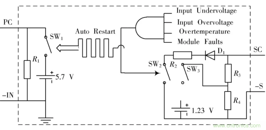
選用Vicor大功率電源模塊來構建大功率直流充電器,圖2為Vicor電源模塊內部等效電路圖。

圖2 Vicor電源模塊內部等效電路圖
模塊功能管腳說明:
● +IN和-IN:電源輸入,一般為寬壓輸入(考慮飛機電源為28V,選用18~36V系列)。
● PC:使能開關。PC開路或PC對-IN的壓差大于2.4V,則模塊使能;如果外部控制電路導致PC對-IN的壓差小于2.4V,則模塊失能。
● PR:并聯同步總線。可以同步并聯模塊的高頻開關信號,強制各模塊均流。PR為雙向端口,作為主模塊,向各個從模塊輸出同步信號;作為從模塊,則接收主模塊的同步信號作為開關信號。
● +OUT和-OUT:電源輸出端;
● +S和-S:正負輸出電源參考端;
● SC:輸出電壓控制端。內部通過電阻分壓器對參考電源分壓,產生一個誤差信號。當SC對-S并一個電位器RD,調節RD的大小就可以控制輸出電壓的大小。
03 Vicor電源模塊應用技術
3.1 并聯均流控制技術
Vicor電源模塊的特點是只需增加少量外部組件,便可以組成數千瓦功率的并聯陣列,增大輸出功率。圖3為均流同步電路連接圖,圖中V1,V2配置為主模塊,V3等為從模塊(各從模塊的接線方式與V3相同)。每只模塊的正負輸入引腳都應用0.2μF陶瓷或薄膜電容本地旁路,這樣可以分流高頻的輸入紋波電流。每只模塊的基板和負輸入引腳之間應當接入一個4700pF的Y-電容,分流共模電流分量。專用變壓器29768在PR引腳提供電氣隔離。采用三極管提高主模塊PR信號的驅動能力。

圖3 均流同步電路
3.2 穩流控制技術
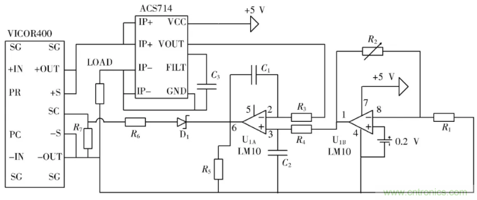
圖1中由超級電容器組成的儲能器的內阻非常小,所以一個很小的壓差,也可能造成很大的負載電流,導致電源模塊過流,甚至造成器件的永久性損壞。所以有必要設計一個閉環控制電路,當負載電流超過設定值時,自動降低模塊的輸出電壓,從而減小輸出電流,即實現穩流輸出。如圖4所示,通過電流傳感器ACS714將輸出電流轉換為電壓值,采用含有內部參考電壓源(0.2V)的雙運算放大器LM10,工作原理如下:第一級運放的輸出電壓作為設定值,當輸出電流的電壓信號幅值(2腳)小于設定電壓(3腳)時,由于運放為反相放大,6腳輸出為正電壓,導致D1反向截止,R6相當于開路,SC對地電阻為R7,此時模塊的最大輸出電壓由R7決定;反之,當輸出電流大于設定值時,6腳輸出負電壓,D1導通,減小了SC的對地電阻,從而降低模塊的輸出電壓。

圖4 穩流控制電路
3.3 串聯均壓技術
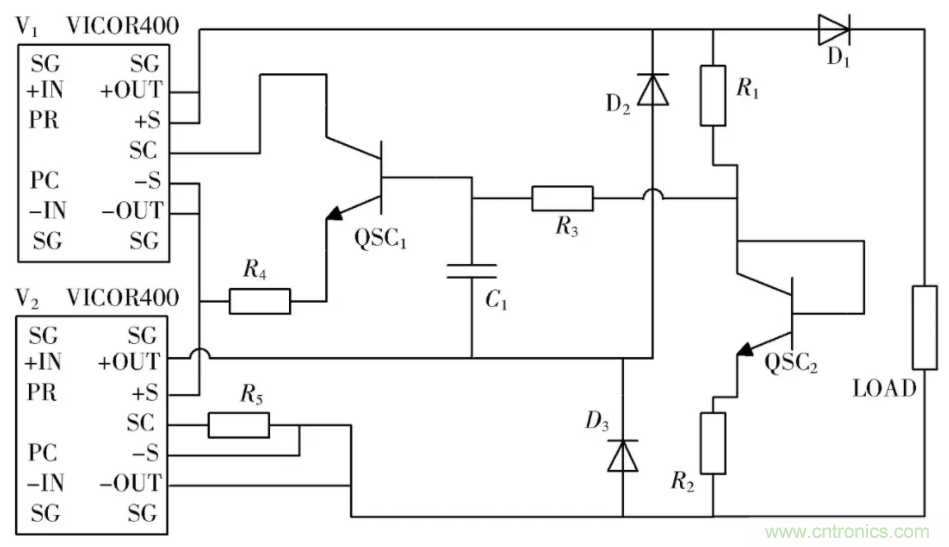
如圖1所示,由16塊功率400W的電源模塊組成串并聯陣列,每個模塊的輸出電壓為18~36V可調;其中每8塊并聯可實現90A的額定輸出并聯模組;兩個這樣的模組串聯后,可實現36~72V輸出,需要設計相應的均壓控制電路,如圖5所示。

圖5 均壓控制電路
當模塊2的輸出電壓向下微調(V1<V2)時,三極管QSC1導通,并降低模塊1的輸出電壓,直到V1=V2為止,反之亦然。
04 結語
大功率直流電源是為了匹配飛機電源和發射機而專門設計的,可以提高電源的瞬時功率和輸出電壓以匹配負載。基于Vicor電源模塊串并聯技術的穩流充電器和由超級電容器組構成的儲能器以及緩沖電感,構成了最終的大功率航空瞬變電磁發射機的電源系統,實際應用結果表明,該系統具有6.4kW的平均功率,可以提供超過40kW的瞬時功率,完全能夠滿足設計要求。
推薦閱讀:



