【導讀】汽車系統需要承受高溫差、極端輸入瞬變和其它多種干擾的影響。汽車中幾乎所有的電子產品都需經過嚴格的測試,以符合汽車電子委員會(AEC)規定的質量體系標準和組件資質。大多數汽車系統采用12V鉛酸電池,并且您可能知道,電池的電壓幾乎在您可以想到的每種情況下都會發生變化:環境溫度、負載條件、使用年限等等,不勝枚舉。
正常工作條件下,電壓的變化范圍可達到9V-16V。在某些工作條件下,甚至會更大。啟動內燃機時,12V鉛酸電池必須為起動電機的繞組提供足夠的能量,在短時間內提供大量的電流,導致電池電壓急劇下降。極低的溫度會導致電池電壓降至更低水平。這種現象稱為冷啟動。典型的測試波形如圖1所示,其中電壓可以降至3V。

圖1:汽車電池冷啟動電壓曲線
假設我們正在設計一款由12V鉛酸電池直接供電的12V汽車音響系統。如何使音響系統保持恒定的輸入電壓?記住,如上所述,電池電壓的波動范圍可達3V至16V。降壓轉換器有用嗎?不行。當電池電壓低于12V時,音響系統的輸入將下降,可能會導致欠壓狀態。我們來試一下升壓轉換器。還是不行。當電池電壓大于12V時,音響系統的輸入將上升,可能導致過電壓狀態并損壞電子設備。我們需要的是降壓 - 升壓轉換器。顧名思義,無論輸入電壓如何,該拓撲都可以降壓或升壓到穩定的輸出電壓。最重要的是,即使電壓波動,它也能提供恒定的能量。圖2所示為降壓拓撲的簡單級聯升壓。

圖2:級聯降壓 - 升壓轉換器
降壓 - 升壓拓撲有許多變化和簡化,而且與圖2所示的拓撲結構相比存在很多優點。例如,兩個轉換器可以簡化,并共享一個電感器,從而節省電路板空間(見圖3A)。想提高效率嗎?去掉續流二極管并添加MOSFET以降低傳導損耗,這是四開關降壓 - 升壓(圖3B)。還在擔心電路板空間不夠用?為何不采用四開關轉換器,并將MOSFET移至控制IC內部(圖3C),從而節省寶貴的PCB空間。

圖3A:2開關降壓 - 升壓轉換器

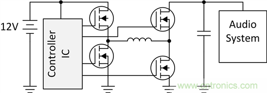
圖3B:4開關降壓 - 升壓轉換器

圖3C:具有集成MOSFET的降壓 - 升壓轉換器
想了解更多關于降壓 - 升壓轉換器的一些變體嗎?檢查新的TI電源管理實驗室套件降壓 - 升壓板和實驗指導書。這個新的學習套件主要向用戶介紹降壓 - 升壓拓撲的工作原理以及與設計相關的挑戰。評估板采用TI的LM5118控制器集成電路。該套件還提供了一個用于實踐學習的實驗指導書。掌握TI-PMLK Buck Boost實驗室的實驗后,請查看TI的其它降壓 - 升壓電源解決方案,例如具有集成MOSFET的四開關LM5175和TPS63060。
免責聲明:本文為轉載文章,轉載此文目的在于傳遞更多信息,版權歸原作者所有。本文所用視頻、圖片、文字如涉及作品版權問題,請聯系小編進行處理。
推薦閱讀:




