【導讀】在無刷電機中,電流反轉是通過微控制器控制的一組功率晶體管(通常是 IGBT)以電子方式獲得的。驅動它們的主要問題是了解電機的準確位置;只有這樣控制器才能確定驅動哪一相。轉子的位置通常使用霍爾效應傳感器或光學傳感器獲得。在效率方面,由于摩擦減少,無刷電機比同等交流電機產生的熱量少得多。
直流電機廣泛應用于伺服自動化和機器人領域。電動機的工作原理基于兩個相互吸引和排斥的磁場的相互作用。
直流電機的兩個基本部分是轉子(旋轉)和定子(固定)。定子是磁場感應器,而轉子是受到磁場影響的元件,由稱為電樞的電路表示。在這兩個元件之間有一層薄薄的空氣,稱為“氣隙”。
定子必須產生盡可能均勻的磁場。轉子由片狀鐵制成,由可移動的片片組成,這些片片由絕緣體隔開,以增加電阻,從而減少磁化引起的寄生電流。
兩種常見的直流電機類型稱為有刷電機和無刷電機 (BLDC)。BLDC 表示無刷永磁電機。與有刷直流電機不同,它不需要在電機軸上滑動的任何電觸點即可運行。
在有刷電機中,電刷與轉子上的電觸點的機械接觸閉合電源和轉子繞組之間的電路。轉子和電刷產生不斷改變方向的電流,從而反轉磁場。
在無刷電機中,電流反轉是通過微控制器控制的一組功率晶體管(通常是 IGBT)以電子方式獲得的。驅動它們的主要問題是了解電機的準確位置;只有這樣控制器才能確定驅動哪一相。轉子的位置通常使用霍爾效應傳感器或光學傳感器獲得。在效率方面,由于摩擦減少,無刷電機比同等交流電機產生的熱量少得多。
此外,無刷電機定子上的繞組具有良好的散熱能力,可以構建沒有散熱片的“平滑”電機。當電機在充滿揮發性化合物(例如燃料)的環境中運行時,沒有火花至關重要。在這種類型的電機中,磁鐵位于轉子上,并由特殊材料制成,具有非常低的慣性。這確保了極高的速度和扭矩精度,以及快速而的加速和減速。
與傳統電機相比,BLDC 電機具有許多優勢。通常,它們的效率提高了 15% 到 20%,由于它們是無刷的,因此需要較少的維護,并且在所有額定速度下都提供平坦的扭矩曲線。
半導體技術的發展、永磁體的改進以及對更高效率不斷增長的需求導致許多應用中用 BLDC 取代有刷電機。BLDC 電機已進入許多行業,包括家電、汽車、航空航天、消費品、醫療、工業自動化設備和儀器儀表(圖 1 )。
圖 1:無刷直流電機控制和驅動器的示例應用(圖片:Infineon Technologies)
BLDC 電機可以有單相、兩相和三相配置;常見的是三相。相數對應于定子上的繞組數,而轉子極可以是任意對數,具體取決于應用(圖 2)。
轉子速度與電機的脈沖寬度調制(PWM)工作頻率成正比,這是控制啟動電流、扭矩和功率的基本工作頻率。
圖 2:三相 BLDC 電機的典型閉環控制系統包括控制器、驅動器和功率晶體管半橋 H。(圖片:德州儀器)
直流電機的等效電路
直流電機及其控制的研究涉及對等效模型的分析,以確定運行特性。從研究直流電機的數學模型開始,可以選擇的驅動器來控制負載。
以下方程表示簡化假設下轉子的數學模型。假設磁路是線性的,機械摩擦是電機速度的線性函數(圖 3)。
圖3:直流電機的等效接線圖
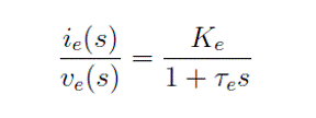
在直流電機中,磁通量由定子上的繞組產生。假設定子只有一個極性端子,其特征是與其繞組相關的電感 Le 和與導體泄漏相關的電阻器 Re 。該電路的方程模型為:
通過對拉普拉斯域中的變量進行變換:
其中 Ke = 1/R e是定子增益,τ e = Le /R e是定子時間常數。
類似地,假設轉子僅具有一個極性終端,其特征在于電樞電阻R a(幾歐姆)和電樞電感L a。此外,在轉子的電氣模型中必須考慮反電動勢 e(t) 的影響,該反電動勢 e(t) 對應于定子感應的電壓差并與旋轉速度成比例。圖 1中相關電路的方程如下:
其中 v a (t) 和 i a (t) 分別為電樞電流和電壓。
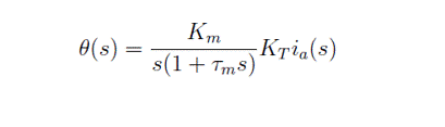
類似地,我們將定義轉子增益 (Ka) 和轉子時間常數 (τa)。可以將反電動勢 (e) 和電機傳遞的機械扭矩 cm 定義為 :
Ke 和 Kc 是電機的兩個常數,稱為橢圓常數和扭矩常數,ω 是角速度。
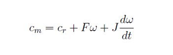
機械負載的行為幾乎總是非線性的。負載的線性模型可以通過將電機扭矩 cm 等于三個參數之和來獲得:施加在電機軸上的負載扭矩,根據摩擦系數 F 與電機旋轉速度成比例的參數,以及與電機轉速對轉動慣量J的導數成正比的參數;那是:
執行拉普拉斯變換,我們可以定義兩項:K m,機械增益,和 e m,機械時間常數,得出以下等式:
它表達了位置與電樞電流之間的直接關系。
直流電機驅動器
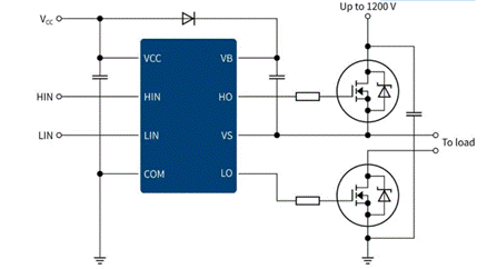
驅動器是 BLDC 控制的基本元件。它是一個功率放大器,產生電壓輸出來驅動 H 橋電路的高電流高側和低側 IGBT 柵極。高側意味著源極(在 MOSFET 的情況下)或發射極(在 IGBT 盒中)可以在接地電壓和較高電機電壓之間波動。低側表示源極或發射極始終接地。
ROHM Semiconductor 的BM60212FV-CE2集成柵極驅動器等解決方案非常適合驅動一對高側和低側 IGBT。該器件與 3.3V 或 5V 控制器邏輯信號兼容,并同時提供高達 1,200V 的可變高側電源電壓和 24V 的柵極控制電壓。進一步的增強功能包括保護電路,主要是欠壓阻斷 (UVLO) 和去飽和保護 (DESAT)。UVLO 電路可防止加電期間過熱和損壞。
圖 4:典型的高側和低側驅動器連接圖(圖片來源:Infineon Technologies)
另一個例子是英飛凌的 TLE987x 系列,它適用于廣泛的 BLDC 應用。它提供了無與倫比的集成度和系統成本來優化目標應用領域。TLE9873QXW40器件集成了行業標準的 Arm Cortex-M3 內核,可實現先進的發動機控制算法。其外設包括一個電流傳感器、一個與用于 PWM 控制的采集和比較單元同步的后續近似 ADC,以及 16 位定時器(圖 4)。
STMicroElectronics 用于三相 BLDC 的 STSPIN 電機驅動器包括采用三相橋配置的功率驅動器以及具有用于霍爾效應傳感器的集成解碼邏輯的解決方案。
東芝開發了智能相位控制(InPAC)技術,可監控電流相位(電流信息)和電壓相位(霍爾效應信號),并向電機電流控制信號提供反饋,以自動調整相位控制,以確保高效率。實際上,霍爾信號的相位會自動調整以匹配電機驅動電流的相位。高效率與電機的速度、負載扭矩和電源電壓無關。
BLDC 電機的散熱至關重要,其熱管理必須確保高效率。損耗可以根據器件的電阻和寄生電容進行分類。
開關期間,晶體管的功耗與電源電壓、柵極電荷 (QG) 和開關頻率成正比。在給定的電源電壓下,如果不想影響效率,則必須通過降低 QG 來抵消為提高功率密度而增加的開關頻率。
Allegro MicroSystems A89331 無傳感器驅動器旨在提高熱效率、降低功耗并降低數據中心成本。新的斷電制動 (PLB) 功能還提高了安全性并減少了材料需求。A89331 內置的獨特 PLB 功能可對無法正常工作的風扇進行制動,從而消除額外的功耗并提高熱效率。
如果沒有電子硬件控制,發動機的機械結構就無法完成其工作。能源效率、扭矩和傳感是選擇驅動器以及應用類型時要牢記的主要特征。電機的內部運行加上數學模型使我們能夠輕松評估運行特性,然后評估驅動器的選擇。
免責聲明:本文為轉載文章,轉載此文目的在于傳遞更多信息,版權歸原作者所有。本文所用視頻、圖片、文字如涉及作品版權問題,請聯系小編進行處理。
推薦閱讀:






