【導讀】反激隔離式變壓器開關電源,首先其是反激式,符合“反激”的定義,即:反激是開關管截止時,傳輸能量;其次,其有一個隔離式變壓器,這個變壓器起到隔離作用,同時會有一個匝數比,匝數比與開關管的PWM的占空比共同影響輸出電壓。不管是AC/DC還是DC/DC,到達變壓器的電壓其實是一個穩定的直流電壓。
反激隔離式變壓器開關電源,首先其是反激式,符合“反激”的定義,即:反激是開關管截止時,傳輸能量;其次,其有一個隔離式變壓器,這個變壓器起到隔離作用,同時會有一個匝數比,匝數比與開關管的PWM的占空比共同影響輸出電壓。不管是AC/DC還是DC/DC,到達變壓器的電壓其實是一個穩定的直流電壓。我們知道只有類似于交流的變化的電壓,才會通過變壓器進行傳遞能量。我們就會利用一個開關管來不停的開關,來實現一個變化的電壓在變壓器的初級兩端。
1、變壓器是如何工作的
變壓器的構造:由閉合鐵芯和繞在鐵芯上的兩個線圈(或者多個)組成,如圖9.4所示。
圖 9.3 變壓器構造示意圖
閉合鐵芯由涂有絕緣漆的硅鋼片疊合而成,線圈由絕緣導線繞制而成。
原線圈(初級線圈):與輸入電源連接的線圈,其匝數用n?表示;
副線圈(次級線圈):與負載連接的線圈,其匝數用n?表示。
變壓器的工作原理
(1)互感現象是變壓器工作的基礎.原線圈中電流的大小、方向不斷變化,在鐵芯中激發的磁場也不斷變化,變化的磁場在副線圈中產生感應電動勢。
(2)原、副線圈的作用
原線圈在其所處回路中充當負載,副線圈在其所處回路中充當電源。
(3)能量轉化過程:變壓器通過閉合鐵芯,利用互感現象實現了電能(U?、I?)到磁場能(變化的磁場)再到電能(U?、1?)的轉化。
2、開關管開關的工作過程
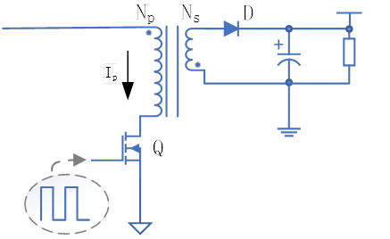
第一個狀態,當 PWM 信號處于高電平時,Q 導通,如圖所示,因為輸入電壓通過開關管把加在高頻變壓器初級繞組上,所以初級側有電流PI 流過,又因為變壓器次級側同名端電壓極性為負,故整流二極管 VD 截止,同時能量無法傳輸到次級繞組, 只能存儲在初級繞組中,由輸出電容向負載放電。
圖 9.3反激開關電源開關導通的狀態圖
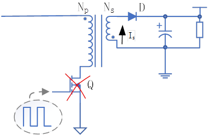
第二個狀態,當 PWM 信號處于低電平時,Q 截止,如圖所示,沒有電流流過初級側, 次級側將產生電流 Is 。依據電磁感應原理,此時在高頻變壓器初級側繞組上會產生感應電壓,使次級繞組產生極性為上正下負的電壓 Us,因此整流二極管 VD 導通, 然后經過 VD 和 C 整流濾波后向輸出端輸出能量。通過調節開關管開通/關閉時間, 即可維持輸出電壓恒定。
圖 9.4反激開關電源開關截止的狀態圖
反激式變換器具有以下主要特點:
(1)高頻變壓器兩側繞組極性互為異名端,初級繞組的同名端連接輸入電源 的正端,而其異名連端接功率開關管的驅動端。
(2)高頻變壓器既能起儲能作用,又能起傳輸能量的作用。
(3)只要高頻變壓器的匝數比滿足要求,輸出電壓均可高于或低于輸入電壓
(4)反激變換器設計靈活多變,通過添加變壓器次級繞組的輸出個數,就可 以構成多端輸出。
(5)一般情況下,反激變換器中不需要,也不可以在輸出濾波電容和整流二極管之間串接低頻率的電感。相比于正激變換器少一個電感元器件。
(6)可在連續模式或非連續模式下工作。
反激變壓器每路輸出與初級側相互隔離。反激式變換器普遍用于小功率開關電源場合。 Buck與 Boost 變換器不使用變壓器,是非隔離式的變換器,而且不能夠實現多 端輸出,因此兩者均不考慮。正激變換器使用變壓器且是隔離的,但正激變壓器無 法達到儲存能量的要求,同時正激變換器普遍應用于要求對輸出功率大的開關電源 中,并且對 MOS 管的要求也更嚴格。反激式變換器因包括高頻變壓器,輸出與輸入可以相互隔離,還有通過可以增加輸出繞組數,到達多端輸出的要求,多用于輸出功率小的開關電路中。
免責聲明:本文為轉載文章,轉載此文目的在于傳遞更多信息,版權歸原作者所有。本文所用視頻、圖片、文字如涉及作品版權問題,請聯系小編進行處理。
推薦閱讀:



