【導讀】低壓降線性穩壓器用于穩定電源輸出電壓,它的主要作用是將不穩定的輸出電壓轉換為穩定的輸出電壓,并抵消電源中的噪聲和波動,這有助于保護電子設備免受過高或過低電壓的損害。此外,低壓降線性穩壓器還可提供電源濾波功能,去除電源中的噪聲和干擾,確保電子設備正常工作。
低壓降線性穩壓器用于穩定電源輸出電壓,它的主要作用是將不穩定的輸出電壓轉換為穩定的輸出電壓,并抵消電源中的噪聲和波動,這有助于保護電子設備免受過高或過低電壓的損害。此外,低壓降線性穩壓器還可提供電源濾波功能,去除電源中的噪聲和干擾,確保電子設備正常工作。
本文將詳細介紹上海芯熾科技集團有限公司的SC8101。作為一款具有0.8uA(Typ)超低靜態電流,3.4V-5.5V寬工作電壓范圍的高速高精度低壓差線性穩壓芯片,SC8101具有使能引腳和關斷快速放電功能,以及輸入限流、輸出短路保護、過熱保護等功能,能夠在異常工作條件下保護芯片不受損傷。該產品憑借其低功耗、低壓降、高精度輸出、多種保護功能、小型封裝等優勢,為多領域的工業電子電力設備鋪平了道路,深受客戶的青睞。
諸如電池供電的產品、參考電壓源以及其他需要低電壓穩壓的設備,都對穩定的電源輸出,免受電壓波動及噪聲干擾提出了更嚴格的要求。而SC8101超低壓降線性穩壓器可廣泛應用于移動設備、物聯網設備、無線通信模塊和便攜式電子產品等領域,為您的電子設備提供高效穩定的電源管理解決方案。
SC8101功能模塊示意圖
SC8101的穩定性與可靠性體現在各個方面。SC8101穩壓芯片能夠提供較小的輸出電壓波動,接受一定的輸入電壓變化范圍,具有500mA的負載能力,680mW的最大耗散功率。當出現類似突然流入大電流而導致電壓瞬間下降的VIN
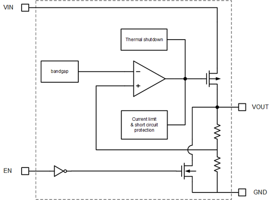
SC8101簡化框圖
結語
SC8101可廣泛應用于移動設備、物聯網設備、無線通信模塊和便攜式電子產品等領域,能夠為您的電子設備提供卓越的性能和可靠的電源管理解決方案。
(來源:上海芯熾)
免責聲明:本文為轉載文章,轉載此文目的在于傳遞更多信息,版權歸原作者所有。本文所用視頻、圖片、文字如涉及作品版權問題,請聯系小編進行處理。
推薦閱讀:





