【導讀】數據中心正在部署基于人工智能 (AI) 的技術,處理器密集型服務器正在推動能源需求的增長,下表說明了這種發展趨勢所帶來的巨大影響。國際能源署 (IEA) 預測,到 2030 年,數據中心的耗電量將占全球耗電量的 7%,相當于印度全國的耗電量。
數據中心正在部署基于人工智能 (AI) 的技術,處理器密集型服務器正在推動能源需求的增長,下表說明了這種發展趨勢所帶來的巨大影響。國際能源署 (IEA) 預測,到 2030 年,數據中心的耗電量將占全球耗電量的 7%,相當于印度全國的耗電量。
圖 1:數據中心 CPU 和 GPU 技術的功耗。
由于電力需求不斷增長,關注能源效率至關重要。泰克與知名電源完整性專家 Steve Sandler 合作,開發了出色的測量技術,旨在改進下一代人工智能數據中心的運營效率/能效。隨著對電力的需求不斷增長,對能源效率的重視至關重要。與備受認可的電力完整性專家史蒂夫·桑德勒(Steve Sandler)合作;泰克開發了良好的測量技術,以提高下一代 AI 數據中心的運營/瓦特。
提高電源分配網絡 (PDN) 的能效提高供電網絡 (PDN) 的能源效率
PDN 必須為驅動服務器機架中的 GPU 敏感負載提供許多低噪聲直流電源軌。追求更高速度和更高密度意味著,需要在更低電壓水平和更大電流下實現更快邊緣速率、更高頻率和更多軌道。這突顯了良好電源完整性的重要性。PDN 必須為驅動這些服務器機架中 GPU 的敏感負載提供許多低噪聲直流電源軌。追求更高的速度和更高的密度意味著更快的邊沿速率、更高的頻率和更多的電源軌,但電壓水平更低,電流更高,如上圖所示。這強調了良好的電源完整性。
進行電源完整性測試的目的是,驗證到達負載點 (POL) 的電壓和電流在所有預期運行條件下是否滿足負載的電源軌規格要求。要在千兆赫頻率下準確測量毫伏級電源軌噪聲,尤其需要注意。進行電源完整性測量的目的是驗證在所有預期工作條件下到達負載點 (POL) 的電壓和電流是否符合負載的電源軌規格。在GHz頻率下,需要特別注意精確測量電源軌噪聲的毫伏。
讓我們通過基于的服務器系統的電源分配網絡高能級結構圖,了解如何評估 PDN 性能。讓我們看一下如何通過基于服務器的系統上的配電網絡的高級視圖來評估 PDN 性能。
圖 2:數據中心的高級配電網絡。
如圖所示,典型數據中心通過 12 V、24 V 或 48 V 直流電源為其基于 AI 的服務器供電,然后在主板上將電壓轉換為其他電源電壓。工程師能夠查看從電源輸出到 FPGA、處理器和其他復雜 IC 的鏈路中的每個環節,因此可以將電源軌阻抗控制在非常低的水平,以便輸送由 GPU 技術驅動的 AI 服務器所需的高電流。阻抗管理的棘手之處在于配電網絡由許多阻抗組成,包括電壓調節器、去耦電容器和 PCB 走線。高速交換和熱插拔服務器卡會引入意外的阻抗變化,這可能導致過多的瞬變或噪聲。如圖所示,典型的數據中心通過 12、24 或 48 V DC 電源為其基于 AI 的服務器供電,然后將其轉換為主板上的其他電源電壓。工程師能夠查看從電源輸出到 FPGA、處理器和其他復雜 IC 的鏈條中的每個環節,因此必須將電源軌阻抗管理在非常低的水平,以便提供由 GPU 技術驅動的以 AI 為中心的服務器中的高電流。使阻抗管理復雜化的是,網絡由許多阻抗組成,包括穩壓器、去耦電容器和PCB走線。高速交換和熱插拔服務器卡會帶來意想不到的阻抗變化,從而導致過多的瞬變或噪聲。
要確保穩定節能的設計,首先要最大限度地減少 PDN 中的噪聲。電源軌噪聲規格可以達到數百兆赫或數千兆赫的頻率范圍,其幅度達到毫伏級。要確保穩定、節能的設計,首先要將 PDN 中的噪聲降至最低。電源軌上的噪聲規格可以上升到MHz或GHz頻率范圍,幅度以毫伏為單位。
評估能效首先要對交流線路輸入和輸出進行電能質量測量,以確保線電壓和線電流符合要求。用于評估質量的測量值如下所示:評估能效首先要對交流線路輸入和輸出進行電能質量測量,以確保線路電壓和線路電流。
評估質量的測量值如下所示:
頻率頻率
有效電壓和電流
有效值 電壓和電流
阻抗阻抗
波峰因數(電壓和電流)波峰因數(電壓和電流
有功功率、無功功率和視在功率真實功率、無功功率和視在功率
功率因數和相位功率因數和相位
為了確保準確進行這些測量,示波器探頭的選擇非常重要;使用差分探頭測量系統的線電壓,使用電流探頭測量系統的線電流。確保這些測量準確無誤;示波器探頭的選擇很重要;使用差分探頭測量系統的線路電壓,使用電流探頭測量系統的線路電流。
另一個關鍵測量是對 PDN 控制環路響應進行頻率響應分析。這將提供有關控制環路速度和電源穩定性的重要信息。借助波特圖查看分析結果,圖 3 中是示例設置。另一個關鍵測量是對PDN的控制環路響應進行頻率響應分析。這將提供有關控制回路速度和電源穩定性的寶貴信息。波特圖用于查看分析,圖 3 中的設置示例如下。
圖 3:電源分配網絡阻抗的測量設置。
電源完整性探測系統應受重視電源完整性探測系統值得關注
當今示波器配備的高阻抗 10X 無源探頭可能具有足夠的帶寬,但會使您想要測量的噪聲信號發生衰減。1X 探頭可無衰減地傳遞噪聲信號,但其帶寬僅為幾百兆赫。具有 50? 輸入阻抗的傳輸線探頭或電纜具有出色的高頻性能,但在直流情況下會產生顯著負載,除非增加直流隔離器。 衰減傳輸線探頭產生的負載較小,同時保持低噪聲和高帶寬。當今示波器附帶的高阻抗 10X 無源探頭可能具有足夠的帶寬,但它們會衰減您嘗試測量的噪聲信號。1X探頭通過噪聲信號而不衰減,但它們被限制在幾個MHz帶寬內。輸入阻抗為 50 Ω的傳輸線探頭或電纜具有出色的高頻性能,但在直流時會造成很大的負載,除非添加直流模塊。 衰減傳輸線探頭提供更少的負載,同時保持低噪聲和高帶寬。
電源軌探頭是另一類低噪聲探頭,偏移范圍高達 4 GHz,直流偏移范圍為 -60 至 +60 Vdc。在識別噪聲源方面,電源軌探頭是一種比傳統無源探頭更準確的替代工具,如下圖 4 所示。根據電源軌的電壓,可能需要直流阻斷器。 如果需要,請確保直流阻斷器為示波器提供浪涌保護,并且不受直流或交流偏置的影響。電源軌探頭雖然能夠測量很小的噪聲,但也是單端測量。 因此,需要使用能夠進一步減少測量接地環路誤差的同軸隔離器。Picotest 提供多種直流阻斷器和同軸隔離器來滿足此類需求。 詳細了解終極電源軌噪聲測量。電源軌探頭是另一類探頭,可在高達 4 GHz 的頻率下提供低噪聲和高失調范圍,直流失調范圍為 -60 至 +60 Vdc。在識別噪聲源方面,這被視為傳統無源探頭的更準確替代方案;如下圖 4 所示。根據電源軌的電壓,可能需要一個直流塊。如果是這種情況,請確保它為示波器提供浪涌保護,并且對直流或交流偏置不敏感。電源軌探頭雖然噪聲非常低,但也是單端的。為此,請尋找能夠進一步減小測量接地環路誤差的同軸隔離器。Picotest提供一系列直流模塊和同軸隔離器來滿足這些需求。了解有關終極電源軌噪聲測量的更多信息。
圖 4:使用無源探頭(下方跡線)和電源軌探頭(上方跡線)的電源線紋波測量比較。
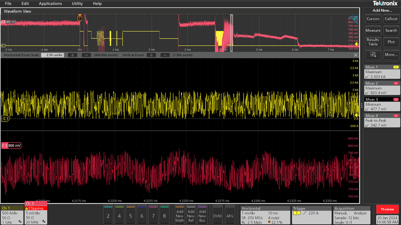
快速低噪聲采集與超快速邊緣負載相結合,可模擬 AI 級處理器工作負載,從而可以準確評估 PDN 設計中的電源軌噪聲電壓以及電源軌與電源軌之間的串擾。在結合使用泰克 5 B 系列 MSO 或 6 B 系列 MSO 示波器的情況下,Picotest提供了完整的負載設備系列,最高為 2,000 安培、1 納秒的邊緣負載,并支持高達 65Ms/s 的采樣率,以進行精確的模擬實驗。(見圖 5)快速、低噪聲采集與超快邊緣負載相結合,可模擬 AI 級處理器工作負載;允許準確評估 PDN 設計中的電源軌噪聲電壓和電源軌到電源軌串擾。與泰克 5 系列 B MSO 或 6 系列 B MSO 示波器結合使用;Picotest 提供高達 2,000 安培、1ns 邊緣負載的完整負載系列,支持高達 65MS/s 的采樣率,以實現精確的仿真工作。(見圖5)
圖 5 顯示了對 AI 級處理器進行偽隨機高幅度負載的特性分析。
使用 Picotest 負載設備進行特性分析,并通過泰克 6 系列 B MSO 示波器進行測量,可以確保特性分析的準確性。泰克 6 系列 B MSO 示波器是捕獲低噪聲、高分辨率信號的理想儀器。圖5.顯示 AI 級處理器高振幅負載的偽隨機步長的表征。這種表征的準確性是通過使用 Picotest 負載實現的,并由泰克 6 系列 B MSO 示波器測量,非常適合低噪聲和高分辨率信號捕獲。
示波器測量分析有助于節省時間并減少錯誤
識別和分析 PDN 中的故障點可能耗費時間。在電源分配網絡中尋找紋波、過沖、欠沖、開啟、關閉、時間趨勢、穩定時間和抖動信號是一項復雜的任務。值得慶幸的是,當今大多數現代示波器都提供了內置分析軟件,用于設置儀器和自動執行信號采集和顯示。下方為波紋自動測量示例。將這些特性內置到儀器中,再加上具備通過遠程 PC 進行自動化的功能,可以簡化大型團隊的 AI 性能評估工作,同時,還可以評估 AI 支持性能隨時間和溫度的變化情況,以測試服務器的效率和耐久性。
圖 6:自動紋波測量,并在 5 系列 B MSO 示波器顯示屏的右側顯示注釋結果。
總結
由于人工智能 (AI) 推動下一代數據中心的能源需求增長,評估電源分配網絡 (PDN) 的性能和效率變得比以往任何時候都更加重要。隨著人工智能 (AI) 推高下一代數據中心的能源需求;評估供電網絡的性能和效率變得比以往任何時候都更加重要。采用良好的 PDN 測試和測量策略,將會使 AI 就緒數據中心達到最佳運行性能、可靠性和能效,擁有良好的 PDN 評估測試和測量策略將導致數據中心在性能、可靠性和能源效率方面實現最佳功能、人工智能就緒。
(來源:泰克科技)
免責聲明:本文為轉載文章,轉載此文目的在于傳遞更多信息,版權歸原作者所有。本文所用視頻、圖片、文字如涉及作品版權問題,請聯系小編進行處理。
推薦閱讀:
貿澤推出全新汽車資源中心幫助工程師了解并引領EV/HEV技術的未來
貿澤電子新品推薦:2024年第二季度推出超過10,000個新物料
觀眾登記開啟|elexcon2024深圳國際電子展8月27-29日約您來見,20+重磅活動與數千新品引爆AI+技術生態






