【導讀】本文介紹了工業應用輔助電源解決方案,包括兩級式輔助電源架構和各種拓撲結構。第一級輔助電源通常使用反激拓撲,英飛凌的1700V CoolSiC? SiC MOSFET可以幫助客戶簡化設計。第二級輔助電源可以使用LLC、推挽式或全橋式拓撲,英飛凌的2EP1XXR系列驅動IC可以提供簡單靈活的解決方案。
摘要
本文介紹了工業應用輔助電源解決方案,包括兩級式輔助電源架構和各種拓撲結構。第一級輔助電源通常使用反激拓撲,英飛凌的1700V CoolSiC? SiC MOSFET可以幫助客戶簡化設計。第二級輔助電源可以使用LLC、推挽式或全橋式拓撲,英飛凌的2EP1XXR系列驅動IC可以提供簡單靈活的解決方案。
在一些工業應用如電機驅動系統、光伏逆變器或MMC模塊化多電平換流器等都需要用到輔助電源,常采用的輔助電源架構為兩級式,又稱為半分布式電源架構,其中第一級為了兼容更多系統應用,需要支持寬范圍電壓輸入,如從高壓直流側取電,600V~1000V的輸入電壓經一級輔助電源后轉換為低壓穩壓軌,一般一級輸出電壓為5V、24V或15V,為控制器、傳感器或者風扇等供電。對于幾十kW及其以下的單相系統或者三相系統,一級輔助電源的總輸出功率一般要求在100W以內;第二級架構為柵極驅動器提供隔離偏置電源,驅動SiC,IGBT和GaN等功率器件。因第二級輸入電壓為前級生成的穩壓軌,在對輸出電壓精度要求沒那么嚴格時也可使用開環控制運行。在整個系統應用中,英飛凌可以為輔助電源應用提供全套低功耗、高性能和靈活兼具的方案。
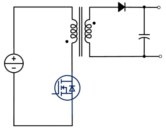
圖1.使用兩級式架構的輔助電源
對于第一級輔助電源:
一般使用反激拓撲實現。單開關反激式拓撲因結構簡單,元器件較少,在寬范圍輸入下具有高效率,多負載下調整率較好,能以較低成本實現不錯的性能而備受青睞。下圖2是一個反激式拓撲的簡化示意圖,該拓撲僅使用一個開關來控制流經初級繞組的電流,當開關管導通時,輸入電流流入磁化電感,能量暫時存儲在磁芯中,副邊整流二極管截止,輸出電壓僅由輸出電容放電維持;當開關管斷開時,繞組的極性發生反轉,磁芯中存儲的能量以電流的形式釋放,經整流后為負載和輸出電容提供能量。
反激式拓撲功率不能做得太大,因為在能量傳遞中,磁化電感只是一個臨時的儲能元件,副邊在續流中會產生較大的峰值電流,所以在大功率場合應用會影響效率。
圖2.反激式拓撲
當初級開關管斷開時承受的總的電壓應力主要由三個方面組成:第一是輸入電壓,第二是儲存的能量通過變壓器輸送到負載時,初級線圈上將感應出反射電壓Vrefl,Vrefl的幅值由輸出電壓和匝比決定;第三是電壓尖峰Vspike,這是由一次繞組的漏電感中存儲的能量造成的。對于一個DC 600~1000V的系統而言,Vrefl常在100~150V左右,Vspike在200V左右,在最高輸入條件下開關管的最高耐壓最少需要達到1350V左右,為了保證系統安全運行,需要留有一定的電壓裕量,因此至少需要額定電壓在1500V及以上的開關器件,或采用雙管反激變換器,用兩只開關管代替單管,并在電路中采用鉗位二極管,把每個開關管上的峰值電壓應力鉗位至輸入電壓,這樣就可以選擇相對應力較低的器件。但同時器件的數量和成本也相應增加,且需要額外的高邊側隔離驅動電路,使整體設計變得更為復雜。
圖3.反激式變換器的開關節點電壓
SiC MOSFET技術的一個重要價值是使得1200V以上有了性能優秀的高速開關器件,英飛凌針對反激式輔助電源應用,提供1700V 450mΩ/650mΩ/1000mΩ三種規格的CoolSiC? SiC MOSFET可以幫助客戶簡化設計,采用單管反激拓撲即可實現電壓轉換,多種規格以滿足不同功率段的應用要求(詳細產品信息可點擊:新品 | 采用D2PAK-7L封裝的1700V CoolSiC? MOSFET,輔助電源的理想搭檔)。
作為一款輔助電源應用的主推產品,它不但提升了電氣間隙和爬電距離,還可以通過控制器直接驅動,無需驅動電路,封裝兼具D2PAK-7L和TO-247-3HCC兩種,產品的詳細信息可參考往期文章:新品 | 可直接驅動的單端反激式輔助電源用 1700V CoolSiC? MOSFET。
圖4 .1700V CoolSiC? MOSFET的型號與對應功率段推薦
感興趣的用戶還可去英飛凌官網申請“REF_62W_FLY_1700V_SiC”參考板,該參考板旨在支持客戶為三相系統設計輔助電源,工作電壓范圍在200VDC至1000VDC,具有三種電壓輸出:+15V、-15V和+24V,最大輸出功率高達62.5W。
對于第二級輔助電源:
輸入電壓為前級輸出的低壓穩壓軌,輸出功率相對較低,當對輸出電壓精度要求>1%時,可選擇無光耦合器的拓撲設計以降低復雜性并能提供可靠性保障,常見的開環隔離拓撲如下文所示。
LLC式拓撲
LLC諧振變換器作為一種在大功率應用常見的串并聯諧振變換器,兼具串聯和并聯諧振變換器的優點,可以利用變壓器漏感參與諧振以實現全程軟開關特性,EMI低,適用于對效率、功率密度要求較高的場合。與反激、推挽等非諧振式變換器相比,LLC諧振變換器對變壓器的設計較友好,對原副邊耦合度要求較低,可以使用高隔離電壓和低匝間電容兼具的變壓器,因此在小功率隔離電源中也能見到LLC變換器的身影。
下圖5是一個常見的半橋LLC拓撲的簡化示意圖,嚴謹的說,應該是非對稱半橋LLC,根據諧振電容位置的不同,半橋LLC拓撲還可以演化成分裂電容對稱半橋LLC(圖6),也即將諧振電容一分為二成兩個等量的電容串聯,使得兩個諧振支路處于對稱狀態。和非對稱半橋LLC拓撲相比,分裂電容對稱半橋LLC由兩個諧振電容串聯后并聯在輸入側,兩個諧振電容電壓之和為輸入電壓,故每個諧振電容上仍有Vin/2的直流偏置電壓,但流過諧振電容的電流為諧振腔電流的一半,紋波電流更小,諧振電容的選型有更多的選擇。
推挽式拓撲
下圖是一個半橋推挽式拓撲的簡化示意圖,所謂推挽,即開關管交替推動電流,利用中心抽頭變壓器來形成相位相反的交流電壓。當其中一個開關管導通時,從源流經變壓器中心抽頭的電流逐漸上升,副邊感應電壓經整流后為輸出負載供電;當另外一個開關管導通時工作同理,但對應另一半繞組上電壓相位相反。兩個開關管交替開通,且開關管均屬于低邊側,參考點同為電源地,在驅動控制上相對簡單,變壓器工作在雙向勵磁狀態,故而不另需要復位電路,電路設計也得到簡化。
值得注意是,當S1導通時,N1繞組上承載的電壓為全部輸入電壓,這個電壓會同時耦合到N1’繞組上,因此S2在關斷期間承受的峰值電壓實為兩倍輸入電壓,所以推挽電路一般用在低壓輸入的中小功率場合。除此之外,如果不是對稱交替開關,也即兩個開關管導通時間不一致,在各自導通時間內內勵磁電流將不正負對稱,進而導致交替開關后磁芯不能完全復位,交變磁通量中包含直流偏磁分量,可能會導致磁路飽和。為了避免偏磁,在使用推挽式拓撲時盡量使用一對一致性較好的開關管,變壓器設計時還可留有適當氣隙,增大飽和磁通量。
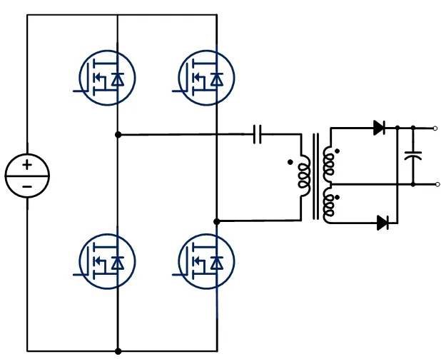
全橋式拓撲
相較于半橋推挽式拓撲,全橋式拓撲的開關器件數量增加了一倍,但原邊繞組數量和開關管的耐壓僅為推挽結構的一半。兩路橋臂中同一橋臂上下兩開關管呈交替導通,兩橋臂間互為對角的兩個開關管則同時導通,開關管關斷時承受的電壓則為全部輸入電壓。變壓器繞組跨接在兩路橋臂中點,加載在繞組上的電壓經交替開關后變成了交流電壓,實現雙向勵磁,對磁芯的利用率較高。
全橋拓撲和推挽式拓撲共同面臨的一個問題就是變壓器繞組在被交替開關驅動時,必須是對稱的驅動,否則也會有偏磁的問題。如若導通時間不對稱,則加載在繞組上伏秒積在相應的導通時間內就不相等,磁芯的磁化曲線也會越來越偏離原點。好在全橋式拓撲變壓器結構簡單,沒有中心抽頭,在變壓器初級繞組上串聯一個隔直電容就能避免偏磁,簡單而有效。
圖9.帶有隔直電容的全橋式變換器
關于全橋式變壓器驅動器,英飛凌的2EP1XXR系列是一款頻率和占空比可調的全橋變壓器驅動器,為搭建最高13W的隔離電源提供簡單靈活的解決方案,器件支持4.5~20V的寬范圍直流電壓供電,支持占空比調節,可滿足不同隔離輸出電壓的需求,并集成溫度、短路和UVLO保護功能,有助于提高系統的可靠性,且驅動器內部集成功率全橋,占用空間小,僅需要變壓器即可完成設計,大幅降低隔離DC/DC電源的設計復雜性,在復雜的環境中保障系統的安全于穩定運行。詳細產品信息可參考:新品 | 2EP1xxR - 頻率和占空比可調的驅動電源用20V全橋變壓器驅動器
基于2EP1XXR系列驅動IC,現在還提供多款評估板可供申領使用,無論是從事太陽能、電動汽車充電還是儲能系統等應用,都可選擇這款評估版作為新穎驅動電源設計,升級驅動設計,減小PCB面積,降低成本,新品 | 頻率和占空比可調的驅動電源用全橋變壓器驅動器評估板。
結語
在設計一款隔離式電源時,硬件復雜性和噪聲耦合是避不開的問題,尤其是在在中低功率水平下,成本、尺寸和效率收益都會影響一個設計方案最終的選擇。在大多數使用反激、推挽或全橋拓撲的場合,都要考慮變壓器漏感帶來的EMI和器件開關應力問題,而為了降低漏感又常將繞線緊密耦合甚至繞組交錯,這又使得初次級間的寄生電容增大,故而不得不在變壓器設計上投入更高成本。LLC拓撲可以把變壓器的漏感作為諧振的一部分,漏感能量不會浪費在初級對器件造成額外的開關應力,對EMI友好,但是PFM控制復雜,需要昂貴的專用控制芯片。因此,無論是使用哪種拓撲,除了兼具性能和靈活性,綜合成本也是主要考慮因素。
(作者:肖淼淼,來源:英飛凌工業半導體)
免責聲明:本文為轉載文章,轉載此文目的在于傳遞更多信息,版權歸原作者所有。本文所用視頻、圖片、文字如涉及作品版權問題,請聯系小編進行處理。
推薦閱讀:
大聯大品佳創佳績!憑英飛凌AURIX? TC4xx方案榮獲中國工控網“應用創新”大獎



