本例介紹一款采用555時基集成電路設計制作的簡易超聲波驅蟲器,它在工作時能產生48kHz的超聲波,可以驅趕在200米以內活動的蚊子、蒼蠅、蟑螂和老鼠。
電路工作原理
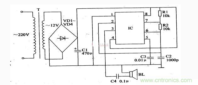
該電子驅蟲器由電源電路和多諧振蕩器組成部分成,如圖所示。

電源電路由電源變壓器T,整流二極管VD1-VD4和濾波電容器C1組成。
多諧振蕩器由時基集成電路IC和電阻隔器R1,R2,電容器C2,C3組成部分成。
C4為耦合電容不得器;BL為揚聲器。
接通電源后,交流220V電壓經T降壓,VD1-VD4整流和C1濾波后,產生12V(Vcc)直流電壓供給IC。
多諧振蕩器通電振蕩工作后,從IC 的3腳輸出頻率為48kHz的矩形波,該矩形波通過BL轉換成超聲波并向外輻射出去,即可驅趕附近的害蟲。
調整Rl、R2的阻值或C2的容量,可以改變多諧振蕩器的工作頻率。
元器件選擇
Rl和R2均選用1/4W碳膜電阻器。
Cl選用耐壓值為16V的鋁電解電容器;C2選用高頻瓷介電容器;C3和C4均選用獨石電容器。
VDl-VD4均選用1N4007型硅整流二極管。
IC選用NE555型時基集成電路。
T選用3W、二次電壓為l2V的電源變壓器。
BL選用0?25W、8Ω的電動式揚聲器。
相關閱讀:
教你巧避電橋傳感器電路設計時各種陷阱【有實例】
http://aolaiaolisita.com/sensor-art/80022543
一款可用于音頻功放的過溫保護電路設計
http://aolaiaolisita.com/cp-art/80022525
一款12V的單片開關穩壓電源電路設計
http://aolaiaolisita.com/power-art/80022445




