【導讀】無線發射器和接收器在概念上,可分為基頻與射頻兩個部份。基頻包含發射器的輸入信號之頻率范圍,也包含接收器的輸出信號之頻率范圍。基頻的頻寬決定了數據在系統中可流動的基本速率。基頻是用來改善數據流的可靠度,并在特定的數據傳輸率之下,減少發射器施加在傳輸媒介(transmission medium)的負荷。
射頻(RF)技術—基本介紹
RF(Radio Frequency)技術被廣泛應用于多種領域,如:電視、廣播、移動電話、雷達、自動識別系統等。專用詞RFID(射頻識別)即指應用射頻識別信號對目標物進行識別。RFID的應用包括:
● ETC(電子收費)
● 鐵路機車車輛識別與跟蹤
● 集裝箱識別
● 貴重物品的識別、認證及跟蹤
● 商業零售、醫療保健、后勤服務等的目標物管理
● 出入門禁管理
● 動物識別、跟蹤
● 車輛自動鎖死(防盜)
RF(射頻)專指具有一定波長可用于無線電通信的電磁波。電磁波可由其頻率表述為:KHz(千赫),MHz(兆赫)及GHz(千兆赫)。其頻率范圍為VLF(極低頻)也即10-30KHz至EHF(極高頻)也即30-300GHz。
RFID是一項易于操控,簡單實用且特別適合用于自動化控制的靈活性應用技術,其所具備的獨特優越性是其它識別技術無法企及的。它既可支持只讀工作模式也可支持讀寫工作模式,且無需接觸或瞄準;可自由工作在各種惡劣環境下;可進行高度的數據集成。另外,由于該技術很難被仿冒、侵入,使RFID具備了極高的安全防護能力。
從概念上來講,RFID 類似于條碼掃描,對于條碼技術而言,它是將已編碼的條形碼附著于目標物并使用專用的掃描讀寫器利用光信號將信息由條形磁傳送到掃描讀寫器;而RFID則使用專用的RFID讀寫器及專門的可附著于目標物的RFID單元,利用RF信號將信息由RFID單元傳送至RFID讀寫器。
RFID單元中載有關于目標物的各類相關信息,如:該目標物的名稱,目標物運輸起始終止地點、中轉地點及目標物經過某一地的具體時間等,還可以載入諸如溫度等指標。RFID單元,如標簽、卡等可靈活附著于從車輛到載貨底盤的各類物品。
RFID技術所使用的電波頻率為50KHz-5.8GHz,如圖一所示,一個最基本的RFID系統一般包括以下幾個部份:
● 一個載有目標物相關信息的RFID單元(應答機或卡、標簽等)
● 在讀寫器及RFID單元間傳輸RF信號的天線
● 一個產生RF信號的RF收發器(RF transceiver)
● 一個接收從RFID單元上返回的RF信號并將解碼的數據傳輸到主機系統以供處理的讀寫器。
● 天線、讀寫器、收發器及主機可局部或全部集成為一個整體,或集成為少數的部件。不同制造商有各自不同的集成方法。
(在以上基本配置之外,還應包括相應的應用軟件)
射頻技術—典型的射頻電路
射頻電路最主要的應用領域就是無線通信,圖1為一個典型的無線通信系統的框圖,下面以這個系統為例分析射頻電路在整個無線通信系統中的作用。

這是一個無線通信收發機(《span》tranceiver)的系統模型,它包含了發射機電路、接收機電路以及通信天線。這個收發機可以應用于個人通信和無線局域網絡中。在這個系統中,數字處理部分主要是對數字信號進行處理,包括采樣、壓縮、編碼等;然后通過A/D轉換器轉換器變成模擬形式進入模擬信號電路單元。
射頻技術—電路的組成和特點
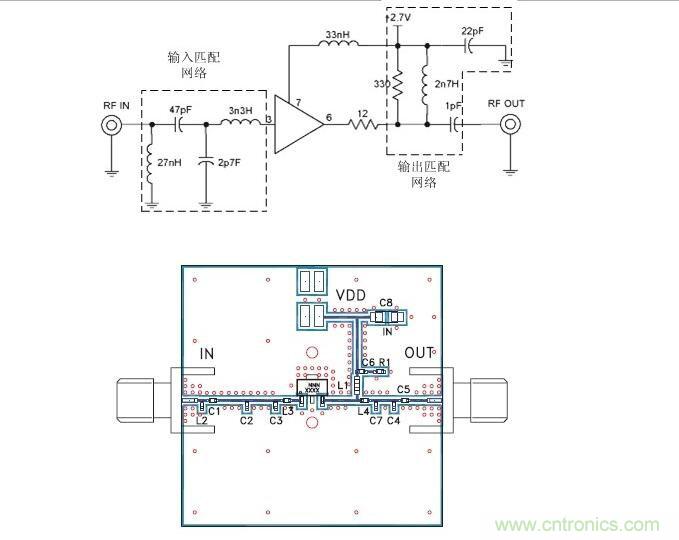
下面,將針對圖方框圖中的低噪聲放大器(LNA)討論一般射頻電路的組成和特點。

上圖給出了這個放大器的電路板圖, 注意到輸入信號是通過一個經過匹配濾波網絡輸入放大模塊。放大模塊一般采用晶體管的共射極結構,其輸入阻抗必須與位于低噪聲放大器前面的濾波器的輸出阻抗 相匹配,從而保證最佳傳輸功率和最小反射系數,對于射頻電路設計來說,這種匹配是必須的。此外,低噪聲放大器的輸出阻抗必須與其后端的混頻器輸入阻抗相匹 配,同樣能保證放大器輸出的信號能完全、無反射的輸入到混頻器中去。這些匹配網絡是由微帶線組成,在有些時候也可能由獨立的無源器件組成,但是它們在高頻 情況下的電特性與在低頻的情況下完全不同。圖上還可以看出微帶線實際上是一定長度和寬度的敷銅帶,與微帶線連接的是片狀電阻、電容和電感。
射頻技術—電路的功率和增益
增益、噪聲和非線性是描述射頻電路最常用的指標。在射頻和微波系統中,由于反射的普遍存在和理想的短路、開路難以獲得,低頻電路中常用的電壓和電流參數的測量變得十分困難,因此,功率的測量得到了廣泛的應用。并且,傳統的射頻和微波電路使用分立元件和傳輸線構成,電路的輸入、輸出通常需要匹配到一個系統阻抗(50?或75?)。由于上面兩個原因,電路的性能指標,如增益、噪聲、非線性等,都可以通過功率表示出來
為了計算方便,在射頻和微波工程中常用功率強度對數的形式來表示功率,dBm是信號功率相對于1mW的對數值。
有了功率的定義,現在開始討論射頻系統中的一個重要指標:增益。在射頻系統中考慮的功率指的是功率增益,這與電壓增益很容易產生混淆。此外,在射頻系統中,同樣存在多種功率的定義,當匹配電路存在時,可以定義以下功率:
PL:負載獲得的功率
Pin:電路的輸入功率
Pavs:信號源能提供的最大功率
Pavn:電路能提供的最大功率
相應的,可以定義三種功率:一般功率增益Gp、轉化功率增益GT和資用增益GA,它們由下列公式給出。
射頻技術—電路設計方法
無線發射器和接收器在概念上,可分為基頻與射頻兩個部份。基頻包含發射器的輸入信號之頻率范圍,也包含接收器的輸出信號之頻率范圍。基頻的頻寬決定了數據在系統中可流動的基本速率。基頻是用來改善數據流的可靠度,并在特定的數據傳輸率之下,減少發射器施加在傳輸媒介(transmission medium)的負荷。因此,PCB設計基頻電路時,需要大量的信號處理工程知識。發射器的射頻電路能將已處理過的基頻信號轉換、升頻至指定的頻道中,并 將此信號注入至傳輸媒體中。相反的,接收器的射頻電路能自傳輸媒體中取得信號,并轉換、降頻成基頻。
發射器有兩個主要的PCB設計目標:第一是它們必須盡可能在消耗最少功率的情況下,發射特定的功率。第二是它們不能干擾相鄰頻道內的收發機之正 常運作。就接收器而言,有三個主要的PCB設計目標:首先,它們必須準確地還原小信號;第二,它們必須能去除期望頻道以外的干擾信號;最后一點與發射器一 樣,它們消耗的功率必須很小。
射頻技術—仿真之大的干擾信號
接收器必須對小的信號很靈敏,即使有大的干擾信號(阻擋物)存在時。這種情況出現在嘗試接收一個微弱或遠距的發射信號,而其附近有強大的發射器 在相鄰頻道中廣播。干擾信號可能比期待信號大60~70 dB,且可以在接收器的輸入階段以大量覆蓋的方式,或使接收器在輸入階段產生過多的噪聲量,來阻斷正常信號的接收。如果接收器在輸入階段,被干擾源驅使進 入非線性的區域,上述的那兩個問題就會發生。為避免這些問題,接收器的前端必須是非常線性的。
因此,“線性”也是PCB設計接收器時的一個重要考慮因素。由于接收器是窄頻電路,所以非線性是以測量“交調失真 (intermodulaTIon distorTIon)”來統計的。這牽涉到利用兩個頻率相近,并位于中心頻帶內(in band)的正弦波或余弦波來驅動輸入信號,然后再測量其交互調變的乘積。大體而言,SPICE是一種耗時耗成本的仿真軟件,因為它必須執行許多次的循環 運算以后,才能得到所需要的頻率分辨率,以了解失真的情形。
射頻技術—電路仿真之小的期望信號
接收器必須很靈敏地偵測到小的輸入信號。一般而言,接收器的輸入功率可以小到1 μV。接收器的靈敏度被它的輸入電路所產生的噪聲所限制。因此,噪聲是PCB設計接收器時的一個重要考慮因素。而且,具備以仿真工具來預測噪聲的能力是不 可或缺的。附圖一是一個典型的超外差(superheterodyne)接收器。接收到的信號先經過濾波,再以低噪聲放大器(LNA)將輸入信號放大。然 后利用第一個本地振蕩器(LO)與此信號混合,以使此信號轉換成中頻(IF)。前端(front-end)電路的噪聲效能主要取決于LNA、混合器 (mixer)和LO。雖然使用傳統的SPICE噪聲分析,可以尋找到LNA的噪聲,但對于混合器和LO而言,它卻是無用的,因為在這些區塊中的噪聲,會 被很大的LO信號嚴重地影響。
小的輸入信號要求接收器必須具有極大的放大功能,通常需要120 dB這么高的增益。在這么高的增益下,任何自輸出端耦合(couple)回到輸入端的信號都可能產生問題。使用超外差接收器架構的重要原因是,它可以將增 益分布在數個頻率里,以減少耦合的機率。這也使得第一個LO的頻率與輸入信號的頻率不同,可以防止大的干擾信號“污染”到小的輸入信號。
因為不同的理由,在一些無線通訊系統中,直接轉換(direct conversion)或內差(homodyne)架構可以取代超外差架構。在此架構中,射頻輸入信號是在單一步驟下直接轉換成基頻,因此,大部份的增益 都在基頻中,而且LO與輸入信號的頻率相同。在這種情況下,必須了解少量耦合的影響力,并且必須建立起“雜散信號路徑(stray signal path)”的詳細模型,譬如:穿過基板(substrate)的耦合、封裝腳位與焊線(bondwire)之間的耦合、和穿過電源線的耦合。
射頻技術—電路仿真之相鄰頻道的干擾
失真也在發射器中扮演著重要的角色。發射器在輸出電路所產生的非線性,可能使傳送信號的頻寬散布于相鄰的頻道中。這種現象稱為“頻譜的再成長 (spectral regrowth)”。在信號到達發射器的功率放大器(PA)之前,其頻寬被限制著;但在PA內的“交調失真”會導致頻寬再次增加。如果頻寬增加的太多, 發射器將無法符合其相鄰頻道的功率要求。當傳送數字調變信號時,實際上,是無法用SPICE來預測頻譜的再成長。因為大約有1000個數字符號 (symbol)的傳送作業必須被仿真,以求得代表性的頻譜,并且還需要結合高頻率的載波,這些將使SPICE的瞬態分析變得不切實際。
推薦閱讀:




