【導讀】未校正的發射LOL會在所需發射范圍內產生無用發射,造成潛在的違反系統規范的風險。本文論述發射LOL的問題,并介紹在ADI的RadioVerse™ 收發器系列中實現的可消除此問題的技術。如果可以將發射LOL降低到足夠低的水平,使其不再導致系統或性能問題,也許人們就可以不必為LOL問題而煩惱!
“優勢”總是和“挑戰”站在一起,即使被稱為“下一代SDR收發器中的黑魔法”,“零中頻”現在也面臨一個亟待克服的挑戰——發射本振泄漏,簡稱“發射LOL”。
什么是LOL?
RF混頻器有兩個輸入端口和一個輸出端口,如圖1所示。理想混頻器將產生一個輸出,它是兩個輸入的乘積。就頻率而言,該輸出的頻率應當是FIN + FLO以及FIN – FLO,不含其它項。如果任一輸入不在驅動狀態下,則不會有輸出。

圖1. 理想混頻器
在圖1中,FIN被設置為基帶頻率為1 MHz的FBB,FLO被設置為本振頻率為500 MHz的FLO。如果是理想混頻器,它將產生一個輸出,其中包含兩個信號音,頻率分別為499 MHz和501 MHz。
然而,如圖2所示,在FBB和FLO,真實混頻器還將產生一些能量。FBB處產生的能量可以忽略不計,因為它遠離所需的輸出,并且將被混頻器輸出之后的RF組件濾除。無論FBB處產生的能量如何,FLO下產生的能量都可能是一個問題。它非常接近或在所需的輸出信號內,并且很難或無法通過濾波去除,因為濾波也會濾除所需的信號。

圖2. 真實混頻器
LO應該用小一號或兩號的字體下產生的這種無用能量被稱為LOL。可驅動混頻器的本振 (LO) 已經泄漏到混頻器的輸出端口。LO還有其他途徑可以泄漏到系統輸出端,例如通過電源或跨越硅本身。無論本振如何泄漏,其泄漏都可被稱為LOL。
在只發射一個邊帶的實信號中頻架構中,可以通過RF濾波解決LOL問題。相比之下,在發射兩個邊帶的零中頻架構中,LOL位于所需輸出的中間,并形成了難度更高的挑戰(見圖3)。

圖3. FLO下產生的無用能量(以紅色顯示),FLO下產生的這一無用能量被稱為LOL
傳統濾波不再是一種選擇,因為任何去除LOL的濾波也會去除部分所需發射信號。因此,必須使用其他技術來消除LOL。否則,它最終在整個所需發射范圍內可能會成為無用發射。
消除LO泄漏(也稱為LOL校正)
生成幅度相等但相位與LOL相反的信號即可實現LOL消除,從而將其抵消,如圖4所示。假設我們知道LOL的確切幅度和相位,則可以對發射器輸入施加直流失調來生成抵消信號。

圖4. LO泄漏和抵消信號
抵消信號的生成
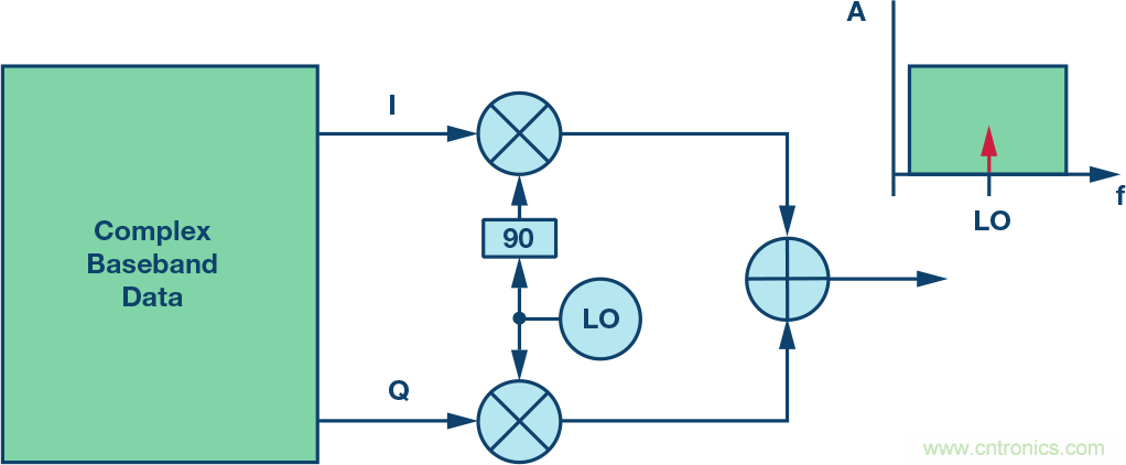
復數混頻器架構適用于生成抵消信號。由于混頻器中存在LO頻率的正交信號(它們是復數混頻器如何工作的關鍵),因此允許生成任何相位和幅度的LO頻率信號。
用于驅動復數混頻器的正交信號可以描述為Sin(LO)和Cos(LO) —這些是LO頻率的正交信號,可以驅動兩個混頻器。為了生成抵消信號,這些正交信號以不同的權重相加。就數學而言,我們可以產生一個輸出,即I × Sin(LO) + Q × Cos(LO)。運用不同的帶符號值代替I和Q,得到的和將是LO頻率信號,并且可以具有任何所需的幅度和相位。示例如圖5所示。

圖5. 生成的任何相位和任何幅度抵消信號的示例
所需的發射信號將需要應用于發射器的輸入。對發射數據施加直流偏置后,混頻器的輸出端將包含所需的發射信號以及所需的LOL抵消信號。特意生成的抵消信號將與無用的LOL組合抵消,僅留下 所需的發射信號。
觀測發射LOL
如圖6所示,使用觀測接收器來觀測發射LOL。在該示例中,觀測接收器使用與發射器相同的LO,因此LO頻率的任何發射能量都將在觀測接收器的輸出端顯示為直流。

圖6. 觀測與校正TxLO泄漏的基本概念
圖6所示的方法有其內在缺陷:使用相同的LO來發射和觀測,發射LOL將在觀測接收器的輸出端顯示為直流。由于電路中的元件不匹配,觀測接收器本身將具有一定量的直流,因此觀測接收器的總直流輸出將是發射鏈路中存在的發射LOL與觀測鏈路原生直流失調。有一些方法可以克服這個問題,但是更好的方法是使用不同的LO頻率進行觀測,從而將觀測路徑中的原生直流從發射LOL觀測結果中分離出來。這種情況如下面的圖7所示。

圖7. 使用不同LO發射和觀測
由于使用了不同于發射LO的頻率來觀測,因此在觀測接收器中,發射LO頻率的能量不會以直流出現。相反,它將顯示為頻率等于發射LO與觀測LO之差的基帶信號音。觀測路徑中的原生直流仍然會以直流出現,因此會將觀測直流與發射LOL測量結果完全分離。
為簡單起見,圖8使用單一混頻器架構說明了這一概念。在該示例中,發射器的輸入為零,因此其唯一輸出是發射LOL。頻移在觀測接收器之后完成,將發射LOL觀測到的能量移動到直流。

圖8. 從Tx LOL分離觀測接收器直流
找出必要的校正值
將觀測接收器的輸出除以從發射輸入到觀測接收器輸出的傳遞函數,并將得出的結果與預期發射進行比較,找出所需的校正值。涉及的傳遞函數如圖9所示。

圖9. 從發射器輸入到觀測接收器輸出的傳遞函數
從發射器基帶輸入到觀測接收器基帶輸出的傳遞函數由幅度縮放和相位旋轉兩部分組成。下文對此分別做了更詳細的說明。
圖10表明如果從發射輸出到觀測接收器輸入的回送路徑中具有增益或衰減,或者如果發射器電路的增益與觀測接收器電路的增益不同,則觀測接收器報告的發射信號的幅度可能不代表所發射信號的實際幅度。

圖10. 回送路徑衰減引起的幅度縮放
現在來看相位旋轉。重要的是要意識到信號不會從點A瞬間傳輸到點B。例如,信號以約光速的一半速度經過銅,這表示沿銅條傳輸的3 GHz信號的波長約為5厘米。這意味著如果使用間隔幾厘米的多個示波器探頭探測銅條,則示波器將顯示彼此不同相位的多個信號。圖11對這一原理進行了說明,圖中所示為沿銅條隔開的三個示波器探頭。每個點看到的信號頻率為3 GHz,但三個信號之間存在相位差。

圖11. 距離與相位的關系,5 cm走線,3 GHz信號,以及0 cm、2 cm和4 cm處的探頭點
需要注意的是,沿銅帶移動單個示波器探頭將不會顯示此效應,因為示波器將始終在0°相位觸發。只有使用多個探頭才能觀測到距離與相位之間的關系。
正如沿銅條出現相位變化一樣,從發射器輸入到觀測接收器輸出將發生相位變化,如圖12所示。LOL校正算法必須知道發生了多少相位旋轉,以便計算出正確的校正值。

圖12. 回送路徑中物理距離引起的相位旋轉
確定從發射輸入到觀測接收器輸出的傳遞函數
施加發射器輸入信號并將其與觀測接收器的輸出進行比較即可得到圖13所示的傳遞函數。但有些要點需要牢記。如果靜態 (dc) 信號被施加到發射器輸入,它將產生一個發射LO頻率的輸出,并且發射LOL將與其相結合。這將會妨礙正確得到傳遞函數。還應注意,發射輸出端可以連接到天線,因此故意向發射器輸入端施加信號可能是不被允許的。

圖13. 確定從發射器輸入到觀測接收器輸出的傳遞函數
為了解決這些挑戰,ADI收發器使用一種將低電平直流失調應用于發射信號的算法。周期性調整失調電平,觀測接收器的輸出會顯示這些擾動。然后,該算法分析比較觀測值增量與輸入值差值,如表1所示。在該示例中,沒有發射用戶信號,但是該方法在用戶信號存在時仍然適用。

表1. 觀測值增量與輸入值增量的比較
執行兩種情況的減法,從等式中消除恒定發射LOL,即可獲得傳遞函數。可以擴大到兩種情形以上,可對許多獨立結果取平均值以提高準確性。
小結
LOL校正算法將能學習從發射輸入到觀測接收器輸出的傳遞函數。然后將觀測接收器的輸出除以傳遞函數,得出發射器的輸入。將預期發射的直流電平與觀測到的發射直流電平進行比較,即可確定發射LOL。最后,該算法將計算消除發射LOL所必需的校正值,并將其作為直流偏置應用于所需的發射數據。
本文概述了ADI的RadioVerse收發器所用算法的一個方面。
推薦閱讀:




