【導讀】接近感應傳感器在我們的生活中發揮著重要的作用,在智能家居家電中廣泛存在,如自動感應出水的水龍頭,自動感應送風的空調,自動檢測并避開障礙物的掃地機及自動打開與關閉的走廊燈等等。
接近傳感器及現有方案
接近感應傳感器在我們的生活中發揮著重要的作用,在智能家居家電中廣泛存在,如自動感應出水的水龍頭,自動感應送風的空調,自動檢測并避開障礙物的掃地機及自動打開與關閉的走廊燈等等。接近感應的主要技術手段目前主要有紅外傳感(包括主動紅外和被動紅外)、超聲波傳感、多普勒微波傳感及紅外光飛行時間(ToF)等。每一種技術手段都有其獨特性及優缺點,下面我們將展開討論。
主動紅外因其成本低廉而應用廣泛,其主要由一個紅外發射管和一個紅外接收管組成。紅外發射管會發射一調制紅外光信號,該信號在遇到障礙物后被反射回來,接收管通過接收該反射信號并判斷反射信號的強度(即反射幅值)來判斷障礙物的遠近。然而,由于反射信號的強度不僅和障礙物距離有關系,還和障礙物的顏色有關,因為不同顏色的障礙物有不同的反射率,而且容易受到環境光的影響,故其可靠性比較低,無法輸出一個準確的距離信息,只能通過調試設置一個粗略的觸發門限 ,用于要求比較低的場合。
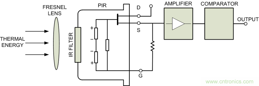
被動紅外是基于熱釋電效應的一類傳感器,由菲涅爾透鏡和熱釋電傳感器構成,其中菲涅爾透鏡主要用來將被測區域內的人或者動物所發出的紅外能量聚焦到感應窗口,感應窗口的濾光片會濾除特定波長(一般為人體發出的紅外波長)之外的環境光。濾光片下面會有兩個紅外光敏感元,相向串接在電路中,在空閑狀態時由于接收到相同量的環境紅外光而相互抵消,故沒有輸出。當有人或者動物經過檢測區域時,由于熱釋電效應其散發的紅外能量首先被第一個敏感元檢測到而產生一個正向的小信號輸出,繼而又被第二個敏感元檢測到而產生一個負向的小信號輸出,通過信號放大,傳感器便可檢測到附近人或者動物的活動。基于以上原理,我們不難看出,該類傳感器可以感應檢測范圍內的人體或動物的移動,進而產生觸發,靜止的人體是無法檢測的,而且在環境溫度接近于人體溫度的夏天,傳感器可靠性會受到較大影響。傳感器無法感知被測物體距離傳感器的距離有多遠。

圖1 主動紅外

圖2 被動紅外原理

圖3 被動紅外傳感器內部結構
多普勒微波傳感器,顧名思義是基于多普勒效應工作的一類傳感器,當被測對象相對于傳感器運動時,根據多普勒效應,傳感器發射的電磁波頻率和接收到的由被測對象反射回來的電磁波頻率不同,即產生頻移,對該頻移做信號調理便可產生一觸發信號。該類低成本傳感器和被動紅外傳感器一樣只能檢測目標的移動,而目標靜止時無法檢測到。
超聲傳感器是利用超聲波作為載體的傳感器,廣泛用于各類測距及接近感應應用中,一般由一個超聲發射器和一個超聲接收器構成,發射器發射一個超聲波脈沖出去,該脈沖遇到障礙物被反射回來被接收器接收,通過計算超聲波的飛行時間乘以聲波的速度,便可以得到障礙物的距離。常用的超聲傳感器可探測角度比較有限且體積較大,通常需要開音窗,不適合在工作環境較差的環境中使用。
基于光的飛行時間傳感器是近年來發展起來的一種新型傳感器,受到廣泛關注,在很多領域得到了應用,那么這類傳感器是如何工作的?其優點是什么?這就要從它的工作原理說起。
基于光飛行時間(Optical ToF)的接近傳感器基本原理
ToF全稱為Time of Flight, 即飛行時間,通常以紅外光作為載體,通過給目標連續發送光脈沖,然后用傳感器接收從物體返回的光,通過探測這些發射和接收光脈沖的飛行(往返)時間來得到目標物距離。光飛行時間的獲取通常有兩種方法,一種是基于光學快門法,一種是基于連續波相位差的方法。
基于光學快門的方法的原理非常簡單,發射一束脈沖光波,通過光學快門快速精確獲取照射到三維物體后反射回來的光波的時間差t,由于光速c已知,只要知道照射光和接收光的時間差,來回的距離可以通過公示d = t/2· c。 此種方法原理看起來非常簡單,但是實際應用中要達到較高的精度仍具有很大的挑戰,如控制光學快門開關的時鐘要求非常高的精度,還要能夠產生高精度及高重復性的超短脈沖,照射單元和TOF傳感器都需要高速信號控制,這樣才能達到高的深度測量精度。 假如照射光與ToF傳感器之間的時鐘信號發生10ps的偏移,就相當于1.5mm的位移誤差。
實際應用更多的是相位偏移法。如圖4所示,基于ToF技術的接近與距離傳感器典型框圖主要有兩部分構成,紅外光發射器和返回光接收器。發射器發射一連續高頻調制光信號(如10MHz),該調制光遇到障礙物后被反射,少部分反射光被接收器接收。比較發射光信號與接收光信號如圖5所示,其相位差隨著距離的變化而變化,距離越大相位差越大,通過處理電路提取相位差并通過計算便可得出障礙物的距離信息。

圖4 單點ToF傳感器框圖

圖5 發射光信號與返回光信號相位差
基于相位偏移法ToF技術的寬視角接近傳感器
基于相位偏移法的ToF技術易于半導體技術集成與實現,可以使得接近傳感器性能上大幅提升的同時兼具很高的性價比。實際應用中往往需要傳感器具有寬視角,能夠檢測整個視角范圍內的障礙物的距離信息。
OPT3101 是高速、高精度的單點 ToF 的模擬前端 AFE(算法基于連續調制波),用來接近感應和目標物 體的距離探測。如圖6所示,芯片集成了完整的深度/距離處理單元--包含 ADC、時序發生器和數字處理 引擎,以及發射光二極管驅動電路(最大 155mA)。所以系統只需要連接外部的光源發射調制光信號,和 外部的光電二極管 Photodiode 接收發射光到芯片輸入端。同時由于集成較高的環境光抑制能力,芯片能夠 工作在較強的環境光條件下(如 130Klux),甚至 1000 倍于信號強度(如 200uA 環境光 vs 200nA 的信號 強度)。芯片輸出數據中包含 16bit 的 Phase(景深/距離)數據、15bit 的接收反射光 Amplitude 強度數據 和 9bit 的環境光強度數據,通過 I2C 接口(Slave)輸出。芯片另一個 I2C 接口(Master)是接外部溫度 傳感器(若需要,芯片本身已有集成了溫度傳感器),用來做溫度校正功能。

圖6 OPT3101內部結構圖
圖7所示為設計原理框圖,由于OPT3101的高集成度,傳感器的外圍器件非常簡單,主要由三個紅外發射管和一個紅外接收管組成。MCU負責對OPT3101的內部寄存器進行配置及數據讀取。設計可實現對120度可視角范圍內的障礙物距離檢測,其中,每個紅外發射管負責40度范圍,三個共計實現120度,如圖8所示,紅外接收管的可視角大于120度并且中心頻率與發射管一致。

圖7

圖8
該傳感器具有以下優點:
1、具有精確距離輸出的接近傳感器
直接距離輸出,無需占用MCU計算資源
觸發門限隨意設定
不受物體是否移動影響
體積小巧靈活
2、120度寬視角
整個視角分為3個區域,由三顆發射燈分別覆蓋
可識別物體處于哪個區域
3、不受物體顏色及反射率影響
高動態范圍(HDR)
更高可靠性
4、更好的環境適應性
日光免疫,可在日光下可靠工作
黑暗環境下不受任何影響
(來源:E2E™ 中文支持論壇,作者:Richard Wang)
免責聲明:本文為轉載文章,轉載此文目的在于傳遞更多信息,版權歸原作者所有。本文所用視頻、圖片、文字如涉及作品版權問題,請聯系小編進行處理。



