【導讀】自v2.10版本開始TekScope軟件及泰克示波器(如4B系列MSO)引入了TekHSI高速接口技術,利用該項技術您可以以最高比SCPI快10倍的速度傳輸波形。這是因為SCPI標準的Curve和Curvestream的性能取決于儀器的具體實現,而TekHSI已經過優化,專為高性能和可擴展性而設計。TekHSI采用了優化的二進制協議,專用于高速數據傳輸。
自v2.10版本開始TekScope軟件及泰克示波器(如4B系列MSO)引入了TekHSI高速接口技術,利用該項技術您可以以最高比SCPI快10倍的速度傳輸波形。這是因為SCPI標準的Curve和Curvestream的性能取決于儀器的具體實現,而TekHSI已經過優化,專為高性能和可擴展性而設計。TekHSI采用了優化的二進制協議,專用于高速數據傳輸。
在示波器上啟用TekHSI
要開始使用TekHSI,首先需要在您的示波器上啟用TekHSI功能(要求示波器的固件版本為v2.10及以上)。在支持的示波器(泰克4/5/6系MSO)上啟用TekHSI,請導航到Utility(輔助功能) > I/O菜單,點擊展開“HIGH SPEED INTERFACE(高速接口)”。啟用該功能并根據需要定義自定義端口,如圖1所示。

圖:在支持的示波器上啟用TekHSI
作為TekScope PC用戶,您無需在示波器上啟用HSI。當您添加新的示波器時,在連接時,TekScope PC將執行檢索過程,以識別該示波器是否支持TekHSI。如果支持,TekScope PC將使用TekHSI進行所有采集;若不支持,則會回退至SCPI曲線命令。
基于離線波形分析,緩解儀器資源壓力
離線波形查看功能可讓工程師在不使用示波器的情況下對已獲取的數據進行分析,而示波器通常是一種昂貴的共享資源。利用離線軟件,您可以輕松地與其他團隊成員、供應商或客戶共享數據。大多數示波器都采用大屏幕顯示器,外形小巧。由于TekScope PC軟件可在PC上運行,因此您可以在沒有示波器的任何地方查看捕獲的波形。
可擴展調試和分析功能,按需激活
TekScope PC搭配示波器是一款完美的工具,可擴展調試和分析功能,加快設計周期。
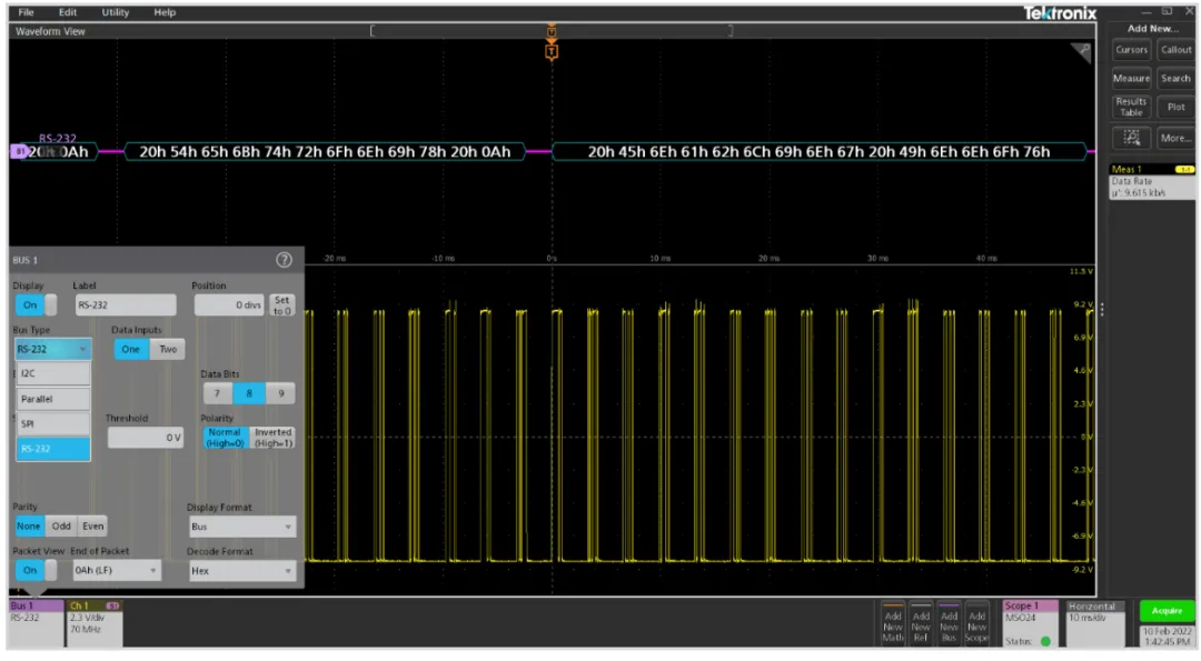
解碼串行總線
TekScope PC軟件的入門版許可支持對三種常用串行總線的支持:I2C、SPI和RS-232。使用其它版本的許可將支持多達25種不同的總線,包括USB、以太網、MIPI DSI和SPMI等。這些總線廣泛應用于嵌入式、汽車、消費、工業和國防等行業。通過分析串行總線事務,可同時進行多總線解碼,并具有搜索/標記功能和可視化解碼信息的不同方式。

圖:RS-232串行總線解碼
抖動分析、功率測量或電機驅動等專業分析功能
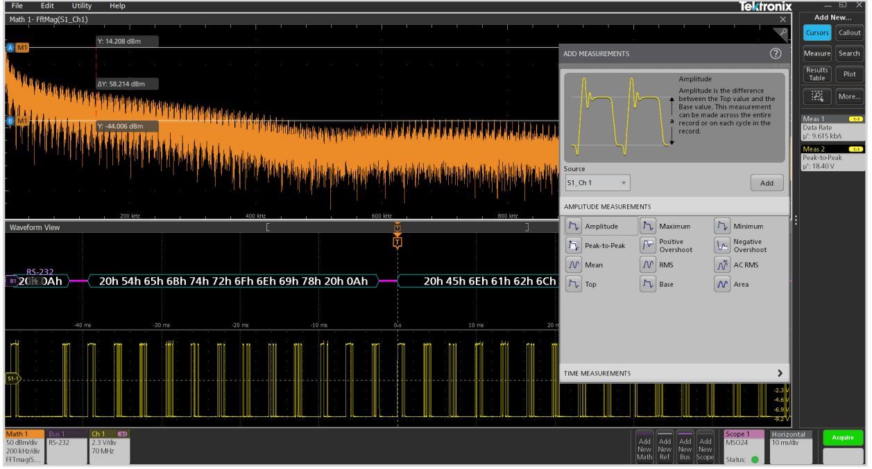
您還可以根據測試需求選擇專業附加軟件包,其中包括抖動分析、功率測量或電機驅動分析等,使您能夠分析在任何示波器上獲取的數據,甚至是不提供這些分析選項的示波器。由于TekScope PC軟件可以訪問更多的計算資源,因此可以快速輕松地查看和分析多個波形。
使用TekScope PC軟件分析來自多個儀器的數據和仿真數據,還可以消除因使用的算法不同或不同儀器軟件的實現方法不同而導致的結果差異。幫助系統中還清楚地記錄了測量算法,確保您對結果有信心。分析完成后,您可以生成報告,共享或存檔結果。您可以通過包含圖譜或配置細節等選項來指定報告中的信息。

圖:基于離線波形文件進行自動測量
遠程控制和多臺示波器同步
TekScope PC軟件還允許您在同一屏幕上查看和分析來自多個示波器的數據、重新排列通道信息、堆疊組、縮放,以及在無縫界面中添加光標或測量值。該功能最多可支持四臺示波器和 32 個通道。多示波器分析解決方案使您能夠同時遠程控制所有示波器的采集設置,而無需對每個示波器進行單獨設置。一旦在 TekScope PC 軟件上采集到數據,您就可以同時對不同示波器的所有通道進行測量和數據分析。

圖:同時對三臺示波器的12個通道進行分析
免責聲明:本文為轉載文章,轉載此文目的在于傳遞更多信息,版權歸原作者所有。本文所用視頻、圖片、文字如涉及作品版權問題,請聯系小編進行處理。
推薦閱讀:




