【導讀】在這篇文章中,我們將介紹使用這些傳感器進行精密溫度測量電路設計的要點。溫度傳感電路設計包括:正確選擇合適的溫度感應器以及必要的信號調節器和數字化器件產品,以便更有效地、更準確地測量溫度數值。
在大多數的工業用測量控制監測體系中,溫度測量傳感電路的設計都是一個重要的組成部分。它廣泛應用于很多特定的環境控制處理計算中。一些最常見的傳感器可以用于測量絕對溫度或者溫度變化,例如是電阻式的溫度檢測器(RTD)、二極管傳感器、熱敏電阻傳感器以及熱電偶傳感器等等。
在這篇文章中,我們將介紹使用這些傳感器進行精密溫度測量電路設計的要點。溫度傳感電路設計包括:正確選擇合適的溫度感應器以及必要的信號調節器和數字化器件產品,以便更有效地、更準確地測量溫度數值。
在我們介紹溫度測量系統之前,我們先來看看常見的傳統溫度傳感器設計電路的優點及缺點。
傳統熱電偶傳感器設計電路
熱電偶傳感器工作的原理是當溫度不同時,兩種不同成分的金屬的接合點之間產生電壓(或稱為電動勢)。一個熱偶由兩種不同的金屬端連接而成,相連的其中一端被稱為熱端。另一端則被稱為冷端,共同連接到溫度測試電路。熱端與冷端之間由于溫差的差異而導致產生電動勢。這種電動勢可以用測量電路測量得到。圖1顯示的是一個基本的熱電偶傳感器電路。

圖1:基本的熱電偶傳感器設計電路
熱電偶傳感器產生的實際電壓取決于相對溫度之差以及被用于組成熱電偶傳感器的不同的金屬類型。熱電偶的靈敏度和溫度測量范圍同樣與所使用的兩種金屬有很大關系。在市面上有許多類型的熱電偶傳感器出售,它們可以根據所使用的不同金屬冷熱端來區分:例如,B型(鉑/銠)、J型(鐵/鎳銅合金)、和K型(鎳鉻合金/鋁鎳合金)。大家可以根據實際應用場合選擇合適的熱電偶傳感器器件。
熱電偶傳感器的主要優勢是他們的魯棒性(在異常和危險情況下系統恢復正常運轉的特性)、寬溫范圍(零下270攝氏度到零上3000攝氏度)、響應快、封裝種類多、成本較低。而它們的局限主要是精度較低和噪聲較大。
電阻式溫度檢測傳感器設計電路
電阻式溫度檢測傳感器(RTD)的工作原理是:由于每種金屬在不同溫度下具有特定的和獨特的電阻率特性,所以當溫度變化時檢測金屬電阻的變化,從而得到溫度測量數值。金屬的電阻是和它自己的長度成正比、和截面積成反比的。這個比例數值取決于傳感器本身金屬材質的電阻率大小。
為了更精確的測量溫度,RTD構造里金屬材料的選擇就成了一個比較關鍵的考慮因素。用于電阻式溫度檢測傳感器的金屬主要有鉑、鎳以及銅。在這三種材料中,金屬鉑制成的電阻式溫度檢測傳感器是最精確、最可靠的。它也具有不易被污染的環境等因素影響,可保證長期穩定性和可重復性。這些電阻式溫度檢測傳感器主要優點還有寬溫范圍(零下250攝氏度到零上900攝氏度)、高精度、和線性等等。其局限性則包括成本較高和響應略慢等等。
熱敏電阻傳感器設計電路
和電阻式溫度檢測傳感器RTD相類似,熱敏電阻傳感器的工作原理也是隨溫度的變化,電阻阻值相應變化。只是,一般的熱敏電阻都擁有一個可計算的負溫度系數。熱敏電阻傳感器的主要優勢是它們的價格低并且精度可以接受。它們的缺點是溫度范圍非線性。然而,鑒于當今許多微控制器芯片上都有片上閃存,可以建立一個可查詢糾錯的數據表來減少非線性問題帶來的精度影響范圍。如果需要測量的溫度范圍在零下100攝氏度到零上300攝氏度之內,則熱敏電阻傳感器仍可以作為比較可靠的和比較精密的溫度測量設備。
溫度測量系統
在溫度監測系統中,傳感器必須把溫度轉換成電信號,經過信號調節階段(信號處理取決于不同的傳感器),然后送到一個模擬數字轉換器(ADC),進行轉換得到數值。系統還需要通信外設電路來和其它大的設備接口連接以便提供反饋,或者將數值送至片上閃存來存儲測量值或者進行必要的顯示。圖2顯示了溫度測量系統的基本框圖。

圖2:溫度測量系統框圖。
盡管圖2顯示在ADC之前進行了信號處理,是否有需要在信號轉換之后進行處理還取決于是模擬系統還是數字系統。整體精度依賴于噪聲控制、偏移、預處理電路及ADC所帶來的增益誤差。很多應用需要從遠端進行實時溫度數據采集,比如礦場、工業、和各種自動化場合。利用串行通信協議,如UART、I2C都可以用來給主系統控制器傳輸這種溫度數據。
[page]
如何提高熱電偶溫度傳感器精度
基于熱電偶傳感器的溫控系統廣泛應用于工業控制中,這是由于其很寬的溫度范圍的優勢造成的。它的基本原理是通過測量接合點電動勢來感應溫度。但它需要一個假設:假定冷端是恰恰是在攝氏零度。然而,讓冷端一直保持在這個溫度是不切合實際的。為了實現精確測量,需要應用一種技術手段,我們可以稱之為冷端補償(CJC)。
為了進行冷端補償,基于熱電偶的精密溫度測量系統里附加了一個溫度傳感器(安裝在冷端的頂頭)來測量冷端的溫度。冷端的溫度測量最常用的是熱敏電阻傳感器,因為其成本低,溫度范圍可以覆蓋冷端溫度,滿足大多數應用。為了測量CJC電壓、先要找冷端溫度,然后檢查熱電偶電動勢來求得溫度。加上冷端電壓后產生出CJC電壓,其相應的溫度就是實際溫度。
熱電偶產生的電動勢只有幾uV,這使它很容易受到噪聲干擾。并且,在這個信號傳輸給模數轉換器之前,它需要被放大(這同時也會增加噪聲和偏移)。在精密測量中,應該去除這類噪聲和偏移。我們舉例來說明如何使用相關雙抽樣方法(CDS)消除偏移和減少低頻噪聲。
CDS可以在信號處理階段減少低頻噪聲和偏移。首先,測量零參考偏移(兩個輸入都短路就可以測量到),然后測量熱電偶電壓。當直接用熱電偶信號測量時,它包括實際熱電偶電壓、噪聲電壓、偏移量(見方程1)。零參考讀數包括噪聲和偏移量(見方程2)。
(方程1) VTCouple_Signal = VTC + VN + Voffset
(方程2) VZero_Ref = VN + Voffset
之前的零參考取樣數值和目前零參考測量數值的關系是:
(方程3) VZero_ref_Prev = (VN + Voffset)*Z-1
那么,當前的熱電偶測量值和之前的零參考電平的差是:
(方程4) Vsignal = (VTC + VN + Voffset) - (VN + Voffset)*Z-1
Voffset是靜態的, 所以它當前的值和之前的取樣數值是相同的。VN不是一成不變的,因為它是噪聲和漂移,所以需要被去除。從當前取樣值中減去前面的噪聲值將會去除低頻噪聲。由此可見,相關的雙抽樣方法CDS工作起來就像是高通濾波器。EECOL_2011Mar09_DSP_TA_50.pdf
模擬數字轉換器ADC的本身有一個低通濾波來去除高頻噪聲。然而,在模數轉換器ADC輸出端的IIR濾波器將有助于進一步弱化經過它或傳輸給模擬數字轉換器ADC的噪聲頻帶。市面上的混合信號控制器都可配置數字濾波器,它可以通過器件本身硬件處理過濾而無需在固件電路上進行過濾從而可以節省CPU周期。圖3所示實現了一個基于熱電偶的溫度監測系統,它使用了賽普拉斯公司的PSoC5和PSoC3器件來實現。這些器件都有片上20位分辨率的delta-sigma模數轉換器,都內置了可編程增益緩存用來放大信號,內置了數字濾波器模塊(DFB)來濾波。它提供了一個高度集成的溫度測量系統。然而,由于設計中有熱電偶,所以可能需要附加一個增益段。這個增益可以通過一個放大器來實現,可以使用片上的可編程增益放大器(PGA)。

圖3:基于熱電偶傳感器的溫度測量系統電路。
在圖3的系統中,模擬MUX、AMuxCDS和AMuxCDS_1是用來把傳感器正端和負端輸出的信號轉換成模數轉換器的正輸入來實施相關雙抽樣。現在的問題是使用相同的模數轉換器時如何讓兩個傳感器電路都是一樣的零參考值。答案是這樣的--熱敏電阻、熱電偶有不同的輸出電壓范圍,因此需要不同倍數的放大。PSoC3和PSoC5器件中的ADC有多個配置,可以改變運行時間。對于不同的增益設置,偏移也不同,所以需要兩種傳感器電路中都使用相關雙抽樣。這會幫助消除整個模擬信號鏈的偏移。AMux用于傳感器在熱電偶、熱敏電阻之間的選擇。直接內存訪問(DMA)讀取ADC值并寫入數字濾波模塊(DFB)來過濾噪聲。
[page]
RTD和熱敏電阻溫度傳感器設計電路
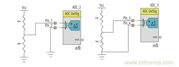
使用電阻式溫度檢測器(RTD)和熱敏電阻測量溫度時需要測量電阻,所以測量的方式決定了系統的精度。為了測量到精確的信號,應該使用差分輸入而不是單端輸入。差分輸入可以消除普通噪聲,而且效果不錯,可以達到μV級的敏感度(相對于單端輸入的mV靈敏度好多了)。讓我們來看看兩種連接-ve輸入到ADC的不同模式,詳見圖4。

圖4:兩種不同的 -ve連接方式設計電路。
圖4右邊的電路設計好于左邊的。在右面的電路中,-ve直接連接到靠近分壓電阻的參考電壓。右面的電路可以幫助降低測量時的噪聲的和由于PCB布局或走線阻抗帶來的誤差等等。
基于熱敏電阻的溫度測量系統可以說是圖3和圖4的集合。現在,讓我們看看使用RTD的測量系統。金屬鉑RTD制成的溫度傳感器無論從時間和溫度上來說都是最精確、最穩定的,所以在精確測量的應用中使用它應該是首選。RTD上的電壓降是可以測量的,和熱敏電阻的測量方式一樣,通常使用2線方法。連接RTD到測量系統時,要經過較長的電路,如果使用電壓源作為激勵的話,電路走線電阻就成為主要的測量誤差源,圖5則給出了2線測量電路和4線測量電路設計上的區別。

圖5:2線連接和4線連接的測量電路設計。
在2線電路中,RTD的電阻(RRTD)可以按方程5測量得到。然而,如果我們看一下這個電路,還有另一個電阻Rwire,那可能會導致一個測量誤差。
(方程5) RRTD = (Rref+Rwire)*( V2-V1)/(V-V2)
另一方面,在4線電路中的RTD電阻可以按照方程6計算。因為測量系統具有很高的輸入阻抗, 在測控系統中沒有電流,因此分壓電阻節點和測量系統間的電阻是串聯方式,不會有影響。RTD的電阻(RRTD)可按方程6推導出來。
(方程6) RRTD = Rref*( V2-V1)/(V4-V3)
[page]
我們再來看一下方程5和方程6。測量的準確度主要取決于Rref的精確度。為了在電壓激勵中克服這個問題,RTD使用恒流源來代替電壓源。當使用恒流源時,穿過RTD的電壓降只取決于其電阻值和恒流源值。然而,使用恒流源勵磁時測量的準確度取決于電流源的精確度。由于是進行精密的溫度測量工作,DAC電流應該被TIA校準。圖6顯示了使用PSoC3和PSoC5器件實現的一個基于RTD的溫度測量系統。這些器件有片上電流源,不需要額外增加模擬放大器電路。同時,這些設備有片上TIA可以用于為IDAC校準。

圖6:基于電阻式溫度檢測器RTD的溫度測量設計電路
下面我們總結一下進行精密溫度測量電路設計的基本要點:
1.根據應用選擇恰當的傳感器。
2.CDS有助于進行準確的感測器的讀數,避免偏移誤差,消除低頻噪聲。
3.對于熱電偶系統,可以用濾波器來清除噪聲。
4.電流勵磁系統可以通過消除電路中不準確的參考電阻來提高準確度。
5.如果使用電壓激勵,應該使用4線測量系統。
6.系統的整體精度取決于信號鏈的準確度和精率。因此,建議使用高精度高分辨率的Delta sigma 模擬數字轉換器ADC。
7.為了適應環境的變化,而又能保證精度,建議使用基于混合信號的實現方式。
溫度傳感電路部分是許多工業系統或嵌入式設計的重要組成部分。我們已經討論了在準確讀取傳感器值時所面臨的各種各樣的挑戰,以及如何使用精確模擬技術來提高精度。這些是通用的技術,它同樣適用于其他傳感器接口電路。



