【導讀】人形機器人實現高度擬人化的流暢運動與靈敏交互,其核心挑戰在于對復雜動態環境的精準控制與瞬時響應。在這一過程中,精確的電機電流檢測扮演了不可或缺的“神經感知”角色。這些測量所得的數據,會被機器人關節處致動器的控制算法深度運用,進而助力機器人實現精準無誤的移動以及卓越的動態性能表現。特別是在執行那些對電機控制要求極為精細、需要機器人具備高度靈敏行為的復雜任務時,維持高精度的電流檢測更是不可或缺。
人形機器人實現高度擬人化的流暢運動與靈敏交互,其核心挑戰在于對復雜動態環境的精準控制與瞬時響應。在這一過程中,精確的電機電流檢測扮演了不可或缺的“神經感知”角色。這些測量所得的數據,會被機器人關節處致動器的控制算法深度運用,進而助力機器人實現精準無誤的移動以及卓越的動態性能表現。特別是在執行那些對電機控制要求極為精細、需要機器人具備高度靈敏行為的復雜任務時,維持高精度的電流檢測更是不可或缺。
每個關節中的致動器通常是永磁同步電機 (PMSM),根據電機移動所需的負載大小具有不同的電流要求。電流電平通常在 0.2A 至 83A 之間變化,大多數驅動器在 0.2A 至 31A 之間變化。人形機器人由電池供電,供電電壓通常為 48V,或者在 39V 至 54V 之間,具體取決于電池的電量狀態。
典型電流要求可劃分為以下選項:
? 0.2A 至 2A:手腕和手
? 2A 至 6.3A:腳踝、肩部和頸部
? 21A 至 40A:肘部
? 52A 至 83A:膝蓋、臀部和臀部中心
人形機器人中的電流檢測
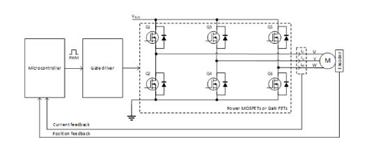
人形機器人中的電機必須以不同的速度和扭矩水平運行,這是通過磁場定向控制 (FOC) 等電機控制算法實現的。該算法在微控制器上運行,并將可變脈寬調制 (PWM) 信號應用于控制功率 FET 的柵極驅動器,如圖 1 所示。
圖 1. 電機控制方框圖
電流檢測和監控功能可驗證人形機器人所有關節的電機性能是否可靠。人形機器人中的電流檢測通常用于監控流入電機繞組的電流。這些測量是電機控制算法的重要輸入,因為這些算法提供有關電機負載、性能和電氣行為的實時信息。此數據允許算法精確調整電壓和扭矩輸出,確保穩定運行和準確定位。例如,FOC 算法從電流傳感器接收繞組的電流消耗數據,并從編碼器接收電機軸的位置,然后確定需要應用于柵極驅動器的相應 PWM 信號。
電流監控可實現對電機性能的實時控制,從而實現速度調節、扭矩管理和功耗監控。因此,三相電流測量是該算法有效控制人形機器人電機所需的關鍵輸入之一。
此外,電流傳感器在系統安全方面發揮著重要作用,有助于識別潛在的故障或異常,如電機過熱、過載或絕緣故障。繞組損壞會導致電流消耗異常,在某些情況下,電流消耗可能過高,如果不及時解決,可能導致設備損壞或停機。通過分析電流傳感器測量,系統可以評估電機運行狀況并在需要時實施保護措施。例如,系統可以啟動可控且安全的關斷,在發生嚴重損壞或危險情況之前防止這種情況發生。因此,為了保持峰值系統可靠性并更大限度地降低事故風險,請務必注意在電機控制系統中集成穩健且精確的電流檢測設計。
電流檢測方法
在人形機器人中,可以使用各種方法測量流經電機的電流,例如低側、高側或直列式電流檢測。為了測量電流,可以使用由運算放大器(運放)、電阻器和電容器等分立式元件構建的放大器。另外,電流檢測放大器、Δ-Σ 調制器或霍爾效應傳感器等專用集成電路 (IC) 也可以提供高效的設計。本應用簡報重點介紹德州儀器 (TI) 用于人形機器人的電流檢測放大器、隔離式 Δ-Σ 調制器和隔離式霍爾效應電流傳感器產品。
電流檢測是根據歐姆定律進行的,用于估算流經系統的電流。根據歐姆定律,通過導體的電流與導體上的壓降成正比,與電阻成反比。將一個稱為分流電阻器的電阻器放置在系統中,以使用歐姆定律來測量電流消耗。分流器在需要進行電流測量的電路中串聯放置。流經分流器的電流會導致分流器上發生壓降。壓降通常很小,通常在毫伏范圍內,因此需要使用電流檢測 IC 進行放大。通常會對這一電壓差進行測量和放大,以產生合理的輸出電壓。然后,使用模數轉換器 (ADC) 和微控制器,使用輸出電壓估算流經系統的電流。這種方法被視為干擾性方法,因為分流器是在系統中引入的,并且分流器會消耗一些功率。分流電阻器的位置因電流測量技術而有所不同。
低側電流檢測
在這種方法中,分流電阻器放置在電源接地端和 FET 之間,如圖 2 中所示。
圖2. 低側電流測量
然后由連接到端子的電流檢測 IC 放大電阻器兩端的壓降。由于分流電阻器的位置靠近接地端,因此共模電壓保持接近 0V。但是,將分流電阻器放置在該位置會影響系統接地,從而使系統接地不再是實際接地。因此,該方法無法檢測系統接地短路。通常會使用兩個或三個電流傳感器來進行測量。如果只存在兩個傳感器,則第三個值可通過另外兩個讀數計算得出。該計算必須由微控制器處理,但該計算無法始終反映電機消耗的實際電流。原因在于,僅當連接到分流電阻器的 FET 導通時,測量才有效。因此,需要進行大量后處理來準確估算電機的電流消耗。
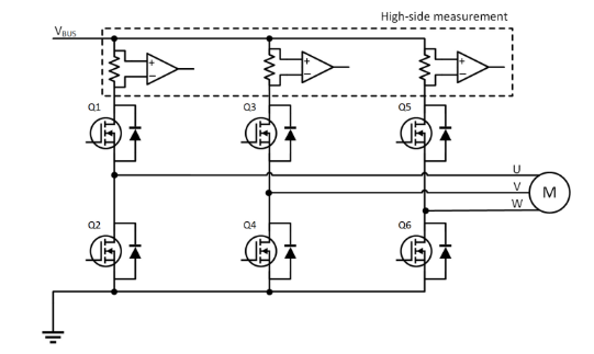
高側電流檢測
在這種方法中,分流電阻器放置在直流母線和 FET 之間,如圖 3 中所示
圖 3. 高側電流測量
電阻器上的壓降由電流傳感器放大并輸出,從而使共模電壓幾乎等于總線電壓。此設置可確保系統的接地不受影響。由于電源電壓決定了共模電壓,因此電流檢測 IC 必須能夠處理更高的電壓,尤其是在電源電壓較高的系統中。與前一種方法類似,僅當連接到分流電阻器的 FET 導通并且需要大量后處理時,測量才有效。
直列式電流檢測
這是使用最廣泛的電流測量方法之一,其中一個分流電阻器添加到電機的每個相位,如圖 4 所示。
圖 4. 直列式電流測量
分流電阻器上的壓降由電流檢測器件放大,然后反饋回微控制器以進行進一步處理。這種方法比其他兩種方法有效得多,因為該方法可針對電機的每個相位提供電流測量,因此是控制算法最精確且基本的測量方法。此外, FET 的狀態不會影響電流測量,并且可以檢測系統短路。盡管高頻率 PWM 信號會帶來挑戰,但德州儀器 (TI) 的現代電流傳感器旨在高效地處理這種情況。TI 提供各種帶隔離和不帶隔離的電流檢測設計。此外,TI 提供具有集成分流電阻器的電流檢測放大器,無需外部分流電阻器即可實現緊湊的設計。下文討論了近期發布的電流檢測放 大器以及針對人形機器人應用的推薦設計。
電流檢測設計
電流檢測器件是人形機器人的重要組件,可提供低側、高側或直列式電流檢測。直列式電流檢測是在人形機器人每個關節處進行精確電機控制的最精確方法。隨著這些機器人的自由度和功能不斷擴大,對電流檢測的要求變得更加重要。INA241A、INA790x 和 INA750x 專門為直列式電機控制應用而設計。這兩款器件都包含增強型 PWM 抑制功能,支持高達 125kHz 的開關頻率。由于輸入端的共模瞬變,這可以使輸出端的信號干擾最小。
INA241A 是當今市場上精度最高的電流檢測放大器,可實現更嚴格的控制環路。該放大器具有 -5V 至 110V 的共模電壓能力和出色的性能,失調電壓較低(最大值為 ±10μV)、增益誤差很小(最大值為 ±0.01%),并具有高直流 CMRR(典型值為 166dB)。表 1 列出了與主要競品的 INA241A 規格比較。
表1. 器件比較
此外,高帶寬 (1.1MHz) 和高壓擺率 (8V/μs) 有助于防止快速浪涌電流,并提供信息以更快的速率控制電機。圖 5 顯示了在共模瞬態較大使得輸出干擾很小的情況下增強型 PWM 抑制功能的結果。
圖5. INA241x 的增強型 PWM 抑制性能
雖然 INA241A 是一款需要外部分流電阻器的分立式電流檢測放大器,但 TI 推出了采用 EZShunt? 技術的器件產品系列,該產品系列在單芯片設計中提供集成式分流電阻器。這為設計帶來了簡單性,同時減少了布板空間和成本,并提供出色的性能。INA790x 和 INA750x 均為針對人形機器人的集成設計,具有增強型 PWM 抑制功能。兩種器件均具有 -4V 至 110V 共模電壓能力,INA790x(采用 400μΩ 電阻器)在 25°C 下的載流能力為 75Arms,而 INA750x(采用 800μΩ 電阻器)在 25°C 下的載流能力為35Arms。隨著這些人形機器人的運動范圍不斷擴大,系統中所需的電流檢測器件的數量也在不斷增加。PCB 面積減小成為人形機器人應用中的一項主要優勢。與標準 MSOP 封裝和分流器相比,INA790x 的 PCB 尺寸減少了 38%,如圖 6 所示。
圖 6. INA790 使用標準 MSOP + 分流器可減少 38% 的 PCB 空間
加熱是人形機器人的關鍵設計考慮因素。這些 EZShunt? 器件在溫度范圍內具有出色的性能,因為這些器件包含內置的編程溫度補償功能,即使溫度在器件的整個額定溫度范圍內發生變化,也能保持器件測量的精確度。這可導致總設計漂移低至 35ppm/°C。額外考慮因素是通過器件散熱。這些 EZShunt? 器件具有基于環境溫度的連續載流能力,每個 EZShunt? 數據表都通過安全工作區曲線概述了這一點。為了確保限制整個封裝的熱耗散,設置有該安全工作電流水平,以便不對電阻器、封裝造成損壞,或者器件的內部結溫不超過 165°C 限值,使整個溫度范圍內的性能可靠。
表 2. 相關器件
備選器件建議
不具備 PWM 抑制功能的替代器件是 INA296A 和 INA791x。INA296A 是分立式設計,而 INA791x 是集成分流器 設計。這些器件可用于具有高達 110Vcm 寬共模電壓范圍的高側檢測,并且可以承受負共模電壓擺幅。
INA381 是一款成本優化型低電壓電流檢測放大器,具有可提供過流警報的集成比較器,用于滿足低側檢測需求。
表 3. 備選器件建議
隔離式霍爾效應電流傳感器
除了電流檢測放大器,TI 還為高壓交流或直流測量提供隔離式霍爾效應電流檢測設計。該產品系列為大型工業機器人中常見的 400V 至 600V 高電壓電平提供隔離式傳感設計。這些產品提供專為直列式相位監測設計的模擬輸出,以及有利于過流保護的附加過流比較器特性。這些器件目前具有高達 125Arms 的載流能力和 1MHz 選項。TMCS1123 (250kHz) 和 TMCS1133 (1MHz) 具有 670μΩ 阻抗,能夠在 SOIC-16 封裝中實現 80Arms 的載流能力。TI 的所有霍爾效應電流傳感器均能提供行業領先的精度和低漂移設計。其它封裝創新設計支持小尺寸、高載流方法。
隔離式 Δ-Σ 調制器 & 放大器與調制器
設計人員可以在兩種隔離式電流檢測設計之間進行選擇;一種具有模擬輸出,另一種具有調制器輸出。在基于隔離式放大器的設計中,測得的模擬信號經過多次模數和數模轉換。隔離式放大器內的各級、差分轉單端級以及 ADC(位于 MCU 或 DSP 外部或內部)會降低整體精度和噪聲性能,還會增加延遲。但是,放大器具有簡單和易于集成的特性。
或者,基于隔離式調制器的設計僅進行一次模數轉換。此類設計無需差分轉單端級,因此減少了元件數量,縮小了設計尺寸。此外,也無需基于隔離式放大器的設計中使用的 ADC。該 ADC 在許多情況下會限制可實現的最大采樣分辨率和精度。與基于隔離式放大器的設計相比,基于隔離式調制器的方法提高了信號噪聲性能和總體精度,并可以實現更高的信號帶寬和更低的延遲。
帶調制器機器人簡介
隨著機器人市場增長,對經濟高效、小尺寸的精密而高效器件的需求日益迫切。TI 的隔離式同相電流檢測調制器可提供滿足所有這些要求的設計。通過使用 AMC0106M05 或 AMC0106M25,用戶可以將器件配置為實現 >14 位的分辨率,從而可以精確控制電機,將設計尺寸減小 >50%,并在 PWM 開關事件期間進行連續測量。
ENOB
AMC0106M05 和 AMC0106M25 功能上的隔離式 Δ-Σ 電流檢測調制器可以實現更精確的電流測量。與如今的 8 位到 11 位模擬設計相比,這些器件具有 12 到 14 個有效位數 (ENOB),如圖 7 所示。測量精度的提高可以改進對低電流和電壓電平的測量,從而實現精細的機器人任務和移動。
圖 7. 相電流 ENOB 與 OSR 間的關系
PWM
與低側分流檢測相比,直列式相電流檢測可實現更高的性能、連續測量并在整個 PWM 周期內更精確地控制電機相電流。因此,伺服驅動器和機器人應用通常選擇直列式相電流檢測。
PWM 開關在相電流采樣期間發生。因此,至關重要的是相電流傳感器不受高共模電壓瞬態干擾,并且不影響測量精度。圖 8 顯示了一個 PWM 周期內電機相電流之一和相應 PWM 電壓的簡化圖表。
圖 8. 閉環相電流控制和短路檢測中的電流采樣
AMC0106M05 和 AMC0106M25 調制器具有 150V/ns 的高 CMTI,可以隨時連續采樣,這與競品的設計不同,后者在 PWM 開關期間具有消隱時間。
表 4. 相關器件
表 5 中總結了測量電流的選項。
表 5. 電流檢測方法比較
結語
人形機器人包含很多用于控制關節的電機。電流檢測在監測這些電機和為其提供反饋方面發揮著至關重要的作用。低側、高側和直列式電流檢測可用于監控電流,但直列式電流檢測為人形機器人中的電機控制提供了最有效的方法。德州儀器 (TI) 擁有許多面向直列式電機控制的電流檢測設計,包括 INA241A、INA790x 和 INA750。所有這些器件都包含增強型 PWM 抑制特性和高帶寬,以盡可能地減小輸出端的干擾并實現較短穩定時間。TI 精選的功能上隔離式電流檢測調制器由 AMC0106M05 和 AMC0106M25 組成,能夠以小巧的外形實現超高的精度,并在整個 PWM 周期內實現高 CMTI 和連續檢測且沒有消隱時間。TI 的這些高精度小尺寸設計可幫助工程師滿足人形機器人從頭部到腳趾的電流檢測要求。
推薦閱讀:
簡單制勝——第二部分:探索BMS設計中的高效主動均衡“最優解”
簡單制勝——第一部分:化繁為簡!BMS秉承簡單制勝原則兼顧效率與成本




