【導讀】IO-Link是一種標準化技術(IEC 61131-9),獨立于現場總線、開放式的點到點的通信,是適用于工業控制中最底層的設備(如簡單的傳感器/執行器)的工業通訊接口,使得設備可以集成到幾乎任何現場總線或者是自動化系統中。
IO-Link是一種標準化技術(IEC 61131-9),獨立于現場總線、開放式的點到點的通信,是適用于工業控制中最底層的設備(如簡單的傳感器/執行器)的工業通訊接口,使得設備可以集成到幾乎任何現場總線或者是自動化系統中。
IO-Link系統
IO-Link系統由許多IO-Link從站設備(具有IO-Link協議的傳感器/執行器,具有IO-Link 協議的集線器與普通的傳感器/執行器組合),通過標準電纜,連接到IO-Link主站組成。其能夠將傳統的二進制或模擬傳感器變成智能傳感器,不再只是收集數據,還允許用戶根據獲取的有關線上其他傳感器的健康和狀態的實時反饋,以及需要執行的操作,在遠程更改其設置。IO-Link技術通過一個通用物理接口,使傳感器變得可以互換,該接口使用協議棧和IO器件描述(IODD)文件來實現可配置的傳感器端口。它切實做到即插即用,并且能夠實時重新配置參數。
可以說IO-Link是推動制造業改革的核心,能夠提供持續診斷,幫助實現靈活制造,從而改善工廠吞吐量,提高運營效率。據相關組織預測,目前行業使用支持IO-Link標準的節點已超過2.7億個,而這個數字仍在不斷攀升。
IO-Link nodes增長趨勢
將智能帶入邊緣
簡化安裝過程
減少停機時間
在智能制造升級的過程中,IO-Link技術起著至關重要的作用。ADI多年深耕工業領域,在IO-Link技術上早早開始了投入,2009年ADI就加入IO-Link聯盟,至今已經擁有非常完整的IO-Link產品系列。其中IO-Link主機和器件收發器產品系列提供強大靈活的方法,由PLC提供智能改為由廠區的傳感器提供,進一步優化生產線并簡化整個生產流程。
雙通道IO-Link主站收發器:MAX14819A
MAX14819A是一款低功耗、雙通道、IO-Link主站收發器,帶有傳 感器/執行器電源控制器,完全符合最新的IO-Link和二 進制輸入標準與測試規范,即IEC 61131-2、IEC 61131-9 SDCI和IO-Link 1.1.3。該主站收發器還包括兩個輔助Type 1/Type 3數字輸入(DI)通 道。MAX14819A可配置為使用外部UART或IC上的集成幀處理器工作。
雙通道250 mA IO-Link收發器:MAX14827A
MAX14827A集成了工業傳感器常見的高壓功能,包括驅動器和穩壓 器。MAX14827A具有兩個超低功耗驅動器和有源極性反接保護功能 。額定工作電壓為普通24 V電源電壓,最高可達60 V。由 于能夠耐受高壓,因此瞬態保護得以簡化,允許使用微型TVS。
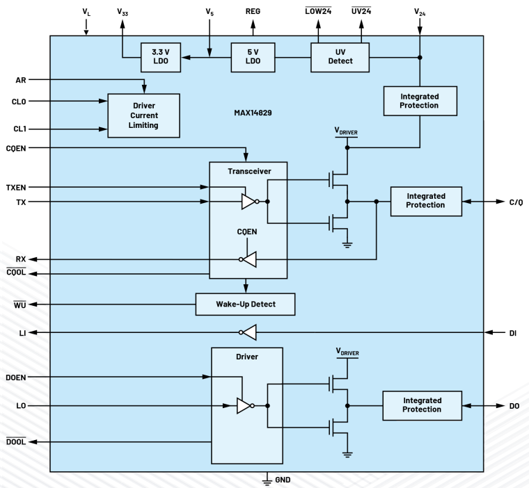
引腳控制、低功耗、雙通道IO-Link從站收發器:MAX14829
MAX14829雙通道低功耗IO-Link從站通過基于引腳的接口實 現控制、配置和監測。引腳控制邏輯輸入允許與開關傳感器配 合使用,后者不使用微控制器。提供三線UART接口來執行IO-Link 操作,該接口能夠連接UART。MAX14829具有100 mA至330 mA可選的 驅動電流。
帶DC-DC轉換器和浪涌保護雙通道IO-Link從站收發器:MAX22513
MAX22513雙通道低功耗IO-Link從站收發器具有可選擇的控 制接口、內部高效率DC-DC降壓調節器、兩個內部線性穩壓器和 集成浪涌保護以實現可靠通信。該器件具有低導通電阻驅動器 (C/Q和DO/DI)、可選擇的驅動器限流值和過流保護功能,可降 低小型傳感器應用的功耗。
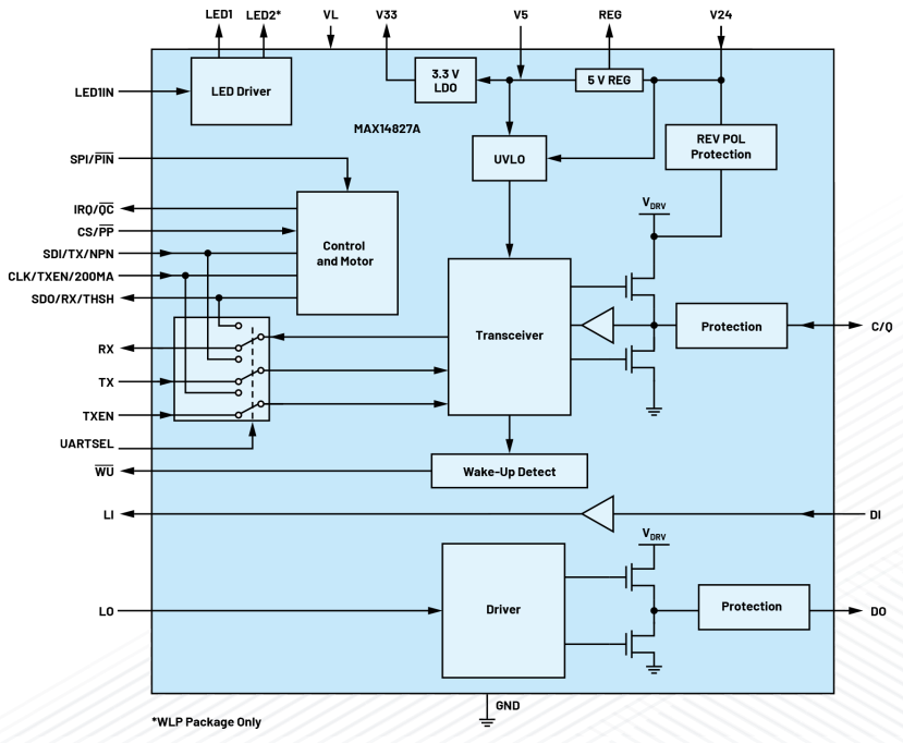
具有集成保護功能的IO-Link收發器:MAX22515
免責聲明:本文為轉載文章,轉載此文目的在于傳遞更多信息,版權歸原作者所有。本文所用視頻、圖片、文字如涉及作品版權問題,請聯系小編進行處理。
推薦閱讀:






