【導讀】在一個射頻通信系統中,噪聲,尤其是信噪比(SNR),是無線接收機中的一個基本問題。高噪聲電平會限制系統的容量、覆蓋范圍,以及許多對系統運營商和終端用戶都有重大影響的相關特性。射頻通信接收機是射頻電路中比較重要的一部分,射它能在頻信號經天線接收后,經過相關濾波器和放大器,將射頻信號進行一系列的頻率變化,最終將信號調節成所需要的調制信號。
在一個射頻通信系統中,噪聲,尤其是信噪比(SNR),是無線接收機中的一個基本問題。高噪聲電平會限制系統的容量、覆蓋范圍,以及許多對系統運營商和終端用戶都有重大影響的相關特性。射頻通信接收機是射頻電路中比較重要的一部分,射它能在頻信號經天線接收后,經過相關濾波器和放大器,將射頻信號進行一系列的頻率變化,最終將信號調節成所需要的調制信號。
超外差接收機
超外差結構能提供非常好的性能,但這種結構需要大量分離元件,像濾波器等。這種結構無法單芯片集成實現,因此出現了零中頻,低中頻接收機結構。超外差接收機自從1917首次出現以來一直作為接收機設計的主要結構。直到2000,出現了零中頻接收機,這種接收機結構適合完全集成實現。

圖1 一級混頻的超外差結構
圖1所示為單級混頻的超外差結構,混頻器利用本振信號將RF信號下變頻到IF頻率。超外差結構由以下模塊組成:輸入帶通濾波器,低噪聲放大器,鏡像抑制濾波器,混頻器,中頻濾波器,AD。
輸入帶通濾波器通常用于抑制帶外干擾信號,防止帶外強干擾信號阻塞低噪聲放大器。通常輸入帶通濾波器帶寬比較寬,由多個信道組成。鏡像濾波器用于抑制鏡像頻率,關于鏡像濾波器我們下面會做詳細介紹。混頻之后的IF帶通濾波器決定了接收機的通道選擇性,用于抑制鄰道信號功率,同時IF帶通濾波器也通常作為AD前端的抗混疊濾波器。
零中頻接收機
超外差接收機需要解決的主要問題就是鏡像頻率抑制問題。而零中頻接收機通過將信號直接轉換到基帶(0Hz),從而克服了鏡像抑制問題。其結構如下:

圖2 零中頻接收機結構
零中頻接收機本振頻率(LO)和射頻信號頻率(RF)相等,鏡像頻率也就是信號頻率本身。不存在鏡像頻率干擾的問題,原超外差接收機結構中的鏡像抑制濾波器及中頻濾波器都可以省略。這樣一方面取消外部元件,有利于系統的單芯片實現。
如圖2所示,混頻器后面是一個模擬低通濾波器,該濾波器作為通道選擇濾波器和AD前端的抗混疊濾波器。如果接收機的通道選擇性完全由該濾波器實現,那么要求該濾波器的截止頻率為信號帶寬的一半,以有效抑制鄰道和更遠端的信道干擾。
由于該濾波器工作在低頻,因此可以用有源模擬濾波器實現,注意上下兩個分支幅度響應匹配。有源模擬濾波器相對于超外差接收中的無源中頻濾波器輸入動態范圍有限,并且阻帶衰減有限。
零中頻接收機結構雖然減小鏡像信號抑制問題,但同時帶來了其他問題。這些問題主要是由于輸入信號的放大組要集中在基帶。這些問題包括:
接收機的偶次非線性失真
本振泄露和直流偏置
直流偏置
Flicker噪聲
低中頻接收機
低中頻接收機嘗試解決零中頻接收機的直流偏置及flicker噪聲問題,但同時保持零中頻接收機的高集成性。很多無線標準要求鄰道干擾的抑制度相對于其他信道的干擾要相對較弱。低中頻接收機充分利用這樣的規定,選擇合適的中頻頻率將鄰道信號作為其鏡像信號。

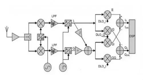
圖3 低中頻接收機結構
信號經過第一級混頻,輸出低中頻信號。I,Q兩路信號經過低通濾波器(抗混疊濾波器),然后抽樣。正如前面提到的,由于I,Q兩路幅度和相位不匹配,很難獲得超過40dB的鏡像抑制比。如果不進行較正,通過能過獲得25dB到35dB的鏡像抑制比。如圖所示,AD后面有兩個放大器和加法電路組成的校正支路,通過這個支路可以顯著提高鏡像抑制比。
三種接收機的比較
今天比較三種常用接收機架構的優勢和挑戰——外差接收機、直接采樣接收機和直接變頻接收機。我們的意圖并非要褒揚某種方案而貶抑其他方案,相反,本文旨在說明這些方案的優點和缺點,并鼓勵大家按照工程準則選擇最適合特定應用的架構。
外差接收機
外差方法久經檢驗,性能出色。實施原理是混頻到中頻 (IF)。IF需選擇足夠高的頻率,使得實際濾波器在工作頻段中能夠提供良好的鏡像抑制和LO隔離。當有超高動態范圍ADC可用時,增加一個混頻級以降低頻率也很常見。此外,接收機增益分布在不同的頻率上,這使得高增益接收機發生振蕩的風險非常小。通過適當的頻率規劃,外差接收機可以實現非常好的雜散能量和噪聲性能。

遺憾的是,這種架構是最復雜的。相對于可用帶寬,其需要的功耗和物理尺寸通常是最大的。此外,對于較大分數帶寬,其頻率規劃可能非常困難。在當前追求小尺寸、低重量、低功耗(SWaP) 并希望獲得寬帶寬的背景下,這些挑戰難度很大,導致設計人員不得不考慮其他可能的架構選項。
優勢
經過驗證、可信賴
高性能
最優雜散噪聲
高動態范圍u EMI抗擾度佳
挑戰
SWaP
濾波器數量多
直接采樣
直接采樣方法已被業界追求許久,其障礙在于很難讓轉換器工作于直接射頻采樣所需的速率并且實現大輸入帶寬以及實現大輸入帶寬。

在這種架構中,全部接收機增益都位于工作頻段頻率,如果需要較大接收機增益,布局布線必須非常小心。如今,在L和S波段的較高奈奎斯特頻段,已有轉換器可用于直接采樣。業界在不斷取得進展,C波段采樣很快就會變得實用,后續將解決X波段采樣。
優勢
無混頻
在L、S波段具有實用性
挑戰
ADC輸入帶寬
在感興趣的頻率范圍內增益不平坦
直接變頻
直接變頻架構對數據轉換器帶寬的使用效率最高。數據轉換器在第一奈奎斯特頻段工作,此時性能最優,低通濾波更為簡單。兩個數據轉換器配合工作,對I/Q信號進行采樣,從而提高用戶帶寬,同時又不會有交織難題。

對于直接變頻架構,困擾多年的主要挑戰是維持I/Q平衡以實現合理水平的鏡像抑制、LO泄漏和直流失調。近年來,整個直接變頻信號鏈的先進集成加上數字校準已克服了這些挑戰,直接變頻架構在很多系統中已成為非常實用的方法。
優勢
最大ADC帶寬
寬帶選項最簡單
挑戰
鏡像抑制:I/Q平衡
帶內IF諧波
LO輻射
EMI抗擾度(IP2)
DC和1/f噪聲
下圖顯示了三種架構的框圖和頻率規劃示例。

圖a為外差接收機示例,高端LO將工作頻段混頻到ADC的第二奈奎斯特區。信號進一步混疊到第一奈奎斯特區進行處理。
圖b為直接采樣接收機示例。工作頻段在第三奈奎斯特區進行采樣并混疊至第一奈奎斯特區,然后將NCO置于頻段中心,數字下變頻到基帶,再進行濾波和抽取,數據速率降低到與通道帶寬相稱的水平。
圖c為直接變頻接收機示例。雙通道ADC與正交解調器對接,通道1對(同相) I信號進行采樣,通道2對Q(正交)信號進行采樣。
采用分立實施方案時,直接變頻架構的鏡像抑制挑戰可能相當難以克服。通過提高集成度并結合數字輔助處理,I/Q通道可以很好地匹配,從而大幅改善鏡像抑制。
免責聲明:本文為轉載文章,轉載此文目的在于傳遞更多信息,版權歸原作者所有。本文所用視頻、圖片、文字如涉及作品版權問題,請聯系小編進行處理。
推薦閱讀:
漲姿勢!常用的USB Type-C功率傳輸數據線也需要芯片級保護




